Эксплуатация выключателей АК-10

    06.07.2010

    Электрические Сети

    СЛУЖБА ПОДСТАНЦИЙ

    ИНСТРУКЦИЯ ПО ЭКСПЛУАТАЦИИ ВЫКЛЮЧАТЕЛЕЙ АК – 10

     

    СОДЕРЖАНИЕ

    1

    Введение

    2

    Общие указания. Критерии и пределы безопасного состояния

    3

    Основные технические данные выключателя

    4

    Устройство и принцип действия выключателя

    5

    Устройство и принцип действия пружинного привода

    6

    Подготовка выключателя к вводу в работу

    7

    Техническое обслуживание выключателя

    8

    Меры безопасности при эксплуатации выключателя

     

    Приложение №1

     

    Знание настоящей инструкции обязательно для:

    1. Начальника, мастера группы ПС и ЦРО.

    2. Оперативного и оперативно – производственного персонала групп ПС.

    3. Производственного персонала группы ПС и ЦРО.

     

    Инструкция составлена на основании действующих «Правил технической эксплуатации электрических станций и сетей», «Правил устройства электроустановок», «Техническое описание и инструкция по эксплуатации выключателя высоковольтного трехполюсного типа АК».

     

    2. Общие указания. Критерии и пределы безопасного состояния.

     

    Выключатель высоковольтный серии АК предназначен для включения и отключения электрических цепей в нормальном режиме работы, а также при перегрузках и коротких замыканиях.
    Выключатель приспособлен для встраивания в шкафы комплектных распределительных устройств (КРУ) выкатного типа номинальным напряжением 10 кВ трехфазного переменного тока частоты 50 Гц.



    Условия эксплуатации выключателя АК-10:

    • температура воздуха, окружающая выключатель, не выше плюс 40°С и не ниже 5°С;
    • высота над уровнем моря – до 1000 м;
    • относительная влажность окружающего воздуха – не выше 80% при температуре плюс 20°С;
    •  

    Нормальная работа выключателя не гарантируется:

    • в среде со значительным количеством токопроводимых паров или пыли, которые могут быть причиной загрязнения изоляции;
    • в среде, содержащей химически агрессивные газы;
    • в средах, где выключатель будет подвергаться промышленным вибрациям, сотрясениям и т.д.;
    • при несоблюдении требований настоящей инструкции.

     

    Полное обозначение выключателя, например АК 10/600/12 расшифровывается так: АК – условное обозначение серии, 10 – номинальное напряжение в киловольтах, 600 – номинальная мощность отключения в мегавольтамперах, 12 – номинальный ток в амперах (Х на 100).
    Полное обозначение типа пружинного привода, например ЗПМ 3000 расшифровывается следующим образом: ЗПМ – условное обозначение серии, 3000 – средняя величина механической энергии пружины включения.

     

    3. Основные технические данные выключателя.

    Таблица №1

    Наименование параметров

    Значение параметров для выключателя.

    АК 10/400/8

    АК 10/600/12

    АК 10/600/20

    Номинальное напряжение, кВ

    10

    10

    10

    Наибольшее рабочее напряжение, кВ

    12

    12

    12

    Номинальный ток, А

    800

    1250

    2000

    Номинальный ток отключения, кА

    20

    28,8

    28,8

    Предельный ток термической устойчивости, кА

    30

    40

    40

    Время протекания предельного тока термической устойчивости, сек

     

    4

     

    4

     

    4

    Время отключения выключателя с приводом, сек

    0,075

    0,075

    0,085

    Собственное время включения выключателя с приводом, сек

     

    0,09

     

    0,15

     

    0,16

    Тип привода

    ЗПМ-3000

    ЗПМ-6000

    ЗПМ-9000

    Ток электромагнитов управления (включающего и отключающего):
    - при напряжении постоянного тока 110,220 В, А
    - при напряжении переменного тока 220 В, А

     

    1,5
    2,0

     

    1,5
    2,0

     

    1,5
    2,0

    Масса выключателя, кг

    125

    245

    320

    Масса масла, кг

    9,3

    15,6

    15,9

     

     

    4. Устройство и принцип действия выключателя.

     


     
    Рис. 1. Полюс выключателя типа АК.
    1 – Маслоуказатель.
    2 – Вывод.
    3 – Верхний розеточный контакт.
    4 – Кондуктор поплавка.
    5 – Поплавок.
    6 – Контактный палец.
    7 – Контактная наставка.
    8 – Контактный стержень.
    9 – Нижний цилиндр.
    10 – Нижний розеточный контакт.
    11 – Ползун.
    12 – Металлический перстень.
    13 – Вывод.
    14 – Картер.
    15 – Амортизатор.
    16 – Кондуктор.
    17 – Крышка.
    18 – Командная ось.
    19 – Манжетное уплотнение.
    20 – Внешний цилиндр.
    21 – Дугогасительная камера.
    21а – Диск №2.
    21б – Диск №3.
    21в – Диск №1.
    22 – Труба.
    23 – Держатель.
    24 – Верхний цилиндр.
    25 – Мембрана.
    26 – Шайба.
    27 – Предпазное кольцо.
    28 – Маслоуловитель.
    29 – Крышка.
    30 – Пробка.
    31 – Предохранительный колпак.

     

    Выключатель типа АК относится к жидкостным высоковольтным выключателям с малым объемом дугогасящей жидкости (трансформаторного масла).
    Принцип работы выключателя основан на гашении электрической дуги, возникающей при размыкании контактов, потоком газо-масляной смеси, образующейся в результате интенсивного разложения трансформаторного масла под действием высокой температуры дуги. Этот поток получает направленное движение в дугогасительном устройстве, размещенном в зоне горения дуги.
    Выключатель управляется пружинным приводом. Оперативное включение происходит за счет энергии пружин включения привода, а отключение – за счет энергии отключающих пружин, которые срабатывают при воздействии отключающего электромагнита на защелку привода, удерживающую выключатель во включенном положении.

     


     

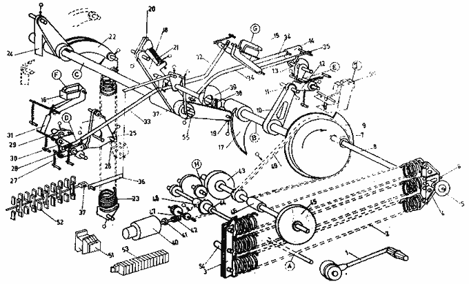
    Рис. 2. Выключатель типа АК – 10 .
    1 – Полюс; 2 – Расширительная камера; 3 – Маслоуказатель; 4 – Вывод; 5 – Маслоуловитель; 6 – Держатель; 7 – Подвижный контакт; 8 – Шунтирующий полюс; 9 – Вывод; 10 – Пробка для спуска масла; 11 – Соединительная штанга; 12 – Пробка для спуска масла; 13 – Картер полюса; 14 – Рычаг; 15 – Изоляционная штанга; 16 – Роликовый розеточный контакт; 17 – Рукоятка для ручного завода пружин; 18 – Передавательная ось; 19 – Дугогасительное устройство; 20 – Пружинный привод;  21 – Розеточный контакт; 22 – Изоляционный цилиндр.

     

    Выключатель типа АК (Рис.2) состоит из трех отдельных полюсов 1 и приводного механизма 20, который является общим для трех полюсов, при этом передача движения производится при помощи изоляционных штанг 15.
    Каждый полюс выключателя состоит из изоляционного цилиндра 22, в котором расположены подвижный контакт 7 и неподвижные контакты 16 и 21, а также дугогасительное устройство 19 и металлический картер 13, в котором расположены элементы механизма полюса.


    Выводы 4 и 9 раположены на концах изоляционного цилиндра 22.
    Полюс выключателя снабжен указателем уровня масла 3, который монтирован на верхнем конце полюса.
    Указатель, находящийся на передней части крышки привода указывает включенное или отключенное положение выключателя.


    Токовый контур полюса следующий: верхний вывод 4 связан с верхним розеточным контактом 21 при помощи держателя 6. Пальцы розеточного контакта из металла высокой проводимости обеспечивают протекание тока во включенном положении выключателя. В каждый палец вставлен элемент из металлокерамики, который является дугогасительным контактом. Подвижный контакт 7 связывает верхний неподвижный контакт 21 с роликовым розеточным контактом 16, который связан с нижним вводом 9. Подвижный контакт также сделан из металла высокой проводимости и имеет дугогасительную наставку из металлокерамики. После износа, ее можно снять и заменить.


    Включение полюса производится при помощи пружинного привода 20, который придает вращательное движение предавательной оси 18. Со своей стороны она передает движение рычагу 14 полюса при помощи изоляционных штанг 15. Контактный стержень 7 движется вверх и входит в верхний розеточный контакт 21. Одновременно при включении заряжается пружина отключения, которая находится в задней части приводного механизма.
    Отключение производится также приводным механизмом под действием пружины отключения. Подвижный контакт 7 отсоединяется от розеточного контакта 21 и передвигается вниз.


    При отключении тока короткого замыкания электрическая дуга возникает между металлокерамическими элементами неподвижного розеточного контакта 21 и подвижным контактом 7. Под действием дуги происходит испарение и разложение трансформаторного масла, при этом образующиеся газы создают давление, под действием которого создается направленное движение масла к зоне горения дуги. При переходе тока через нулевое значение происходит гашение дуги.


    При проникновении парогазовой смеси из расширительной камеры 2 в маслоуказатель 5 происходит отделение масла от газов и при выравнивании давления в дугогасительной камере и в маслоуловителе масло стекает обратно в камеру.


    Конструкция полюсов для различных номинальных токов и номинальных токов отключения одна и та же, меняются лишь размеры, от которых они зависят. Исключение делает выключатель на номинальный ток 2000 А, при котором параллельно основному полюсу имеется шунтирующий полюс 8. В этом выключателе включение шунтирующего полюса, который связан с основным полюсом отключения при помощи соединительной штанги 11, производится с некоторым опозданием по отношению основного полюса. При отключении имеется обратная последовательность – шунтирующий полюс размыкается раньше основного полюса. Таким образом, силовая электрическая цепь замыкается и размыкается только отключающим основным полюсом, который вполне одинаков с полюсом на номинальный ток 1250А.

     

    5. Устройство и принцип действия пружинного привода.

     

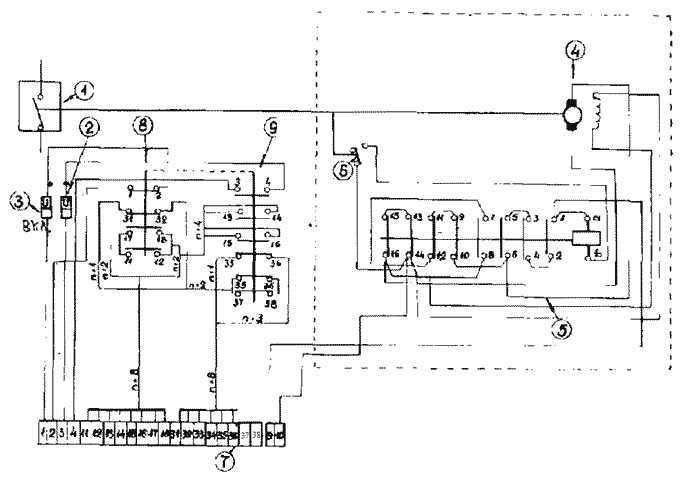
    Рис. 3. Привод ЗПМ 6000 – 9000.

    1 – Рукоятка; 2 – Пружина включения; 3 – Связь; 4 – Связь; 5 – Указатель положения пружин; 6 – Стопорный винт М 16 х 60; 7 – Звездочка; 8 – Ось; 9 – Кулачок; 10 – Рычаг включения; 11 – Ролик; 12 – Палец включения; 13 – Рычаг; 14 – Рычаг; 15 – Электромагнит включения; 16 – Электромагнит отключения; 17 – Кулачок; 18 – Рычаг главный; 19 – Ролик; 20 – Палец отключения; 21 – Винт со внутренним шестиграном М 5 х 60; 22 – Рычаг; 23 – Пружина отключения; 24 – Штанга; 25 – Рычаг междинный; 26 – Ролик; 27 – Рычаг отключения; 28 – Ролик; 29 – Палец отключения; 30 – Рычаг; 31 – 35 – Штанга; 36 – Штанга управления; 37 – Штанга; 38 – Ключ.

     

    На рис. 3 показана кинематическая схема привода типа ЗПМ 6000-9000, которая изображена при заряженных пружинах включения и отключенном положении выключателя. Основные элементы привода:

    • ось А, которая приводится во вращение рукояткой 1 или электродвигателем 40;
    • узел «кулачок» - цепная передача В, который связан с пружинами включения 2 при помощи оси 8;
    • основная ось С, которая связана с пружинами отключения 23 посредством рычага 22 и с выключателем по средством рычага 24;
    • механизм отключения D, который удерживает пружины включения в заведенном состоянии;
    • механизм включения Е, который удерживает пружины включения в заведенном состоянии;
    • электромагнит отключения F;
    • электромагнит включения G;
    • указатель положения выключателя 39;
    • редуктор Н, которым осуществляется связь А и В;
    • элементы электрической оперативной цепи: сигнальное устройство 52, микровыключатель 50, электродвигатель 40, контактор электродвигателя и клеммный ряд 53.

     

    Заводка пружин включения осуществляется при вращении оси А по направлению часовой стрелки звездочки 7, а также узел В поворачивается посредством редуктора Н в том же направлении. Ось 8, которая расположена на звездочке 7 эксцентрично, заводит пружины привода. Когда пружины включения натянуты максимально, ролик 11 рычага 10, устанавливается на палец включения 12, который застопорен рычагом 13.
    Ручная заводка осуществляется рукояткой 1. Для натяжения пружин включения, необходимо произвести примерно 20 оборотов.


    Включение можно осуществить после деблокировки механизма включения Е одним из следующих способов: посредством нажатия рукой ключа 38 и его поворачивания в направлении часовой стрелки; посредством срабатывания электромагнита включения G.
    При движении штанги 35 в левую сторону, рычаг 13 поворачивается в направлении часовой стрелки, рычаг 12 поворачивается в том же направлении, при этом узел В освобождается и под действием пружин поворачивается в направлении часовой стрелки на угол больший, чем 180°. Кулачок 17 посредством ролика 19 поворачивает ось С на 60° в направлении, обратном часовой стрелки. При этом посредством рычага 22 пружины отключения 23 заводятся и при помощи штанги 24 выключатель включается. После включения палец 20 главного рычага 18 попадает на ролик 26, который составляет общий узел с рычагом 27 и пальцем 29. Таким образом ось С застопорена во включенном положении выключателя.


    Отключение производится после освобождения механизма отключения одним из следующих способов: нажатием рукой и поворачиванием ключа 38 против часовой стрелки; посредством срабатывания электромагнита отключения F.
    После поворачивания пальца 29 по часовой стрелке в том же направлении поворачивается последовательно рычаг 27 и 25. Главный рычаг 18 освобождается и под действием пружины отключения 23 ось С поворачивается на угол 60° по часовой стрелки и выключатель отключается. Повторная заводка пружин включения осуществляется автоматически после каждого включения выключателя.
    Если выключатель находится во включенном положении и пружины включения заведены, включение ключом 38 или при помощи электромагнита включения исключено из-за того, что штанга 35 приподнята (расцеплена от механизма включения).
    Электрическая схема привода ЗПМ и ЗПР 6000-9000 показана на рисунке 8. 

    На рисунке 4 показана кинематическая схема привода ЗПМ 3000, которая изображена в положении заведенных пружин включения и при отключенном положении выключателя. Основные элементы привода:

    • ось А, которая приводится во вращение рукояткой 1 или электродвигателем 36;
    • узел «кулачок» - цепная передача В;
    • главная ось С, на которой монтированы: главный рычаг 12, имеющий возможность вращаться вокруг оси С и связанный с пружинами включения 14: рычаги 17 и 24, которые связаны неподвижно с главной осью С;
    • механизм отключения D, который удерживает выключатель во включенном положении;
    • механизм включения Е, который удерживает пружины включения в заведенном состоянии;
    • указатель положения выключателя 35;
    • электромагнит отключения F;
    • электромагнит включения G;
    • указатель положения выключателя 39;
    • редуктор Н, которым осуществляется связь А и В;
    • элементы электрической оперативной цепи: сигнальное устройство 43, микровыключатель 39, электродвигатель 40, контактор электродвигателя 37 и клеммный ряд 44.

     

    Заводка пружин включения осуществляется при вращении оси А по часовой стрелке, посредством цепной передачи приводится в движение узел В. Кулачок 9 посредством ролика 13, поворачивает рычаг 12, который натягивает пружины включения 14. Когда пружины включения заведены полностью, кулачок 9 останавливается посредством ролика 3 на палец 26. Палец 26 застопорен рычагом 27 и пальцем 28. В этом положении выключатель подготовлен к включению. Ручная заводка осуществляется рукояткой 1, имеющей ограничительный вращающий момент. Чтобы завести пружины включения, необходимо сделать примерно 6 оборотов.

    Включение выключателя АК-10 осуществляется путем поворачивания ключа 31 в направлении часовой стрелки или срабатывании электромагнита включения G перемещается штанга 29, которая освобождает последовательно палец 28, двойной рычаг 27, палец включения 26 и кулачок 9. После освобождения кулачка 9, главный рычаг 12 под действием пружин включения 14 поворачивается вокруг главной оси на 60°. При вращении рычага 12 с помощью рычага 16, соприкасающегося с роликом 19, поворачивается рычаг 17 и главная ось С. При этом выключается и заводятся пружины отключения 25. После включения палец 18 попадает на ось 40 и зацепляется роликом рычага 20, который блокирован пальцем 22. Выключается находится во включенном положении.

    Отключение производится после освобождения механизма отключения одним из следующих способов: нажатием рукой и поворачиванием ключа 38 против часовой стрелки; посредством срабатывания электромагнита отключения F.
    После поворачивания пальца 22 в направлении часовой стрелки последовательно поворачивается рычаг 20 и палец отключения 18, освобождается рычаг 17 и ось С. Пружина 25 производит отключение и приводит рычаг 24 в исходное состояние.
    Если выключатель находится во включенном положении и пружины включения заведены, включение ключом 31 или при помощи электромагнита включения исключено из-за того, что штанга 29 отклонена вправо эксцентричной муфтой 48, укрепленной на оси С.
    Электрическая схема привода ЗПМ 3000 показана на рисунке 9.

     

    6. Подготовка выключателя к вводу в работу.

    Перед вводом в работу необходимо осмотреть внимательно выключатель, чтобы установит возможные повреждения во время транспорта. Выключатели и их командные устройства должны быть хорошо вычищены и устранены недостатки упаковки. Необходимо установить, что выключатель заполнен маслом. Если по какой-либо причине масло вытекло, то полюса следует немедленно заполнить маслом.


    Заполнение маслом производится в следующем порядке: снимается пробка для масла, которая находится на верхней крышке полюсов, масло через отверстия заливается медленно. Заполнение следует остановить когда указатель маслоуказателя достигнет средней отметки. Это соответствует среднему уровню масла при температуре масла 15 °С. Изменение температуры на 5 °С соответствует изменению уровня масла приблизительно на 1,5 мм. Если налито больше масла, то его можно слить через пробку, находящуюся на нижней крышке. Если достигнут необходимый уровень масла, обе пробки должны быть хорошо закрыты. Диэлектрическая прочность масла должна быть не ниже 100 кВ/см (25 кВ/мм).


    Необходимо проверить хорошо ли укреплены все детали выключателя. Особое внимание следует обратить на то хорошо ли притянуты винтовые соединения после транспортировки. Установить междуполюсные изоляционные перегородки.


    Контактные выводы выключателя перед соединением должны быть чистыми. Выводы выключателя имеют защитное покрытие, поэтому зачистка контактных поверхностей напильником или шлифовальной шкуркой не допускается. При зачистке пользоваться растворителем. Заземления должны быть выполнены правильно. На выключателе и приводе не должно быть посторонних предметов.


    Все изоляционные части следует обтереть сухой хлопчатобумажной ветошью.
    При помощи рукоятки и электродвигателя следует завести пружины включения приводного механизма несколько раз выключатель включить и отключить посредством кнопок включения и отключения. Проверит правильность положения указателей.


    При выполнении операций включения и отключения дистанционно, проверить правильность схем управления, защит и сигнализации.


    После окончания монтажа, измерить омическое сопротивление между верхним и нижним выводами каждого полюса во включенном положении выключателя. Оно не должно превышать следующие значения для выключателей:
    АК 10/400/8 – 90 микром;
    АК 10/600/12 – 60 микром;
    АК 20/600/20 – 35 микром, при этом величина сопротивления основного отключающего полюса и добавочного полюса в отдельности не должно быть выше 60 микром.

     

    7. Техническое обслуживание выключателя.

    В процессе эксплуатации необходимо производить осмотры выключателя, текущие и капитальные ремонты.
    Осмотры производятся оперативным, оперативно-производственным персоналом согласно карты-графика. При проведении осмотра необходимо:

    1. осмотреть выключатель и убедиться в отсутствии значительных загрязнений его наружных частей, особенно изоляционных деталей;
    2. проверить уровень масла в выключателе;
    3. убедиться в отсутствии течи масла через уплотнения полюсов.

     

    Ежегодно необходимо выполнять текущий ремонт выключателя. Объем текущего ремонта:

    1. внешний осмотр выключателя с целью выявления дефектов. Проверка состояния втычных контактов, протирка изоляции;
    2. проверка состояния маслоуказателя, маслоспускных пробок. Проверка уплотнений нижней крышки и работы маслоуказателя. Регулировка уровня масла;
    3. проверка состояния контактной системы, замер переходного сопротивления. При необходимости произвести зачистку контактов;
    4. проверка состояния изоляционных штанг. Осмотр, проверка на отсутствие механических повреждений лакового покрова. Регулировка;
    5. Осмотр, очистка, смазка трущихся частей привода. Проверка на отсутствие дефектов. Мелкий ремонт привода. Регулировка;
    6. проверка состояния соединения цепей управления и контактов КСА, мелкий ремонт;
    7. опробование выключателя и привода при ручной заводке пружин привода и ручном включении и отключении МВ;
    8. в контрольном положении тележки МВ 6 кВ опробовать работу привода дистанционно, заводку пружин, проверить блокировку;
    9. оформление документации.

     

    После проведения текущего ремонта вносятся снятые характеристики выключателя в ведомость ремонта выключателя, приведенную в Приложении №1: заполняются строки №№ 3,5,10,11,12,13,14,15.
    Капитальный ремонт выключателя производится 1 раз в 6 лет для линейных присоединений, для выключателей, установленных в цепи трансформатора и СМВ – 1 раз в 8 лет. Для выключателей отработавших более 25 лет капитальный ремонт проводится 1 раз в 6 лет. Внеочередной капитальный ремонт выключателя производится после 3-х отключений токов, равных номинальному току отключения или при совершении 2000 циклов «включения-отключения» независимо от величины коммутирующих токов.

     

    Основные работы при капитальном ремонте выключателя АК-10:

    1. внешний осмотр выключателя – выявление дефектов, определение объема работ, составление дефектного акта;
    2. слив масла, проверка работы маслоуказателя;
    3. проверка состояния изолирующих штанг, межфазных перегородок – снятие, осмотр, очистка, установка;
    4. разборка полюсов, дефектация и ремонт цилиндров полюсов;
    5. проверка состояния дугогасительных камер, подвижных контактов – снятие, проверка на отсутствие трещин, сколов, очистка, промывка, ремонт, регулировка;
    6. очистка, промывка неподвижных контактов, токосъемного устройства;
    7. очистка, проверка на отсутствие трещин, следов разрядов проходных изоляторов;
    8. замена уплотнений;
    9. дефектация и ремонт деталей рамы выключателя валов, механизмов полюса, рычага вала привода, отключающей пружины, тяг;
    10. дефектация, ремонт, очистка и смазка деталей привода;
    11. ревизия (ремонт) заводного механизма, механизма включения, блок-контактов, буфера;
    12. проверка состояния блок реле токовых магнитов, первичного вала, вала ручной заводки, блок-замка, основной и дополнительной пружин включения;
    13. регулировка выключателя, измерение скоростных характеристик, переходного сопротивления и др.;
    14. покраска выключателя, восстановление надписей, расцветки фаз;
    15. оформление документации.

     

    После проведения капитального ремонта вносятся снятые характеристики выключателя в ведомость ремонта выключателя, приведенную в Приложении №1, заполняются все строки Приложения.
    Осмотр контактов производится при помощи специального ключа для контакта в следующем порядке:

    1. выключатель отключается. Сливать масла не обязательно;
    2. отвинчиваются винты крышки полюса;
    3. крышка снимается легким постукиванием и приподнимается вертикально вверх, при этом следует следить за тем, чтобы не согнулся стержень маслоуказателя;
    4. штифты рукоятки ключа вставляются в оба отверстия держателя контакта и контакт вынимается;
    5. если нужно вынуть контактные пальцы, следует нажать их к центру контакта и одновременно тянуть наружу по оси контакта. Запрещается вынимать пальцы постукиванием, так как это может привести к их повреждению;
    6. выключатель включается, специальным ключом охватывается контактная наставка. Ключ притягивается к наставке, потом она отвинчивается, вращая ключ в направлении, обратно часовой стрелки.

     

    Если контактные наставки обгорели, более указанного на рисунке 10, их нужно заменить.
    Запрещается отключение выключателя, если контактная наставка снята. При этом существует вероятность выпадения пружины, находящейся в отверстии контактного стержня, кроме того, ролики нижнего розеточного контакта могут попасть над контактным стержнем;

    1. контактная наставка притягивается к ключу и ввинчивается в контактный стержень;
    2. замена контактных пальцев розеточного контакта имеющего предохрани ильную изоляционную втулку, производится после того, как выталкивающая втулка пружина ожимается при помощи цилиндрического стержня с диаметром меньшим диаметра втулки. Пальцы вынимаются описанным выше способом:
    3. верхний контакт к крышка вставляются в их места, крышка притягивается болтами таким образом, что зазор между ней и выводом был бы приблизительно равномерным.

     

    Контактные элементы следует менять, если износ металлокерамической или медной контактной части контактных элементов не меньше износа, обозначенного на рисунке 10 черным цветом.

     

    Дугогасительное устройство

    Диски дугогасительного устройства должны быть заменены, если их износ под действием дуги достигнет 1 - 1,5 мм по сравнению с начальными размерами (увеличение отверстия диска у выключателя на номинальный ток 800 А с 22 мм на 25 мм, у выключателей на номинальный ток 1250 А и 2000 А - с 30 на 33 мм.


    За износом следует следить по изменению размеров двух верхних дисков дугогасительного устройства, которые могут быть вынуты после отвинчивания верхнего вывода.


    После замены дисков регулировка дугогасительной камеры может быть нарушена в результате производственных допусков толщины дисков. Она может быть нарушена также при замене следующих деталей: верхнего контактного вывода, держателя подвижного контакта, верхнего стеклоэпоксидного цилиндра, находящегося над камерой, и верхней крышки. Ввиду этого следует следить за тем, чтобы при проведении работ указанные детали не поменялись местами в разных полюсах.


    Диски дугогасительной камеры вынимаются следующим образом. Гаечными ключами развинчиваются на несколько оборотов гайки обоих шпилек, притягивающее фланцы, крепящие полюс к раме. выключателя, а также болты рамы, крепящие фланцы к ней. Снимается верхняя крышка, держатель верхнего розеточного контакта, цилиндр дугогасительной камеры и верхний цилиндр. Сливается масло. Диски дугогасительной камеры вынимаются вверх, передвигая их параллельно образующей цилиндра.


    Дугогасительная камера приведена на рисунке 11. В собранном виде по поверхности камеры проведена наклонная линия. В том случае, если диски поменялись местами, эта линия прерывается. Если некоторые из дисков заменены, после сборки камеры в соответствии с рисунком 11 желательно наклонную линию провести и через новые диски.


    После замены дугогасительной камеры, размеры новой определяются при первоначальной разборке выключателя.
    Монтаж дисков в выключателе производится в обратном порядке, начиная с самого нижнего диска. При этом вставляют полукруглую изоляционную направляющую, обеспечивающую, правильное положение дисков. Следует следить за тем, чтобы продувательный канал в верхнем диске остался на обратной стороне маслоуказателя, монтированного на верхнем выводе.


    После этого необходимо затянуть шпильки и болты, укрепляющие полюс к раме выключателя. При этом необходимо убедиться, что полюсы не опустились вниз (расстояние от рамы до нижнего вывода указаны в габаритных чертежах) и проверить соблюдение регулировочных данных выключателя.

     

    Регулировка выключателя

    Регулировочные данные соответствуют следующим значениям (рисунок 13):

    Тип выключателя

    А ± 0,5

    В ± 2,5

    С ± 2,5

    D ± 6,5

     

    АК 10/400/8

    155

    321

    233

    395,5

    50°

    АК 10/600/12
    АК 10/600/20

    127

    417

    287,5

    490

    55°

    полюс

    127

    417

    287,5

    490

    55°

    разъединитель

    -

    -

    120

    337,5

    -

     

    Расстояние А обеспечивается при необходимости замены привода. После его присоединения к раме, просверливаются отверстия для штифтов и вставляются штифты.
    Расстояние Б обеспечивается при монтаже полюсов к раме или если по какой либо причине оно нарушено.
    Регулировка хода подвижного контакта ( размеры С и D) производится путем изменения длины изоляционной штанги резьбовым соединением (увеличение длины соответствует уменьшению расстояния С), в пределах, указанных на рисунке 13. Размеры С и D проверяются когда сняты крышка полюса и держатель контакта. При этом в отключенном положении изоляционная штанга должна быть не натянута (в конечных положениях должен быть люфт).

     

    Измерение скорости подвижных контактов.

    Скорость подвижных контактов при включение и отключении определяются по виброграмме, снятой с помощью электромагнитного вибрографа с частотой колебаний пишущего пера 100 Гц или по осциллограмме регистратора хода подвижных контактов, снятой лучевым осциллографом.


    Движение вибрографа передается при помощи стержня диаметром 6 мм., который укреплен резьбой к одному из резервных контактных наконечников, по оси которого должна быть сделана резьба М6. Этот же наконечник может быть использован позже в выключателе, для измерения скорости может быть применен использованный наконечник, на котором должна быть нарезана та же резьба. Длина стержня должна быть выбрана с учетом расстояний С и D (рисунок 13). Неподвижная часть вибрографа укрепляется на двух болтах к верхнему выводу выключателя.


    Средняя скорость включения определяется на участке от 70 до 100 мм, от включенного положения выключателя, а средняя скорость отключения на участке спустя 35 мм., от начала движения при отключении до остановки подвижного контакта в крайнем нижнем положении. Скорости должны быть в следующих границах:

    Выключатель

    Скорость отключения, м/с

    Скорость включения, м/с

    АК 10/400/8

    4,5 – 5,3

    5,9 – 6,9

    АК 10/600/12

    4,5 – 5,3

    5,4 – 6,4

    АК 10/600/20

    4,1 – 4,9

    5,4 – 6,4

     

    Регулирование привода ЗПМ 6000 – 9000.

    Регулирование силы автоматического отключения рукоятки 1 (рисунок 3).

    Регулирование силы, при которой рукоятка отключается автоматически осуществляется путем натяжения или ослабления нажатия пружины, монтированной в ручке, при помощи пластмассовой гайки.

     

    Регулирование силы пружин включения 2.

    Если необходимо регулирование силы пружин включения, нужно развинтить стопорную гайку на винте 6 и посредством ввинчивания или отвинчивания винта достигается необходимое натяжение пружин. После этого стопорная гайка натягивается.

     

    Регулирование, момента прерывания электрической цепи электродвигателя 40

    Момент прерывания электрической цепи электродвигателя регулируется путем расслабления четырех винтов кулачок 9 и его поворота в желаемом направлении:

    1. по часовой стрелке - если нужно более ранее прерывание цепи;
    2. против часовой стрелки - если нужно более позднее прерывание цепи.

    После регулировки четыре винта снова стягиваются.

     

    Регулирование зазора штанги отключения 31

    Зазор 2-3 мм штанги отключения регулируется после расслабления контрирующих гаек.
    Штангу ввинчивают или отвинчивают до получения необходимого зазора. После этого гайки снова стягиваются.

    Регулирование привода ЗПМ 3000 (рисунок 4).

     

    Регулирование микропереключателя 39.

    Регулирование момента выключения цепи электродвигателя производится после расслабления гайки М 4. Если нужно более ранее прерывание цепи электродвигателя ролик 41 поворачивается вправо, при необходимости более позднего прерывания цепи - налево. После регулирования гайка М 4 завинчивается.

     

    Регулирование натяжения пружины включения 14

    Если нужно увеличить натяжение пружины включения, расслабляется верхняя гайка М 10 специального винта 15. Посредством двух взаимно застопоренных гаек винт ввинчивается. После этого верхняя гайка М 10 снова натягивается.

     

    Регулирование устройства включения

    Якорь электромагнита проходит расстояние 5-6 мм до начала воздействия на устройство включения.
    Регулирование этого расстояние, а также зазора (1-2 мм) между рычагом ключа 31 и штанги электромагнита включения и зазора между пальцем 30 и штангой 29 (1 - 2 мм) осуществляется путем ввинчивания или отвинчивания винта 45, что возможно после снятия стопорной гайки. После регулирования гайка снова стягивается.

     

    Регулирования устройства отключения.

    Регулирование хода якоря электромагнита F до начала воздействия на устройство отключения (5 - 6 мм) и зазора между штангой электромагнита и рычагом ключа 31 (1 - 2 мм) осуществляется с помощью винта 49.
    Зазор между штангой 47 и крючком 46 (2 + 2,5 мм) регулируется путем расслабления гаек М 5 и передвижением крючка в нужном направлении. Получив необходимый зазор гайки необходимо притянуть.

     

    Ремонт

    Ремонт отдельных узлов выключателя АК-10 производится описанным ниже способом.
    Замена изоляционного цилиндра 22 (Рисунок 2) производится после снятия крышки, верхнего неподвижного контакта, верхнего вывода и дугогасительной камеры. Ключом для цилиндра отвинчиваются болты, стягивающие цилиндр к металлическому картеру и цилиндр снимается.
    До монтажа цилиндра вставятся в нем металлический перстень для крепления цилиндра. Верхний вывод навинчивается и притягивается при помощи резинового или деревянного молотка. Цилиндр присоединяется к металлическому картеру болтами при помощи ключа для цилиндра, не притягивая болты, Поворачивая цилиндр относительно металлического перстня верхний вывод приводится на одну вертикальную линию с нижним выводом. Болты стягиваются, после чего отвинчивается верхним вывод.

     

    Ремонт привода ЗПМ 6000 – 9000

    Перед проведением любого ремонта привода необходимо снять переднюю крышку. Для этого нужно отвинтить 4 винта М 6. Для более крупного ремонта нужно снять еще верхнюю и нижнюю крышку, путем отвинчивания двух болтов М 6 х 35 и двух болтов М 6 х 25. Этим самым делаются доступными все детали привода.

     

    Пружины включения

    Разборка пружин включения 2 проводится если они не заведены, а включатель находится в отключенном положении.
    Отвинчивается болт М 6 и снимается указатель положения 5. После этого снимаются охранное пружинное кольцо для вала Ø 25 и шайбы с оси 8, а также охранное кольцо для вала Ø 25, находящееся на оси 54 впереди связкой 3. Болт 6 отвинчивается до конца. Пружины снимаются постепенно и равномерно с обеих сторон с осей 54 и 8. Необходима осторожность и из-за предварительного натяжения пружин.
    Сборка пружин включения привода осуществляется после снятия пружины отключения 23 и штанги к выключателю 24 . Узел В поворачивается рукояткой 1 вручную на один оборот пока ось 8 не займет ближайшее положение к оси 54. При этом положении комплект пружин включения прикрепляется к осям 8 и 54. Вставляются шайбы и пружинные кольца для вала. Стопорный винт ввинчивается до его начального положения. Вставляется пружина отключения 23 и предавательная штанга 24.

     

    Редукторы

    Производится снятие цепи 49.
    Отвинчиваются два винта М 10 и пять винтов М 12.
    Снимаются редуктор 42 и редуктор 43. Крышка редуктора 48 снимается путем отвинчивания четырех винтов М 5.
    Для снятия крышки редуктора 42 выбивается пружинный штифт Ø5, вынимается звездочка и отвинчивается три болта М5.

     

    Разборка узлов, находящихся между передней и задней плитами привода.

    Если нужно снять главный рычаг 18, звездочку 7, рычаг включения 10, кулачок 17, необходимо отключить оперативное напряжение и для освобождения пружин произвести вручную операции "отключение" - "включение" - "отключение".
    После этого следует демонтировать сигнальное устройство и клеммный ряд 52 и 53 путем отвинчивания двух болтов М 8 и контактора 51 - путем отвинчивания двух винтов М 4.
    Снимаются следующие детали: штанга 24, пружины включения 2, пружины отключения 23, электрические провода к электромагнитам включения и отключения, цепь 49, штанга 32, штанга 33.
    Отвинчиваются: три гайки М 16 на дистанционных шпильках крепящих плиты привода, винты с редуктора 43: один винт М 8 и два винта М 10, четыре винта М 12 связывающих держатель с передней плитой, один винт М 6 х 20 для снятия рычага 55.
    После этих предварительных операций двумя работниками передняя плита снимается легким равномерным постукиванием вместе с кулачком 17 и звездочкой 7.
    Сборка производится в обратном порядке.

     

    Ремонт привода ЗПМ – 3000.

    Перед началом любого ремонта привода необходимо снять обе крышки путем отвинчивания четырех винтов М 8 и освобождения пружин отключения от натяжения.

     

    Редуктор

    Электродвигатель отсоединяется от проводов. Отвинчиваются 3 винта М 5 и один М 8. 0твинчивается также 3 направляющие, следя за тем, чтобы не разместились подставленные шайбы. После этого редуктор 38 отсоединяется от пружины 4 и вынимается.
    После отвинчивается четырех винтов М 4 снимается крышка редуктора. Снимается штифт шестерни, ее ось и сама шестерня. Червяк вынимается, после снятия штифта от оси электродвигателя. При этом положении возможно снятие электродвигателя путем отвинчивания трех винтов М 5, находящихся в червячной коробке.
    Сборка производится в обратном порядке.

     

    Ось А

    Снятие оси А производится путем снятия редуктора 38. Снимается охранное пружина Ø20, после этого ось вынимается к задней плите привода.

     

    Узел кулачок - звездочка В

    Снимается цепь 7 через отверстие Ø 20, находящееся на задней плите вынимается охранное кольцо для отверстия Ø 15, которое находится на средней плите и поддерживает узел. Ось вынимается в сторону задней плиты, при этом необходимо снять винт со скрытой головкой, находящийся на передней плите на одной оси с осью узла, и через образовавшееся отверстие выбить ось узла в сторону задней плиты.
    Сборка производится в обратном порядке.

     

    Главная ось С

    Снимаются пружины включения 14, пружины отключения 25 и рассоединяется предавательная штанга к выключателю.
    Выбивается пружинный штифт Ø 5 на муфте 48. Выбивается конический штифт Ø 10 х 60 рычага 17. Указатель положения 35 вынимается и путем легкого постукивания подходящим инструментом, выбивается назад ось С.
    Сборка осуществляется в обратном порядке.

     

    8. Меры безопасности при эксплуатации выключателя.

    При монтаже, наладочных испытаниях, осмотрах, ремонтах и эксплуатации выключателя соблюдать "Правила технической эксплуатации электроустановок», «Правила безопасной эксплуатации электроустановок" и дополнительные требования, предусмотренные настоящим разделом инструкции.
    Раму выключателя АК-10 надежно заземлять. Силовую цепь привода защищать соответствующими предохранителями.


    При осмотре выключателя в рабочем положении выкатной части шкафа КРУ помнить, что полюсы находятся под высоким напряжением. Запрещается с помощью инструмента или каких-либо предметов проникать за вертикальную металлическую перегородку.


    Контрольно-профилактические работы производить только при отсутствии напряжения на обоих выводах выключателя.
    Не разрешается проводить какую-либо работу по приводу выключателя при заведенных пружинах включения, при включенном выключателе или в случае наличия напряжения на электродвигателе и оперативных электрических цепях.


    Выполнять все требования техники безопасности согласно инструкции по эксплуатации шкафов КРУ.

    Приложение №1

     

    Характеристики выключателя типа АК–10.

     

    № п/п

    Характеристика выключателя

    норма

    Дата проведения ремонта.

     

     

     

     

     

     

     

    1

    Скорость движения контактных стержней при отключении, м/с:

    • АК 10/400/8
    • АК 10/600/12
    • АК 10/600/20

     

    4,9±0,4
    4,9±0,4
    4,5±0,4

     

     

     

     

     

     

     

    2

    Скорость движения контактных стержней при включении, м/с:

    • АК 10/400/8
    • АК 10/600/12
    • АК 10/600/20

     

    6,4±0,5
    5,9±0,5
    5,9±0,5

     

     

     

     

     

     

     

    3

    Полное сопротивление токопровода выключателя, мкОм, не более

    • АК 10/400/8
    • АК 10/600/12
    • АК 10/600/20

     

     

    90
    60
    35

     

     

     

     

     

     

     

    4

    Отверстие диска дугогасительного устройства, мм, не более

    • АК 10/400/8
    • АК 10/600/12, АК 10/600/20

     

    25
    33

     

     

     

     

     

     

     

    5

    Сигнальное устройство:

    • ход, мм
    • контактный провал, мм

     

    13
    5,5±0,5

     

     

     

     

     

     

     

    6

    Расстояние между главной осью и передавательной осью, мм:

    • АК 10/400/8
    • АК 10/600/12, АК 10/600/20

     

    155±0,5
    127±0,5

     

     

     

     

     

     

     

    7

    Расстояние между передавательной осью и командной осью, мм:

    • АК 10/400/8
    • АК 10/600/12, АК 10/600/20

     

     

    321±2,5
    417±2,5

     

     

     

     

     

     

     

    8

    Расстояние между верхним токосъемом и свечей во включенном положении, мм:

    • АК 10/400/8
    • АК 10/600/12, АК 10/600/20

     

     

    233±2,5
    287,5±2,5

     

     

     

     

     

     

     

    9

    Расстояние между верхним токосъемом и свечей в отключенном положении, мм:

    • АК 10/400/8
    • АК 10/600/12, АК 10/600/20

     

     

    395,5±6,5
    490±6,5

     

     

     

     

     

     

     

    10

    Зазор между рычагом ключа отключения-включения и штанги электромагнита включения, мм

     

     

    1,5±0,5

     

     

     

     

     

     

     

     

    № п/п

    Характеристика выключателя

    норма

    Дата проведения ремонта.

     

     

     

     

     

     

     

    11

    Зазор между пальцем отключения и штангой отключения, мм:

     

    1,5±0,5

     

     

     

     

     

     

     

    12

    Ход якоря электромагнита отключения до начала воздействия на устройство отключения, мм:

     

     

    5,5±0,5

     

     

     

     

     

     

     

    13

    Зазор между штангой электромагнита отключения и рычагом ключа отключения-включения, мм

     

     

    1,5±0,5

     

     

     

     

     

     

     

    14

    Зазор между штангой электромагнита отключения и крючком (снизу), мм:

     

    2+2,5

     

     

     

     

     

     

     

    15

    Подпись руководителя ремонта

     

     

     

     

     

     

     

     

     

     

     


     

     

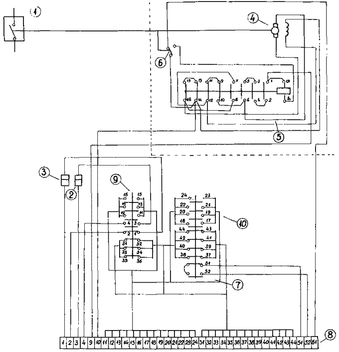
    Рисунок 8 . ЭЛЕКТРИЧЕСКАЯ СХЕМА ЗПМ 6000-9000.

    1. Выключатель.
    2. Электромагнит отключения.
    3. Электромагнит включения.
    4. Электродвигатель
    5. Контактор.
    6. Микропереключатель.
    7. Моментный переключатель.
    8.Клеммный ряд.
    9, 10. Сигнальное устройство

    Выключатель отключен, пружины включения заведены.

     

     


     

     

    Рисунок 9. ЭЛЕКТРИЧЕСКАЯ СХЕМА ЗПМ 3000.

    1. Выключатель.
    2. Электромагнит отключения.
    3. Электромагнит включения.
    4. Электродвигатель
    5. Контактор.
    6. Микропереключатель.
    7. Моментный переключатель.
    8.Клеммный ряд.
    9, 10. Сигнальное устройство

    Выключатель отключен, пружины включения заведены.

     

Продолжая пользоваться сайтом, Вы соглашаетесь на обработку файлов cookie в соответствии с пользовательским соглашением и политикой конфиденциальности
Нужен кабель? Оформи заявку бесплатно