Техническое обслуживание щитов постоянного тока

    07.07.2010

    Электрические сети

    Служба подстанций

    ИНСТРУКЦИЯ

    по техническому обслуживанию щитов постоянного (оперативного) тока

     

    С О Д ЕРЖАНИЕ

     

    Нормативные ссылки.

    1

    Потребители оперативного тока

    2

    Источники и сети постоянного оперативного тока

    3

    Источники и сети переменного и выпрямленного оперативного тока

    4

    Распределение оперативного тока на подстанциях

    5

    Обслуживание источников и сети оперативного тока

    6

    Меры безопасности

    Знание настоящей инструкции обязательно для:

    1. Начальника, мастера группы ПС.

    2. Оперативного и оперативно – производственного персонала групп ПС.

    Настоящая инструкция составлена на основании действующих:
    ГКД 34.20.507—2003 Техническая эксплуатация электрических станций и сетей. Правила. Правила устройства электроустановок (ПУЭ), изд. 6-е, переработанное и дополненное — Г.: Энергоатомиздат, 1987; ДНАОП 1.1.10-1.01-97 Правила безопасной эксплуатации электроустановок; ГКД 34.20.302-2002 „Нормы испытания электрооборудования”.

     

    1. Потребители оперативного тока.

    Для питания приборов и аппаратов управления, сигнализации, защиты, автоматики, телемеханики и связи применяют так называемый оперативный ток. Он может быть постоянным, выпрямленным и переменным напряжением 24, 36, 48, 110, 220 В. Оперативный постоянный ток применяется на подстанциях 330 кВ и выше, подстанциях 110 – 220 кВ с числом выключателей три и более и на всех подстанциях с воздушными выключателями, синхронными компенсаторами и принудительной системой охлаждения трансформаторов. На подстанциях с оперативным постоянным током для повышения надежности на менее ответственных присоединениях (компрессорные, насосные, блокировка разъединителей и т. д.) одновременно используется также переменный и выпрямленный ток. В ряде случаев вторичные устройства питаются от первичной сети, если установка аккумуляторных батарей нецелесообразна.
    Система оперативного тока состоит из источников питания и распределительной сети, от которой питаются ее потребители. Потребителей оперативного постоянного тока условно можно подразделить на следующие группы:

    • постоянно включенные потребители, в том числе устройства сигнализации (сигнальные лампы, указатели положения разъединителей), постоянно обтекаемые током реле, некоторые светильники аварийного освещения, получающие питание от аккумуляторных батарей в нормальных условиях, и др.;
    • потребители, включаемые в работу при исчезновении напряжения в сети переменного тока: светильники аварийного освещения, которые в обычных условиях питаются от сети переменного тока; масляные насосы синхронных компенсаторов; электродвигатели резервных агрегатов связи;
    • потребители, включаемые кратковременно; приводы выключателей, разъединителей, отделителей, короткозамыкателей, обмотки автоматических выключателей и контакторов, блокировочные устройства и др. Токи, потребляемые различными аппаратами, существенно различаются по своему значению. Например, ток указательного реле РУ 21/0,01 составляет 0,01 А, а ток включения привода ШПЭ-42 масляного выключателя MKП-220 доходит до 720 А и т. д.

     

    2. Источники и сети постоянного оперативного тока

    На подстанциях для питания оперативных цепей постоянного тока используются, как правило, кислотные аккумуляторные батареи. Стационарные аккумуляторные батареи составляют из отдельных аккумуляторов, обычно соединенных последовательно.
    Аккумулятором называют вторичный химический источник тока, работа которого заключается в накоплении электрической энергии (заряд) и отдаче этой энергии потребителю (разряд).
    Аккумулятор характеризуется емкостью, ЭДС, зарядным и разрядным токами. Номинальной емкостью аккумулятора (в ампер-часах) является его емкость при 10-часовом разряде и нормальной температуре (25 °С) и плотности (1,21 г/см3) электролита.
    На небольших подстанциях при отсутствии значительных толчковых нагрузок и резких колебаний в сети оперативного тока (при включении выключателей и т. д.) применяют переносные стартерные аккумуляторные батареи небольшой емкости напряжением 24 и 48 В.
    Аккумуляторные батареи являются наиболее надежным источником питания вторичных устройств, так как они обеспечивают независимое (автономное) питание оперативных цепей при исчезновении напряжения переменного тока.
    В аварийном режиме батареи принимают нагрузку всех электроприемников постоянного тока, обеспечивая действие релейной защиты и автоматики, а также возможность включения и отключения выключателей. Предельная продолжительность аварийного режима принимается равной 0,5 ч для всех электроприемников и цепей оперативного постоянного тока, а для средств связи и телемеханики 1 – 2 ч. Таким образом, обеспечивается наличие оперативного тока в течение времени, необходимого для ликвидации аварии (0,5 – 2,0ч).
    Применение аккумуляторных батарей ограничено из-за их высокой стоимости и сложности эксплуатации. Поэтому они устанавливаются на наиболее крупных подстанциях.
    В настоящее время для заряда аккумуляторов используют статические выпрямительные устройства, называемые зарядными агрегатами. На старых подстанциях пока продолжает эксплуатироваться значительное количество двигателей-генераторов.
    При эксплуатации электрическая энергия, накопленная в аккумуляторе, непрерывно расходуется. Для ее пополнения служат подзарядные агрегаты, в качестве которых также могут быть использованы двигатели-генераторы и статические выпрямительные устройства. Мощность подзарядных агрегатов обычно составляет 20—25 % мощности зарядных агрегатов. В ряде случаев один и тот же агрегат может выполнять функции зарядного и подзарядного агрегата.
    Двигатели-генераторы состоят из приводного асинхронного электродвигателя и генератора постоянного тока с параллельным возбуждением. Обе машины устанавливаются на одной раме, а их валы соединяются эластичной муфтой. При заряде аккумуляторной батареи напряжение генератора зарядного агрегата должно изменяться, поэтому генератор постоянного тока выбирают с регулированием напряжения в широких пределах путем изменения его возбуждения шунтовым реостатом. В качестве статических зарядных и подзарядных агрегатов широко используются кремниевые выпрямительные устройства.
    В отличие от двигателя-генератора статические выпрямительные устройства дешевле, не имеют движущихся частей, более удобны в обслуживании, имеют большой срок службы и большую перегрузочную способность и поэтому наиболее распространены.
    Распределение постоянного тока, связь зарядных и подзарядно-зарядных агрегатов с аккумуляторной батареей осуществляется через щиты постоянного тока (ЩПТ), на которых размещаются коммутационная аппаратура и контрольно-измерительные приборы. Для удобства действий дежурного персонала на ЩПТ наносятся мнемонические схемы постоянного тока. Аккумуляторные батареи, ЩПТ, зарядные и подзарядные агрегаты, электроприемники постоянного тока связаны между собой кабельными линиями, а в отдельных случаях шинопроводами. В совокупности они образуют схему электрических соединений сети постоянного тока.
    На подстанциях аккумуляторные батареи обычно работают в режиме постоянного подзаряда. В этом случае подзарядный агрегат, оснащенный устройством стабилизация напряжения (с точностью ±2 %), все время питает постоянно включенные электроприемники сети оперативного тока (сигнальные лампы, обмотки реле, контакторов), а также подзаряжает аккумуляторную батарею, компенсируя ее саморазряд. Вследствие этого аккумуляторная батарея все время полностью заряжена. Кратковременные толчки нагрузки воспринимаются в основном батареей.
    В установках, где для включения мощных электромагнитов масляных выключателей требуется повышенное напряжение, устанавливают дополнительные элементы. Батареи с дополнительными элементами состоят из 120, 128, 140 элементов вместо 108. В таких случаях схема несколько изменяется. Чтобы предотвратить сульфатацию пластин дополнительных элементов, между отрицательным полюсом и ответвлениями от 108-го элемента включается регулируемый резистор, с помощью которого создается ток разряда, равный току разряда основных элементов, либо включается подзарядный выпрямитель. Таким образом, обеспечиваются одинаковые условия работы основных и дополнительных элементов и исключается возможность глубоких зарядов и разрядов, что предотвращает сульфатацию и увеличивает срок службы аккумуляторов. В режиме постоянного подзаряда батарея всегда находится в заряженном состоянии и готова к питанию потребителей постоянным током.
    Для поддержания стабильного уровня напряжения батареи во всех режимах на сборных шинах щита постоянного тока ЩПТ в схемах батарей, работающих по методу заряд—разряд, предусматривается элементный коммутатор, служащий для изменения числа аккумуляторов, подключенных к сборным шинам установки или к зарядному агрегату.

     

    3. Источники и сети переменного и выпрямленного оперативного тока

    Для снижения стоимости электрооборудования и упрощения его эксплуатации на подстанциях до 110 кВ применяют оперативный переменный и выпрямленный ток. В качестве источников оперативного переменного тока используют обычные или специально выделенные трансформаторы собственных нужд небольшой мощности, а также измерительные трансформаторы тока и напряжения.
    Питание цепей управления и сигнализации может осуществляться от сети собственных нужд подстанции или от специальных силовых трансформаторов небольшой мощности, подключенных к шинам 6 или 10 кВ со стороны питания (до выключателей). Источники переменного и выпрямленного тока в отличие от аккумуляторов не являются автономными, поскольку их работа возможна только при наличии напряжения в сети. Поэтому к схемам питания предъявляют особые требования, направленные на повышение надежности их работы: оперативные цепи должны питаться не менее чем от двух трансформаторов; напряжение во вторичных цепях должно быть стабилизировано; вторичные цепи должны быть отделены от цепей с. н.
    Питание наиболее ответственных электроприемников оперативного тока должно обеспечиваться устройствами автоматического включения резервного питания (АВР). На рисунке 1 показана схема питания оперативных цепей переменным током от двух трансформаторов с. н. ТСН 1 и ТСН 2.

     

    Рисунок №1. Схема питания оперативных цепей на переменном токе.

    Наиболее ответственные электроприемники выделены на особые шины ШОП, которые питаются через блок автоматического включения резервного питания (АВР). Шины управления ШУ и сигнализации ШС питаются от шин ШОП через стабилизаторы СТ1, СТ2, чтобы колебания напряжения в цепях с. н. меньше влияли на работу схем управления и сигнализации. Питание электромагнитов включения масляных выключателей осуществляется от выпрямительных устройств ВУ1 и ВУЗ, которые подключены к разным секциям щита с. н. На стороне выпрямленного напряжения ВУ1 и ВУ2 работают на общие шины. Если в установке применены выключатели с пружинными приводами (ПП-67 и т. п.), работающими на переменном токе, схема соответственно изменяется: выпрямительные устройства исключаются, питание электромагнитов включения осуществляется от шин ШУ, так как электромагниты включения таких приводов не требуют большой мощности, ибо включение производится заранее заведенными пружинами привода.
    В качестве источников переменного оперативного тока и для питания переменным током выпрямительных блоков в системах выпрямленного оперативного тока используются также измерительные трансформаторы тока (ТТ) и напряжения (ТН).
    Ко вторичной обмотке ТТ может быть подключено последовательно несколько приборов и реле.
    Погрешность ТТ и значение их вторичной нагрузки тесно связаны между собой. С увеличением нагрузки погрешность ТТ возрастает, поэтому вторичная нагрузка для ТТ не должна превышать допустимую, при которой обеспечивается соответствующий класс точности.
    Особенность работы ТТ, питающих цепи оперативного тока через выпрямительные устройства, заключается в том, что их нагрузка в этом режиме, значительно больше, чем при питании только цепей защиты и измерения. Поэтому сердечники ТТ работают в режиме насыщения, что ухудшает тепловой режим работы.
    В ряде случаев ТТ используют только в качестве источников оперативного тока, например, когда они питают токовые блоки БПТ. В этих случаях к точности ТТ не предъявляется высоких требований, в то же время отдаваемая трансформаторами мощность должна быть достаточной для работы вторичных устройств, питающихся выпрямленным током.
    Вторичные цепи ТН должны выполняться так, чтобы потери напряжения до панелей защит, автоматики и измерительных приборов находились в пределах от 1,5 до 3 %, а до расчетных счетчиков активной и реактивной энергии не более 0,5 %. Так же как и в трансформаторах тока, класс точности ТН зависит от нагрузки вторичных цепей.
    Однако ТН могут работать и с большими нагрузками, чем приведенные, но в этом случае нагрузка должна быть ограничена таким образом, чтобы погрешность ТН не приводила к неправильной работе релейной защиты и автоматики. Обычно ТН, питающие только цепи релейной защиты и автоматики, работают в классе точности 3.
    В качестве источников выпрямленного постоянного тока применяются различные полупроводниковые выпрямительные устройства и специальные блоки питания. Источники выпрямленного тока можно разделить на три основные группы: источники, служащие для заряда и подзаряда аккумуляторных батарей; источники оперативного тока, питающие цепи управления и сигнализации; источники, предназначенные для питания электромагнитов включения масляных выключателей. К источникам выпрямленного тока следует также отнести предварительно заряженные конденсаторы, поскольку они заряжаются через выпрямители, питаемые от источников переменного тока.
    Для заряда и подзаряда аккумуляторных батарей используют выпрямительные устройства: ВАЗП, РТАБ-4, ВАЗ, ВСС, ВСА, ВУ и др.
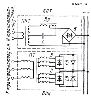
    Для питания оперативных цепей служат токовые блоки (БПТ) и блоки напряжения (БПН).
    Блоки БПТ (рисунок 2) состоят из промежуточного насыщающегося трансформатора ПНТ, выпрямительного моста В, а также вспомогательных элементов: дросселя Др и конденсатора С, включенных в схему для стабилизации выходного напряжения.
    Блоки БПН состоят из промежуточного трансформатора ПТ, выпрямительного моста В, селенового выпрямителя СВ и некоторых других элементов.
    Блоки БПТ получают питание от ТТ, а БПН — от ТН или трансформаторов с. н. Блоки БПТ и БПН или несколько блоков БПТ и БПН работают обычно на общие шины выпрямленного напряжения. Характерное отличие блоков БПТ и БПН состоит в том, что блоки БПН обеспечивают питанием оперативные цепи в нормальных условиях работы, когда на подстанции заведомо имеется напряжение, а блоки БПТ — в режимах КЗ, когда блоки БПН не могут обеспечить питание вторичных устройств из-за большого снижения напряжения в первичных цепях.

     

    Рисунок №2. Принципиальная схема блоков питания БПТ-1002 и БПН-1002.

     

    Отечественная промышленность выпускает разнообразные блоки питания, отличающиеся друг от друга техническими характеристиками, в том числе БПТ-1002 и БПН-1002.
    Блоки БПТ-1002 и БПН-1002 предназначены для питания выпрямленным током аппаратуры релейных защит, сигнализации и управления на напряжении 110 или 220 В. Выдаваемая блоками мощность в кратковременном режиме составляет 1500 Вт, в длительном — около 700 Вт. Блоки БПТ получают питание от ТТ, использование которых для других целей не допускается. Напряжение на выходе блоков БПН, так же как магнитодвижущая сила (МДС) блоков БПТ, зависит от нагрузки вторичных цепей. С увеличением нагрузки напряжение и МДС несколько уменьшаются. Чтобы уменьшить влияние колебаний напряжения в первичной цепи на выпрямленное напряжение во вторичной цепи (на выходе блока БПН), у блоков питания перед входом включаются ферро-резонансные стабилизаторы, которые поддерживают напряжение в пределах 100—80 % номинального при снижении напряжения на стороне питания до 60 %. Благодаря этому выпрямленное выходное напряжение блоков питания мало зависит от колебаний напряжения в первичных цепях. Промышленностью выпускаются стабилизированные блоки типа БПНС-1, которые обеспечивают поддержание выходного напряжения в пределах 85 – 110% при колебании входного напряжения в пределах 50 – 110% номинального. Длительная выходная мощность блока составляет 650 Вт, а кратковременная (в течение 1 с) — 1500 Вт.
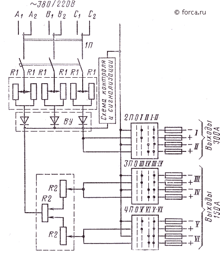
    В качестве источников питания электромагнитов включения масляных выключателей на подстанциях при отсутствии на них аккумуляторных батарей или при недостаточной мощности последних применяются выпрямительные вентили. Примером таких блоков служат блоки питания: БПРУ-66/380, предназначенный для преобразования трехфазного тока 380 В с заземленной нейтралью, БПРУ-66/220 для преобразования трехфазного тока 220 В в постоянный (выпрямленный) ток. В состав блоков входят выпрямительные и распределительные устройства, регулировочные резисторы, а также схема контроля и сигнализации.

     

    Рисунок №3. Принципиальная упрощенная схема блока БПРУ-66.

     

    Блоки отличаются друг от друга схемами выпрямительных устройств. В блоке БПРУ-66/380 (рисунок 3) применена трехфазная схема с нейтралью. Схема блока БПРУ-66/220 аналогична, но в ней применена трехфазная мостовая схема выпрямления. Оба блока работают в импульсном режиме, длительность импульса 1 с. Максимальное значение выпрямленного тока в импульсе 300 А, максимальная импульсная мощность 66 кВт, номинальное выпрямленное напряжение 220 В.
    Ток на выходе блоков БПРУ регулируется резисторами переменного сопротивления в цепях переменного R1 и постоянного R2 тока в диапазоне: 55—150 и 150—300 А. Блоки имеют по два выхода до 300 А (I к II) и по четыре выхода до 150 А (III - IV).
    Предварительно заряженные конденсаторы используются для однократного кратковременного действия аппаратов, потребляющих небольшую мощность, примерно 200 Вт. К таким аппаратам относятся обмотки электромагнитов отключения выключателей и отделителей, различных реле и т. п. Предварительно заряженные конденсаторы находят широкое применение в схемах автоматического повторного включения (АПВ), минимальных защит напряжения электродвигателей высокого напряжения.

     

    Рисунок №4. Схема конденсаторного источника питания.

     

    Для заряда конденсаторов применяются зарядные выпрямительные устройства, например У3-401, в качестве предварительно заряженных конденсаторов — блоки конденсаторов БК-400, БК-401, БК-402, а также блоки БПЗ-401 и БПЗ-402, которые содержат в себе зарядное устройство и блок конденсаторов. На рисунке 4 показана упрощенная схема источника выпрямленного тока, основными частями которого являются устройство УЗ-401 и блок БК-401 емкостью 40 мкФ. Зарядное устройство состоит из трансформатора напряжения ТН, выпрямителя (диода) Д1 с уравнительными резисторами Rу, схемы контроля наличия напряжения на вводе устройства (реле РН и РП), конденсатора С1, резистора R и дополнительного резистора Rд и конденсатора Сд. Блок конденсатора состоит из диодов Д2 и металлобумажного конденсатора С2.
    Комбинированные устройства питания цепей оперативного постоянного тока применяются на подстанциях наряду с описанными выше устройствами питания постоянного, переменного и выпрямленного тока. В комбинированных устройствах питание электромагнитов включения выключателей осуществляется от трансформаторов с. н. через выпрямители, а цепей управления, защиты и автоматики — от небольшой герметичной аккумуляторной батареи с автоматическим подзарядом от выпрямительных устройств. К числу таких устройств относятся комплектные устройства оперативного тока (ШУОТ).

     

    Рисунок №5. Схема питания оперативных цепей выпрямленным током.

     

    Пример питания оперативных цепей с использованием блоков питания показан на рисунке 5. Особенностью этих схем является обеспечение резервирования без АВР, поскольку блоки БПТ и БПН, а также зарядные устройства блоков конденсаторов и выпрямительные устройства работают параллельно на сторонах выпрямленного напряжения. При этом резервирование осуществляется мгновенно без перерыва питания.

     

    4. Распределение оперативного тока на подстанциях

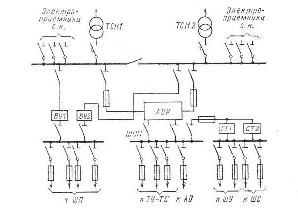
    На рисунке №6 представлена возможная схема распределения постоянного тока на подстанциях 110 кВ и выше. Из схемы видно, что управление электрооборудованием осуществляется главным образом с главного щита управления ГЩУ и часто с местных щитов управления (например, из помещения вспомогательных устройств СК), с панелей КРУ. В ряде случаев щиты постоянного и переменного тока с. н. размещают вблизи аккумуляторных батарей и их зарядных агрегатов. Оперативные цепи, будучи взаимосвязанными, практически охватывают собою все основные производственные звенья подстанции.
    Источником питания электроприемников постоянного тока, показанных на рис. 6, является аккумуляторная батарея, подключенная к главным силовым шинам щита постоянного тока ЩПТ. От этих шин подается постоянный ток в КРУ, на шинки питания + ШП и – ШП электромагнитов включения масляных выключателей.

     

    Рисунок №6.
    Схема распределения постоянного тока на подстанциях 110 кВ и выше.

     

    На щите постоянного тока создается секционированная система оперативных шинок. От этих шинок питаются шинки управления +ШУ, – ШУ, +ШУ (через переключатель) и (+) ШМ — мигающий плюс, шинки сигнализации + ШС, —ШС, (+) ШМ щита управления. Шинки разделены рубильниками на две секции, нормально находящиеся под напряжением, одна из них в работе, другая в резерве. При исчезновении напряжения на одной из них персонал вручную производит переключение.
    Шинки управления служат для питания цепей управления, автоматики и защиты всех элементов подстанции, управляемых со щита управления. От шинок управления постоянный оперативный ток через автоматические выключатели поступает в цепи управления и защиты отдельных присоединений. От шинок сигнализации через автоматические выключатели питаются общие цепи центральной сигнализации и участковые шинки сигнализации.
    Питание ламп сигнализации положения выключателей, управляемых с ЩУ и непосредственно из КРУ 6 (10) кВ, осуществляется от мигающего плюса + ШСIV.
    Взаимное расположение полюсов в пределах помещения ЩПТ должно быть одинаковым. Шины положительного полюса (+) красятся красным цветом, отрицательного (—) — синим, нулевая – голубым. Цветное обозначение должно быть выполнено по всей длине шин. Все металлические части ЩПТ и вспомогательного оборудования должны быть выкрашены или иметь другое антикоррозионное покрытие.
    Оборудование ЩПТ должно иметь четкие надписи, которые указывают назначения отдельных цепей и панелей. Надписи должны выполняться на лицевой стороне устройств, а в случае обслуживания с двух сторон — также на задней стороне устройства.
    Секция шин ЩПТ должна быть оборудована устройством контроля изоляции, устройством контроля напряжения, сигнализацией отключения АБ от ЩПТ. Для автоматической поддержки напряжения на сборных шинах ЩПТ предусматривается установка регуляторов напряжения.
    Во всех цепях, отходящих от шин ЩПТ, устанавливаются предохранители. В цепях АБ, зарядных агрегатов аварийного освещения, аварийных маслонасосов устанавливаются выключатели (автоматы).
    Для нормальной работы защит должна быть обеспечена селективность работы максимальной токовой защиты вводов питания ЩПТ с защитами, выполненными расцепителями максимального тока автоматических выключателей и предохранителями, которые установлены на присоединениях, отходящих от ЩПТ.
    Распределение оперативного переменного и выпрямленного токов структурно осуществляется примерно так же, как это показано на рис. 6.
    Помещение ЩПТ должно быть закрыто на замок. Ключи хранятся на щите управления и выдаются лицам, обслуживающим ЩПТ, оперативному, оперативно-производственному персоналу и лицам, которые имеют право единоличного осмотра.

     

    5. Обслуживание источников и сети оперативного тока.

    Важное значение имеет обслуживание источников оперативного тока, особенно аккумуляторных батарей. Надежность их работы в значительной мере зависит от состояния помещений, в которых батареи размещаются, и от систематического и строгого выполнения всех правил по их эксплуатации.
    Регламентные работы по обслуживанию и ремонту аккумуляторных батарей подстанций проводить в строгом соответствии с ОНД 34.50.501-2003. Эксплуатация стационарных свинцово-кислотных аккумуляторных батарей - Утв. приказом №755 Минтопэнерго Украины от 16.12.2003; ГКД 34.20.507—2003 Техническая эксплуатация электрических станций и сетей. Правила.— Утв. приказом № 296 Минтопэнерго Украины от 13.06.2003; Правила устройства электроустановок (ПУЭ), изд. 6-е, перераб. и доп. — Г.: Энергоатомиздат, 1987; ДНАОП 1.1.10-1.01-97 Правила безопасной эксплуатации электроустановок, второе издание - Утв. приказом №26 Минтопэнерго Украины от 25.02.2000 и разработанной по электрическим сетям «Инструкции по эксплуатации стационарный свинцово-кислотных аккумуляторных батарей» утвержденной 02.07.2004г.
    На работу аккумуляторных батарей оказывает влияние состояние зарядных и подзарядных агрегатов (ВАЗП, РТАБ и др.), которые должны поддерживаться в период эксплуатации в работоспособном состоянии и быть готовыми к включению в работу. Эксплуатационное обслуживание этих устройств предусматривает: регулирование напряжения и тока в соответствии с режимом заряда и разряда аккумуляторных батарей; контроль за работой устройства по установленным приборам и сигнальной аппаратуре; замену перегоревших предохранителей и ламп; удаление пыли с внешних поверхностей устройства; контроль за работой контактов реле, контакторов и т. п.
    Эксплуатация источников выпрямленного тока (выпрямительных устройств, блоков питания, стабилизаторов) заключается во внешнем осмотре, очистке корпуса и аппаратуры от пыли, выявлении дефектов, контроле нагрузки по приборам, в надзоре за нагревом и охлаждением аппаратов. Кроме того, следует контролировать загрузку феррорезонансных стабилизаторов (С-0,9 и им подобных), так как при малой загрузке эти устройства не обеспечивают стабильного напряжения на выходе.
    Имея в виду, что выпрямительные блоки не являются автономными источниками оперативного тока и их работа возможна только при наличии напряжения в цепях переменного тока, особое внимание при их эксплуатации обращают на исправность блоков АВР, автоматических выключателей, контакторов, реле и другой аппаратуры, обеспечивающих надежность питания выпрямительных устройств переменным током.
    Основная задача эксплуатации конденсаторных источников заключается в том, чтобы они всегда находились в заряженном состоянии и были готовы обеспечить работу электромагнитов отключения, реле и других приборов. Для этого необходимо поддерживать в надлежащем состоянии изоляцию конденсаторов, питающих цепей и других элементов. Особенно опасна для конденсаторных источников потеря питания со стороны переменного тока, поскольку при этом происходит их быстрый разряд. За 1,5 мин заряд конденсаторов настолько снижается, что они уже не в состоянии обеспечить питание оперативных цепей отключения выключателей и др. Заряд на конденсаторах может сохраняться в течение нескольких часов, поэтому для безопасности при любых работах в цепях, предварительно заряженных конденсаторов необходимо не только отделить конденсаторы от зарядного устройства, но и разрядить их, шунтируя сопротивлением 500—1000 Ом.
    Проверку конденсаторных источников оперативного тока проводят примерно 1 раз в год, измеряя при этом высокоомным вольтметром уровень зарядного напряжения на конденсаторах, кроме того, проверяют исправность диодов. Зарядные устройства рассчитаны на заряд конденсаторов до напряжения 400 В.
    Трансформаторы, используемые в качестве источников питания переменного тока, обслуживаются, как и силовые и измерительные трансформаторы.
    Обслуживание аппаратуры АВР, щитов и сборок автоматических выключателей, контакторов, предохранителей осуществляется аналогично эксплуатации низковольтного электрооборудования. Следует учитывать, что неисправности в цепях оперативного тока могут иметь тяжелые последствия. Поэтому особое внимание должно быть обращено на наличие оперативного тока, обеспечение контроля изоляции и селективности действия аппаратов защиты в цепях выпрямленного тока.
    Сопротивление изоляции в цепях оперативного тока, измеряемое мегомметром 1000 В, должно поддерживаться на уровне не ниже 1 МОм.
    Техническое обслуживание щитов постоянного тока необходимо проводить один раз в 6-8 лет, включая ревизию контактных соединений, проверку сечения соединительных перемычек и сборных шин.
    Техническое обслуживание автоматических выключателей щитов постоянного тока необходимо проводить один раз в 6 месяцев.
    После включения автоматического выключателя ввода питания шин постоянного тока рычажным приводом необходима проверка его включенного положения осмотром положения главных контактов и измерением тока «заряд-разряд» АБ.
    При техническом обслуживании щитов постоянного тока (один раз в 6 – 8 лет) выполнять проверку технического состояния и установки уставок защиты на расцепителях максимального тока автоматических выключателей АВМ и АВ ввода питания щитов постоянного тока. Проверку автоматических выключателей проводить совместно с персоналом РЗА в соответствии с циркуляром Ц-02-95 (Е).
    Во время технического обслуживания оборудования ЩПТ ведется ревизия, смазка, регулирование, проверка работоспособности автоматических выключателей и их расцепителей, ремонт предохранителей, проверка защит первичным током от постороннего источника, с обязательной ревизией контактных соединений и проверкой сечения перемычек и шинок. В случае выявления уменьшения сечения, вызванного коррозионно-окислительными процессами, ведется их замена для избежания перегорания при толчковом наборе нагрузки.
    Работы на ЩПТ должны проводиться по специально разработанным программам (технологическим картам), осмотры по графику работы оперативного персонала совместно с осмотром оборудования ПС.
    Осмотры ведутся оперативным, оперативно-производственным персоналом или аккумуляторщиком. При этом необходимо:

    • проконтролировать режим подзаряда;
    • проверить температуру в помещении ЩПТ;
    • проверить внешнее состояние подзарядных устройств;
    • уточнить значения постоянного значения и тока;
    • проверить отсутствие в помещении ЩПТ кислотных паров и влаги.

    Во время приемо-сдаточных испытаний после капитального ремонта и профилактического восстановления выполняется следующий объем работ:

    • Измерение сопротивления изоляции. Замеряется сопротивление изоляции каждой из групп электрически не связанных вторичных цепей присоединений (оперативного тока, сигнализации, блокировки и т.д.) относительно «земли» и других групп, а также между жилами контрольных кабелей особенно ответственных вторичных цепей.

    Значения сопротивления изоляции должны быть не менее приведенных в таблице № 1.

    Таблица №1. Допустимые значения сопротивления изоляции аппаратов, вторичных цепей и электропроводки.

    Испытываемый элемент

    Номинальное напряжение мегомметра, кВ

    Наименьше допустимое значение сопротивления изоляции, МОм

    1. Ответственные вторичные цепи.

    1,0 – 2,5

    1,0

      Вторичные цепи управления, защиты, измерений:

      - шинки постоянного тока на щите управления

     

    1,0 – 2,5

     

    10,0

    - присоединение вторичных цепей и цепей питания приводов выключателей, ОД, КЗ*

    1,0 – 2,5

    0,5 – в электроустановках до 1 кВ; 1,0 – в электроустановках выше 1 кВ

    - цепи управления, защит на напряжение до 1 кВ, подключенных к силовым цепям

    1,0 – 2,5

    3. Вторичные цепи с установленными микроэлектронными элементами, которые рассчитаны на номинальное напряжение, В:
    - до 30;

     

     

    0,1

     

     

    1,0

    - 30 – 60;

    0,25

    1,0

    - выше 60.

    0,5

    1,0

    4. Силовые электропроводки**

    1,0 – 2,5

    0,5

    Вторичные цепи распределительных устройств*** щитов и токопроводов

    1,0 – 2,5

    0,5

    * Измерение выполняется на всех подключенных аппаратах (катушки приводов, контакторы, реле устройств, вторичные обмотки ТТ и ТН и т.д.).
    ** Сопротивление изоляции при снятых плавких вставках измеряется на отрезке между предохранителем какого-либо провода и землей, а также между проводами. Во время измерения сопротивления изоляции необходимо отключить электроприемники, аппараты и т.д.
    *** Измеряется сопротивление изоляции вторичных цепей каждой секции распределительного устройства.

    2. Испытание повышенным напряжением промышленной частоты. Значение испытательного напряжения для изоляции относительно земли цепей РЗА и других вторичных цепей с полностью собранной схемой (вместе с реле, контакторами, катушками приводов и др.) на напряжение выше 60 В, а также между жилами контрольных кабелей (во время таких испытаний напряжение необходимо подавать поочередно на каждую жилу, остальные жилы соединить между собой и заземлить) ответственных вторичных цепей равняется 1000 В.
    Продолжительность испытания – 1 минута.
    Если в испытываемых цепях есть элементы, рассчитанные на меньшее испытательное напряжение, их необходимо отключить и испытывать отдельно либо зашунтировать.

    3. Проверка работоспособности расцепителей (тепловых, электромагнитных, полупроводниковых) производится в соответствии с рекомендациями завода-изготовителя на рабочих уставках.

    4. Проверка работоспособности автоматических выключателей, контакторов и магнитных пускателей. Автоматические выключатели, контакторы и магнитные пускатели должны бесперебойно включаться, отключаться и надежно удерживаться во включенном положении при напряжении удержания, заданным заводом-изготовителем.

    Значение напряжения срабатывания и количество операций приведены в таблице №2.

    Таблица №2. Значения напряжения срабатывания и количество операций во время опробования автоматических выключателей, контакторов и магнитных пускателей.

    Операция

    Напряжение на шинах постоянного тока

    Количество операций

    Отключение

    0,9 (0,85)* Uном.

    5

    Отключение и включение

    0,8 и 1,1 ** Uном.

    5

    Отключение

    0,8 Uном.

    10

    * В зависимости от требований завода-изготовителя для конкретного типа автоматического выключателя.
    ** Если по условиям работы источник оперативного тока невозможно увеличить напряжение до 1,1 Uном., допускается проведение проверки при максимальном напряжении.

    5. Проверка фазировки РУ и присоединений. При проведении фазировки РУ и присоединений должно быть совпадение по фазам.

    6. Испытание повышенным напряжением промышленной частоты во время профилактического восстановления аппаратов. Во время профилактического восстановления аппаратов, вторичных цепей и электропроводки на напряжение до 1 кВ вместо испытания по п.2. настоящего раздела, допускается проводить испытания выпрямленным напряжением 2,5 кВ с использованием мегомметра или специальной установки.

    Во время текущей эксплуатации (6-8 лет) производится очистка изоляции щитов, обтяжка болтовых соединений, зачистка и смазка контактных соединений рубильников, предохранителей (при необходимости автоматических выключателей, контакторов, пускателей), проверка калибровки предохранителей. Проводится измерение сопротивления изоляции в соответствии с п.1. настоящего раздела, а для наиболее ответственных цепей (цепи газовой защиты трансформаторов, токовые цепи ТТ, цепи напряжения от ТН к аппаратам защит вторичных цепей от КЗ) в соответствии с п.2 настоящего раздела.

     

    6. Меры безопасности.

    При работе на щитах постоянного (оперативного) тока со всех сторон токоведущих частей, на которых будет проводиться работа, необходимо снять напряжение отключением коммутационных аппаратов с ручным приводом, а при наличии в схеме предохранителей – их снятием. При отсутствии в схеме предохранителей для предотвращения ошибочного включения коммутационных аппаратов следует обеспечить выполнение следующих мер: запирание рукояток дверей шкафа, закрытие кнопок, установка между контактами коммутационных аппаратов изолирующих накладок и т.п. При снятии напряжения коммутационным аппаратом с дистанционным управлением необходимо затем отсоединить провод, питающий включающую катушку, если в схеме отсутствуют предохранители. Если конструктивное исполнение аппаратуры и характер работы позволяют, то указанные выше меры необходимо заменить расшиновкой или отсоединением кабеля, проводов от коммутационного аппарата либо от оборудования, на котором следует проводить работу. Расшиновку или отсоединение кабеля, проводов при подготовке рабочего места может выполнять работник с группой 3 из состава производственных работников под наблюдением дежурного или работника из состава оперативно-производственных работников. С ближайших к рабочему месту токоведущих частей, доступных прикосновению, необходимо снять, напряжение либо их следует оградить. Отключенное положение коммутационных аппаратов до 1000 В с недоступными для осмотра контактами (автоматические выключатели невыкатного исполнения, пакетные выключатели, рубильники в закрытом исполнении и др.) определяется проверкой отсутствия напряжения на их зажимах либо на отходящих шинах, проводах или зажимах оборудования, включаемого этими коммутационными аппаратами снимать и устанавливать предохранители необходимо при снятом напряжении. Под напряжением, но без нагрузки, допускается снимать и устанавливать предохранители на присоединениях, в схеме которых отсутствуют коммутационные аппараты, позволяющие снять напряжение. Под нагрузкой допускается менять предохранители во вторичных цепях, сетях освещения и предохранители ТН. При снятии и установке предохранителей под напряжением необходимо пользоваться изолирующими клещами или диэлектрическими перчатками, работу следует выполнять с применением защитных очков (масок).
    На щитах постоянного (оперативного) тока необходимо: отгородить расположенные вблизи рабочего места токоведущие части, находящиеся под напряжением, к которым возможно случайное прикосновение; работать в диэлектрических ботах или стоя на изолирующей подставке или на резиновом диэлектрическом коврике; применять инструмент с изолирующими рукоятками, при отсутствии такого инструмента пользоваться диэлектрическими перчатками.
    Работы на щитах постоянного (оперативного) тока должны выполняться по наряду-допуску. Если напряжение снято со всего щита, руководитель работ должен иметь группу по ПБЭЭ не ниже 3, в противном случае – 4. Работник обслуживающий аккумуляторную батарею, зарядные устройства должен иметь группу не ниже 3.

Продолжая пользоваться сайтом, Вы соглашаетесь на обработку файлов cookie в соответствии с пользовательским соглашением и политикой конфиденциальности
Нужен кабель? Оформи заявку бесплатно