Техническое обслуживание щитов переменного тока

    07.07.2010

    Электрические сети

    Служба подстанций 

    ИНСТРУКЦИЯ

    по техническому обслуживанию щитов переменного тока

     

    СОДЕРЖАНИЕ

     

    Нормативные ссылки.

    1

    Источники и сети переменного тока.

    2

    Устройство щитов, сетей переменного тока до 1000В.

    3

    Обслуживание источников и сети переменного тока.

    4

    Меры безопасности.

    Знание настоящей инструкции обязательно для:

    1. Начальника, мастера группы подстанций.

    2. Оперативного и оперативно – производственного персонала групп подстанций.

    Настоящая инструкция составлена на основании действующих:
    ГКД 34.20.507—2003 Техническая эксплуатация электрических сетей и станций. Правила. Правила устройства электроустановок (ПУЭ), изд. 6-е, перераб. и доп. — Г.: Энергоатомиздат, 1987; ДНАОП 1.1.10-1.01-97 Правила безопасной эксплуатации электроустановок; ГКД 34.20.302-2002 „Нормы испытания электрооборудования”.

     

    1. Источники и сети переменного тока.

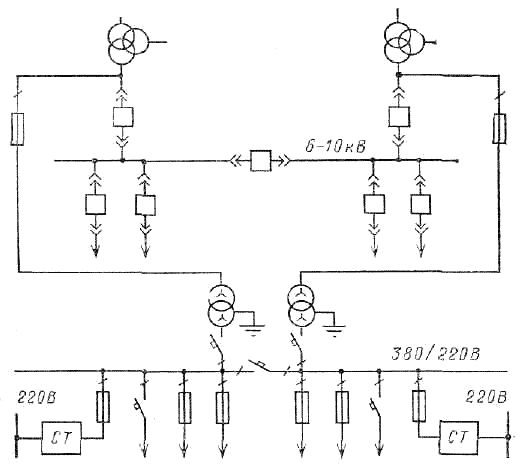
    На электрических подстанциях 35 – 110 кВ для электропитания вспомогательных механизмов, агрегатов и других потребителей собственных нужд (с. н.) применяются довольно развитые схемы электрических соединений. Основными потребителями собственных нужд являются: оперативные цепи переменного и выпрямленного тока; система охлаждения трансформаторов; устройства регулирования напряжения под нагрузкой (РПН); зарядные и подзарядные агрегаты аккумуляторных батарей; освещение (аварийное, внутреннее, наружное, охранное); устройства связи и телемеханики; насосные установки (пожаротушения, хозяйственные, технического водоснабжения); устройства электроподогрева помещений аккумуляторных батарей, выключателей, отделителей и их приводов, КРУН, различных шкафов наружной установки; дистилляторы, вентиляция и др.

    Рисунок №1. Схема присоединения собственных нужд при наличии на подстанции переменного и выпрямленного оперативного тока.

    При выборе схем электрических соединений предусматриваются меры, повышающие их надежность: установка на подстанции не менее двух трансформаторов с. н. (обычно не больше 560 или 630 кВА); секционирование шин собственных нужд; применение автоматического ввода резерва (АВР) на секционном выключателе; резервирование со стороны высшего напряжения (с. н.) и др.
    На рисунке 1,2 показаны схемы с. н. подстанций, применяемые в зависимости от вида оперативного тока. При переменном и выпрямленном токе рекомендуется схема (рис. 1), согласно которой предусматривается непосредственное подключение трансформаторов с. н. к обмоткам низшего напряжения главных трансформаторов. Такое подключение обеспечивает питание сети оперативного тока и производство операций выключателями при отключении шин 6—10 кВ. При постоянном оперативном токе наибольшее распространение имеет схема, показанная на рис. 2, когда трансформаторы с. н. непосредственно подключаются к шинам 6— 10 кВ.

    Рисунок №2. Схема присоединения собственных нужд при наличии на подстанциях с постоянным оперативным током.

    Обычно на подстанциях устанавливают один – два трансформатора с. н., но при наличии особо ответственных потребителей может предусматриваться резервный трансформатор собственных нужд.

    На подстанциях 110 кВ и мощных подстанциях 35 кВ нормально устанавливают два трансформатора собственных нужд, присоединяя их к шинам вторичного напряжения 6—10 кВ подстанции. На рисунке 3 показано присоединение рабочего (резервного) трансформаторов собственных нужд, из которых один нормально находится в работе.
    Присоединение к сборным шинам обоих трансформаторов через один разъединитель и один комплект предохранителей выполнено с целью уменьшения числа ячеек распределительного устройства.

    Рисунок №3. Схема подключения ТСН через один разъединитель

    Если отходящие линии подстанции реактированы, то перед трансформаторами собственных нужд реакторы не устанавливают.
    Мощность каждого трансформатора должна быть достаточна для покрытия нормальной длительной нагрузки собственных нужд подстанции. В случае совпадения во времени работы механизмов двух каких-либо хозяйств подстанции (например, работа механизмов масляного хозяйства при одновременной зарядке аккумуляторной батареи и т. п.) нагрузка должна покрываться обоими трансформаторами.
    На небольших и средних подстанциях без постоянного дежурного персонала постоянного расхода электроэнергии на собственные нужды обычно нет. На таких подстанциях имеется только электроосвещение, которым пользуются при осмотрах и ремонтах.
    Мощность, потребляемая на собственные нужды подстанций, обычно не превышает 50 – 200 кВт (последнее при наличии крупной трансформаторной ремонтной мастерской и масляного хозяйства). Несколько больше может быть расход мощности при наличии на подстанции синхронных компенсаторов. В ряде случаев от установки собственных нужд подстанции питается также жилой поселок при ней. Наиболее ответственными механизмами собственных нужд подстанций на переменном токе являются вентиляторы искусственного охлаждения мощных трансформаторов. Все остальные ответственные потребители собственных нужд подстанции постоянно питаются от аккумуляторных батарей или резервируются от них (как аварийное освещение). На подстанциях с установленными электромагнитными приводами на стороне высшего напряжения и при отсутствии аккумуляторной батареи устанавливается трансформатор на питающей линии (рис.4).

     

    Рисунок №4. Подстанция с одним трансформатором СН.

    На сравнительно небольших понижающих подстанциях 35 кВ с вторичным напряжением 6 – 10 кВ для питания собственных нужд устанавливают, один трансформатор с вторичным напряжением 380/220 – рисунок №4. В случае необходимости резервирование питания может осуществляться от ближайшей городской или заводской сети, с напряжением которой и должно быть согласовано вторичное напряжение трансформатора собственных нужд.

     

    2. Устройство щитов, сетей переменного тока до 1000В.

    Распределительные устройства должны иметь четкие надписи, указывающие назначение отдельных цепей и панелей. Надписи должны выполняться на лицевой стороне устройства, а при обслуживании с двух сторон — также на задней стороне устройства.
    Относящиеся к цепям различного рода тока и различных напряжений части РУ должны быть выполнены и размещены так, чтобы была обеспечена возможность их четкого распознавания.
    Взаимное расположение фаз и полюсов в пределах всего устройства должно быть, как правило, одинаковым. Шины должны иметь окраску, предусмотренную ниже:

    1. при переменном трехфазном токе: шины фазы А - желтым цветом, фазы В — зеленым, фазы С — красным, нулевая рабочая N – голубым, эта же шина, используемая в качестве нулевой защитной — продольными полосами желтого и зеленого цветов. Цветовое обозначение должно быть выполнено по всей длине шин, если оно предусмотрено также для более интенсивного охлаждения или для антикоррозийной защиты. Шины однофазного тока, если они являются ответвлением от шин трехфазной системы, обозначаются как соответствующие шины трехфазного тока;

    (Нулевой рабочий проводник – это проводник, используемый для питания электроприемников, соединенный с глухозаземленной нейтралью трансформатора, нулевой защитный проводник – это проводник, соединяющий зануляемые части с глухозаземленной нейтралью трансформатора).

    1. допускается выполнять цветовое обозначение не по всей длине шин, только цветовое или только буквенно-цифровое обозначение либо цветовое в сочетании с буквенно-цифровым только в местах присоединения шин; если неизолированные шины недоступны для осмотра в период, когда они находятся под напряжением, то допускается их не обозначать. При этом не должен снижаться уровень безопасности и наглядности при обслуживании электроустановки.

    В РУ должна быть обеспечена возможность установки переносных защитных заземлений.
    Все металлические части РУ должны быть окрашены или иметь другое антикоррозийное покрытие.
    Аппараты и приборы следует располагать так, чтобы возникающие в них при эксплуатации искры или электрические дуги не могли причинить вреда обслуживающему персоналу, воспламенить или повредить окружающие предметы, вызвать КЗ или замыкание на землю.
    Аппараты рубящего типа должны устанавливаться так, чтобы они не могли замкнуть цепь самопроизвольно, под действием силы тяжести. Подвижные токоведущие части их в отключенном состоянии, как правило, не должны быть под напряжением.
    Рубильники с непосредственным ручным управлением (без привода), предназначенные для включения и отключения тока нагрузки и имеющие контакты, обращенные к оператору, должны быть защищены несгораемыми кожухами без отверстий и щелей. Указанные рубильники, предназначенные лишь для снятия напряжения, допускается устанавливать открыто при условии, что они будут недоступны для неквалифицированного персонала.
    На приводах коммутационных аппаратов должны быть четко указаны положения «включено» и «отключено».
    Должна быть предусмотрена возможность снятия напряжения с каждого автоматического выключателя на время его ремонта или демонтажа. Для этой цели в необходимых местах должны быть установлены рубильники или другие отключающие аппараты.
    Отключающий аппарат перед выключателем каждой отходящей от РУ линии предусматривать не требуется в электроустановках:

    1. с выдвижными выключателями;
    2. со стационарными выключателями, в которых на время ремонта идя демонтажа данного выключателя допустимо снятие напряжения общим аппаратом с группы выключателей или со всего распределительного устройства;
    3. со стационарными выключателями, если обеспечена возможность безопасного демонтажа выключателей под напряжением с помощью изолированного инструмента.

    Для указанных отключающих аппаратов специальный привод (например, рычажный) предусматривать не требуется.
    Резьбовые (пробочные) предохранители должны устанавливаться так, чтобы питающие провода присоединялись к контактному винту, а отходящие к электроприемникам — к винтовой гильзе.
    Между неподвижно укрепленными неизолированными токоведущими частями разной полярности, а также между ними и неизолированными нетоковедущими металлическими частями должны быть обеспечены расстояния не менее: 20 мм по поверхности изоляции и 12 мм по воздуху. От неизолированных токоведущих частей до ограждений должны быть обеспечены расстояния не менее: 100 мм при сетках и 40 мм при сплошных съемных ограждениях.
    В пределах панелей, щитов и шкафов, установленных в сухих помещениях, незащищенные изолированные провода с изоляцией, рассчитанной па рабочее напряжение не ниже 660 В, могут прокладываться по металлическим, защищенным от коррозии поверхностям и притом вплотную один к другому. В этих случаях для силовых цепей должны применяться снижающие коэффициенты на токовые нагрузки.
    Заземленные неизолированные провода и шины могут быть проложены и без изоляции.
    Корпуса панелей должны быть выполнены из несгораемых материалов, а конструкции кожухов и других частей устройств из несгораемых или трудносгораемых материалов. Это требование не распространяется на диспетчерские и им подобные пульты управления.
    Распределительные устройства должны быть выполнены так, чтобы вибрации, возникающие при действии аппаратов, а также от сотрясений, вызванных внешними воздействиями, не нарушали контактных соединений и не вызывали разрегулировки аппаратов и приборов.
    Поверхности гигроскопических изоляционных плит, на которых непосредственно монтируются неизолированные токоведущие части, должны быть защищены от проникновения в них влаги (пропиткой, окраской и т. п.).
    В устройствах, устанавливаемых в сырых и особо сырых помещениях и открытых установках, применение гигроскопических изоляционных материалов (например, мрамора, асбестоцемента) не допускается.
    В помещениях пыльных, сырых, особо сырых и на открытом воздухе следует устанавливать распределительные устройства, надежно защищенные от отрицательного воздействия окружающей среды.
    В электропомещениях проходы обслуживания, находящиеся с лицевой или с задней стороны щита, должны соответствовать следующим требованиям:

    1. Ширина проходов в свету должна быть не менее 0,8 м; высота проходов в свету — не менее 1,9 м. В проходах не должны находиться предметы, которые могли бы стеснять передвижение людей и оборудования. В отдельных местах проходы могут быть стеснены выступающими строительными конструкциями, однако ширина прохода в этих местах должна быть не менее 0,6 м.
    2. Расстояния от наиболее выступающих не огражденных неизолированных токоведущих частей (например, отключенных ножей рубильников), расположенных на доступной высоте (менее 2,2 м) по одну сторону прохода, до противоположной стены или оборудования, не имеющего не огражденных неизолированных токоведущих частей, должны быть не менее: при напряжении ниже 660 В — 1,0 м при длине щита до 7 м и 1,2 м при длине щита более 7 м; при напряжении 660 В и выше — 1,5 м. Длиной щита в данном случае называется длина прохода между двумя рядами сплошного фронта панелей (шкафов) или между одним рядом и стеной.
    3. Расстояния между не огражденными неизолированными токоведущими частями, расположенными на высоте менее 2,2 м по обе стороны прохода, должны быть не менее: 1,5 м при напряжении ниже 660 В; 2,0 м при напряжении 660 В и выше.
    4. Неизолированные токоведущие части, находящиеся на расстояниях, меньших приведенных в пп. 2 и 3, должны быть ограждены.
    5. Не огражденные неизолированные токоведущие части, размещаемые над проходами, должны быть расположены на высоте не менее 2,2 м.
    6. Ограждения, размещаемые над проходами, должны быть расположены на высоте не менее 1,9 м.
    7. В качестве ограждения неизолированных токоведущих частей могут служить сетки с размерами ячеек не более 25 х 25 мм, а также сплошные или смешанные ограждения. Высота ограждений должна быть не менее 1,7 м.

    Проходы обслуживания щитов при длине щита более 7 м должны иметь два выхода. Выходы из прохода с монтажной стороны щита могут быть выполнены как в щитовое помещение, так и в другие помещения. При ширине прохода обслуживания более 3 м и отсутствии маслонаполненных аппаратов второй выход не обязателен. Двери из помещений РУ должны открываться в сторону других помещений (за исключением помещений РУ выше 1 кВ переменного тока и выше 1,5 кВ постоянного тока) или наружу и иметь самозапирающийся замок.
    Нейтраль трансформатора на стороне до 1 кВ должна быть присоединена к заземлителю при помощи заземляющего проводника. Сечение заземляющего проводника должно быть не менее – 4 мм2 по меди или 6 мм2 по алюминию.
    Использование нулевого рабочего проводника, идущего от нейтрали трансформатора на щит распределительного устройства, в качестве заземляющего проводника не допускается.
    Вывод нулевого рабочего проводника от нейтрали трансформатора на щит распределительного устройства должен быть выполнен: при выводе фаз шинами — шиной на изоляторах, при выводе фаз кабелем (проводом) — жилой кабеля (провода).
    Проводимость нулевого рабочего проводника, идущего от нейтрали трансформатора, должна быть не менее 50% проводимости вывода фаз.
    Сопротивление заземляющего устройства, к которому присоединены нейтрали трансформаторов или выводы источника однофазного тока, в любое время года должно быть не более 2, 4 и 8 Ом соответственно при линейных напряжениях 660, 380 и 220 В источника трехфазного тока или 380, 220 и 127 В источника однофазного тока. Это сопротивление должно быть обеспечено с учетом использования естественных заземлителей, а также заземлителей повторных заземлений нулевого провода ВЛ до 1 кВ при количестве отходящих линий не менее двух.

     

    3. Обслуживание источников и сети переменного тока.

    Обслуживание аппаратуры АВР, щитов и сборок автоматических выключателей, контакторов, предохранителей осуществляется аналогично эксплуатации низковольтного электрооборудования.
    Сопротивление изоляции в цепях переменного тока, измеряемое мегомметром 1000 В, должно поддерживаться на уровне не ниже 1 МОм.
    Техническое обслуживание щитов переменного тока необходимо проводить один раз в 6-8 лет, включая ревизию контактных соединений, проверку сечения соединительных перемычек и сборных шин.
    При техническом обслуживании щитов постоянного тока (один раз в 6 – 8 лет) выполнять проверку технического состояния и установки уставок защиты на расцепителях максимального тока автоматических выключателей АВМ и АВ ввода питания щитов постоянного тока.
    Во время технического обслуживания оборудования щита переменного тока ведется ревизия, смазка, регулирование, проверка работоспособности автоматических выключателей и их расцепителей, ремонт предохранителей, проверка защит первичным током от постороннего источника, с обязательной ревизией контактных соединений и проверкой сечения перемычек и шинок. В случае выявления уменьшения сечения, вызванного коррозионно-окислительными процессами, ведется их замена для избежания перегорания при толчковом наборе нагрузки.
    Работы на щите переменного тока должны проводиться по специально разработанным программам (технологическим картам), осмотры по графику работы оперативного персонала совместно с осмотром оборудования подстанций.

    Во время приемо-сдаточных испытаний после капитального ремонта и профилактического восстановления выполняется следующий объем работ:

    1. Измерение сопротивления изоляции. Замеряется сопротивление изоляции каждой из групп электрически не связанных вторичных цепей присоединений относительно «земли» и других групп, а также между жилами контрольных и силовых кабелей.

    Значения сопротивления изоляции должны быть не менее приведенных в таблице № 1.

    Таблица №1. Допустимые значения сопротивления изоляции аппаратов, вторичных цепей и электропроводки.

    Испытываемый элемент

    Номинальное напряжение мегаомметра, кВ

    Наименьше допустимое значение сопротивления изоляции, МОм

    Вторичные цепи с установленными микроэлектронными элементами, которые рассчитаны на номинальное напряжение, В:
    - до 30;

     

     

    0,1

     

     

    1,0

    - 30 – 60;

    0,25

    1,0

    - выше 60.

    0,5

    1,0

    Силовые электропроводки*

    1,0 – 2,5

    0,5

    Вторичные цепи распределительных устройств** щитов и токопроводов

    1,0 – 2,5

    0,5

    * Сопротивление изоляции при снятых плавких вставках измеряется на отрезке между предохранителем какого-либо провода и землей, а также между проводами. Во время измерения сопротивления изоляции необходимо отключить электроприемники, аппараты и т.д.
    ** Измеряется сопротивление изоляции вторичных цепей каждой секции распределительного устройства.

    2. Испытание повышенным напряжением промышленной частоты. Значение испытательного напряжения для изоляции относительно земли и вторичных цепей с полностью собранной схемой (вместе с реле, контакторами, катушками приводов и др.) на напряжение выше 60 В равняется 1000 В.
    Продолжительность испытания – 1 минута.
    Если в испытываемых цепях есть элементы, рассчитанные на меньшее испытательное напряжение, их необходимо отключить и испытывать отдельно либо зашунтировать.
    3. Проверка работоспособности расцепителей (тепловых, электромагнитных, полупроводниковых) производится в соответствии с рекомендациями завода-изготовителя на рабочих уставках.
    4. Проверка работоспособности автоматических выключателей, контакторов и магнитных пускателей. Автоматические выключатели, контакторы и магнитные пускатели должны бесперебойно включаться, отключаться и надежно удерживаться во включенном положении при напряжении удержания, заданным заводом-изготовителем.
    Значение напряжения срабатывания и количество операций приведены в таблице №2.

    Таблица №2. Значения напряжения срабатывания и количество операций во время опробования автоматических выключателей, контакторов и магнитных пускателей.

    Операция

    Напряжение на шинах переменного тока

    Количество операций

    Отключение

    0,9 (0,85)* Uном.

    5

    Отключение и включение

    0,8 и 1,1 ** Uном.

    5

    Отключение

    0,8 Uном.

    10

    * В зависимости от требований завода-изготовителя для конкретного типа автоматического выключателя.
    ** Если по условиям работы источник оперативного тока невозможно увеличить напряжение до 1,1 Uном., допускается проведение проверки при максимальном напряжении.

    5. Проверка фазировки РУ и присоединений. При проведении фазировки РУ и присоединений должно быть совпадение по фазам.
    6. Испытание повышенным напряжением промышленной частоты во время профилактического восстановления аппаратов. Во время профилактического восстановления аппаратов, вторичных цепей и электропроводки на напряжение до 1 кВ вместо испытания по п.2. настоящего раздела, допускается проводить испытания выпрямленным напряжением 2,5 кВ с использованием мегомметра или специальной установки.
    Во время текущей эксплуатации (6-8 лет) производится очистка изоляции щитов, обтяжка болтовых соединений, зачистка и смазка контактных соединений рубильников, предохранителей (при необходимости автоматических выключателей, контакторов, пускателей), проверка калибровки предохранителей. Проводится измерение сопротивления изоляции в соответствии с п.1. настоящего раздела.

     

    4. Меры безопасности.

    Работы на щитах переменного тока (секциях шин, секционном разъединителе, присоединениях по которым может быть подано напряжение на шины переменного тока) должны выполняться по наряду-допуску. При работе на щитах переменного тока со всех сторон токоведущих частей, на которых будет проводиться работа, необходимо снять напряжение отключением коммутационных аппаратов с ручным приводом, а при наличии в схеме предохранителей – их снятием. При отсутствии в схеме предохранителей для предотвращения ошибочного включения коммутационных аппаратов следует обеспечить выполнение следующих мер: запирание рукояток дверей шкафа, закрытие кнопок, установка между контактами коммутационных аппаратов изолирующих накладок и т.п. При снятии напряжения коммутационным аппаратом с дистанционным управлением необходимо затем отсоединить провод, питающий включающую катушку, если в схеме отсутствуют предохранители. Если конструктивное исполнение аппаратуры и характер работы позволяют, то указанные выше меры необходимо заменить расшиновкой или отсоединением кабеля, проводов от коммутационного аппарата либо от оборудования, на котором следует проводить работу. Расшиновку или отсоединение кабеля, проводов при подготовке рабочего места может выполнять работник с группой 3 из состава производственных работников под наблюдением дежурного или работника из состава оперативно-производственных работников. С ближайших к рабочему месту токоведущих частей, доступных прикосновению, необходимо снять, напряжение либо их следует оградить. Отключенное положение коммутационных аппаратов до 1000 В с недоступными для осмотра контактами (автоматические выключатели невыкатного исполнения, пакетные выключатели, рубильники в закрытом исполнении и др.) определяется проверкой отсутствия напряжения на их зажимах либо на отходящих шинах, проводах или зажимах оборудования, включаемого этими коммутационными аппаратами. Снимать и устанавливать предохранители необходимо при снятом напряжении. Под напряжением, но без нагрузки, допускается снимать и устанавливать предохранители на присоединениях, в схеме которых отсутствуют коммутационные аппараты, позволяющие снять напряжение. Под нагрузкой допускается менять предохранители во вторичных цепях, сетях освещения и предохранители ТН. При снятии и установке предохранителей под напряжением необходимо пользоваться изолирующими клещами или диэлектрическими перчатками, работу следует выполнять с применением защитных очков (масок).
    На щитах переменного тока необходимо: отгородить расположенные вблизи рабочего места токоведущие части, находящиеся под напряжением, к которым возможно случайное прикосновение; работать в диэлектрических ботах или стоя на изолирующей подставке или на резиновом диэлектрическом коврике; применять инструмент с изолирующими рукоятками, при отсутствии такого инструмента пользоваться диэлектрическими перчатками.

Продолжая пользоваться сайтом, Вы соглашаетесь на обработку файлов cookie в соответствии с пользовательским соглашением и политикой конфиденциальности
Нужен кабель? Оформи заявку бесплатно