Испытания масляных выключателей

    07.07.2010

    Испытаниям должен предшествовать комплекс подготовительных мероприятий:

    • изучена электрическая часть испытуемой электроустановки;
    • заводская документация, касающаяся конструктивных особенностей оборудования, объема и норм испытаний;
    • получены данные о качестве масла, залитого в оборудование, подлежащее испытанию.

    Проведению испытаний должен предшествовать тщательный наружный осмотр испытуемого объекта. Если в результате осмотра будут обнаружены дефекты, которые могут вызвать повреждение оборудования или испытательной аппаратуры, испытания разрешается проводить лишь после устранения этих дефектов.
    Заключение о пригодности оборудования к эксплуатации производится на основании сравнения данных, полученных при испытании, с браковочными нормами и анализа результатов всех проведенных эксплуатационных испытаний и осмотров.
    Оборудование, забракованное при внешнем осмотре, независимо от результатов испытания, должно быть заменено или отремонтировано.

     

    Нормы приемо-сдаточных испытаний масляных выключателей

     

    Объем приемо-сдаточных испытаний.

    Основные технические требования и методы испытаний выключателей переменного тока определены в ГОСТ 687-78Е.
    В соответствии с требованиями ПУЭ объем приемо-сдаточных испытаний масляных выключателей включает следующие работы
    1. Измерение сопротивления изоляции:
    а) подвижных и направляющих частей, выполненных из органических материалов;
    б) вторичных цепей, электромагнитов включения и отключения. 2. Испытание вводов.
    3. Оценка состояния внутрибаковой изоляции и изоляции дугогасительных устройств.
    4. Испытание изоляции повышенным напряжением промышленной частоты:
    а) изоляции выключателей относительно корпуса или опорной изоляции;
    б) изоляции вторичных цепей и обмоток электромагнитов включения и отключения.
    5. Измерение сопротивления постоянному току:
    а) контактов масляных выключателей;
    б) шунтирующих резисторов дугогасительных устройств;
    в) обмоток электромагнитов включения и отключения.
    6. Измерение скоростных и временных характеристик выключателей.
    7. Измерение хода подвижных частей (траверс) выключателя, вжима контактов при включении, одновременности замыкания и размыкания контактов.
    8. Проверка регулировочных и установочных характеристик механизмов, приводов и выключателей.
    9. Проверка действия механизма свободного расцепления.
    10. Проверка напряжения (давления) срабатывания приводов выключателя.
    11. Испытание выключателя многократными включениями и отключениями.
    12. Испытание трансформаторного масла выключателей.
    13. Испытание встроенных трансформаторов тока.

     

    Измерение сопротивления изоляции.

    а) подвижных и направляющих частей, выполненных из органических материалов.
    Производится мегаомметром на напряжение 2500 В.
    Сопротивление изоляции не должно быть менее значений, приведенных ниже:

    Номинальное напряжение выключателя, кВ.

    3-10

    15-50

    220-500

    Сопротивление изоляции, МОм.

    1000

    3000

    5000

    Первое измерение производится обычно при включенном положении выключателя. Измеряется суммарное сопротивление изоляции вводов, подвижных и направляющих частей выключателя. Если измеренные сопротивления окажутся ниже указанных выше значений, проводится второе измерение при отключенном выключателе и соединенных между собой вводах каждой фазы выключателя.
    Сопротивление изоляции подвижных и направляющих частей определяется по результатам двух измерений из выражения


    где Rвкл и Rоткл -сопротивления изоляции, измеренные соответственно при включенном и отключенном положениях выключателя.
    В тех случаях, когда масло в баки выключателя не залито или есть возможность осушить баки, для измерения сопротивления изоляции присоединяют мегаомметр непосредственно к подвижным и направляющим частям.
    б) вторичных цепей, электромагнитов включения и отключения и т.п. Измерения производится в соответствии с указаниями. Сопротивление изоляции измеряется мегаомметром на напряжение 1000 В и должно быть не менее 1 МОм.
    О порядке измерения сопротивления изоляции следует руководствоваться указаниями.

     

    Испытание вводов.

    Вводы масляных выключателей испытываются до установки их на выключатели.

     

    Оценка состояния внутрибаковой изоляции и изоляции дугогасительных устройств.

    Производится для выключателей 35 кВ с установленными вводами путем измерения тангенса угла диэлектрических потерь изоляции.
    Тангенс угла диэлектрических потерь измеряют для вводов всех типов, кроме фарфоровых. Поскольку это измерение производят на вводах, установленных на выключателях, на его результат оказывает влияние как состояние самого ввода, так и состояние внутрибаковой изоляции (деионные решетки, экраны, направляющие камер и т.п.). Поэтому оценка состояния внутрибаковой изоляции производится в том случае, если при измерении tgδ вводов на полностью собранном выключателе получены значения, превышающие нормы, указанные испытаниях изоляции электрооборудования повышенным напряжением.
    Необходимо повторить измерение с исключением влияния внутрибаковой изоляции. Для этого опускают баки, сливают масле, закорачивают дугогасительные камеры и производят измерения. Если значение tgδ в 2 раза превышает tgδ вводов измеренное при полном исключении влияния внутрибаковой изоляции дугогасительных устройств, т.е. до установки вводов в выключатель, внутрибаковая изоляция подлежит сушке. Если же tgδ остается выше нормы, то такой ввод должен быть заменен.
    После сушки внутрибаковой изоляции и повторной заливки выключателя маслом производят проверку сопротивления изоляции в соответствии с требованиями п. 4.2.2 и измерение tgδ при включенном и отключенном выключателе.
    Измерения tgδ производят при помощи моста переменного тока типа МД -16, Р-571, Р-595, Р502б по перевернутой схеме.

     

    Испытание изоляции повышенным напряжением промышленной частоты.

    а) изоляции выключателей относительно корпуса или опорной изоляции.
    Испытание производится для выключателей напряжением до 35 кВ. Испытательное напряжение для выключателей принимается в соответствии с данными табл. 4.1.
    Продолжительность приложения нормированного испытательного напряжения 1 мин.

     

    Таблица 4.1. Испытательное напряжение промышленной частоты для внешней изоляции аппаратов

    Класс
    напряжения, кВ.

    Испытательное напряжение, кВ, для аппаратов с изоляцией

    нормальной керамической

    нормальной из органических материалов

    облегченной керамической

    облегченной из органических материалов

    3

    24

    21,6

    13

    1 1,7

    6

    32

    28,8

    21

    18,9

    10

    42

    37,8

    32

    28,8

    15

    55

    49,5

    48

    43,2

    20

    65

    58,5

    -

    -

    35

    95

    85,5

    -

    -

    Примечание: данные табл. 1.8.15 ПУЭ.

     

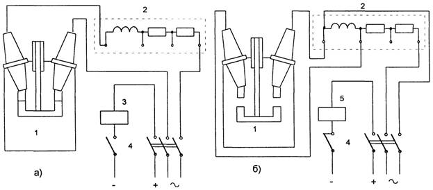
    Изоляция масляного выключателя испытывается повышенным напряжением после окончания всех работ на данном выключателе. Масляные выключатели КРУ для испытаний выкатываются из ячеек КРУ. При испытании испытательное напряжение прикладывается:
    - к среднему полюсу масляного выключателя во включенном его положении при заземленных крайних полюсах. Этим проверяется междуфазовая изоляция выключателя;
    - ко всем трем полюсам выключателя при включенном его положении относительно "земли". Этим проверяется основная изоляция выключателя;
    - между разомкнутыми контактами одного и того же полюса при отключено положении выключателя. Этим проверяется изоляция внутреннего разрыва выключателя.
    Схема испытания масляного выключателя повышенным напряжением представлена на рис. 4.1.
    Если при испытании прослушиваются потрескивания, ненормальные шумы испытания прекращают и принимают меры к выявлению и устранению причин.
    б) изоляции вторичных цепей и обмоток электромагнитов включения и отключения. Значение испытательного напряжения 1 кВ. Продолжительность испытания 1 мин.
    О порядке проведения испытания изоляции вторичных цепей и обмоток электромагнитов управления следует руководствоваться указаниями соответствующей инструкции.

     


    Рис. 4.1. Схемы испытаний масляных выключателей повышенным напряжением.
    а - средней фазы; б - каждой из трех фаз; в - контактного разрыва.

     

    Измерение сопротивления постоянному току.

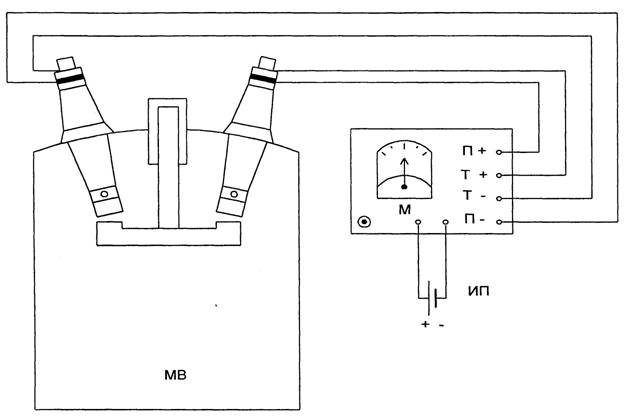
    а) контактов масляных выключателей. Измеряется сопротивление токоведущей системы полюса выключателя и отдельных его элементов. Значение сопротивления контактов постоянному току должно соответствовать данным завода-изготовителя. Измерения омического сопротивления контактов выключателей производятся на постоянном токе, т. к. измерения на переменном токе приводят к большим искажениям результатов. Повышенное значение омического сопротивления контактов масляных выключателей приводит к обгоранию, оплавлению, привариванию контактов, что может привести к отказу оборудования. Схема измерения сопротивления постоянному току контактной системы выключателя представлена на рис. 4.2. Измеренное сопротивление должно соответствовать данным представленным в табл. 4.2.
    При изменении площади соприкосновения изменяется переходное сопротивление контактного соединения. Оно становится тем меньше, чем больше сила нажатия, но до определенного давления. Дальнейшее увеличение силы нажатия контактов не приводит к заметному снижению переходного сопротивления.
    Существенное влияние на переходное сопротивление контактов оказывает чистота контактных поверхностей. Загрязненные, покрытые окислами поверхности имеют более высокое переходное сопротивление, т. к. окислы большинства металлов обладают существенно малой проводимостью.
    На величину сопротивления, особенно при небольшой силе взаимного нажатия контактов, влияет также способ обработки поверхности.
    Измерение сопротивления контактов масляных выключателей производят пофазно с помощью микроомметров типы Ф-415, контактомеров Мосэнерго, КМС-68, КМС-63, мостов постоянного тока типа Р-239, а также методом амперметра-вольтметра. За последнее время разработаны микроомметры с различными способами регулирования тока (триодами, тиристорами), в основу которых положен метод амперметра-вольтметра.

     


    Рис. 4.2. Схема измерения сопротивления постоянному току контактной системы выключателя.
    МВ - масляный выключатель; м - измерительный мост; ИП - источник питания.

     

    О порядке измерения сопротивления постоянному току следует руководствоваться указаниями .
    По величине переходного сопротивления фазы выключателя трудно судить о состоянии контактов, входящих в цепь токоведущего контура выключателя. Однако установлено, что неисправность какого-либо контакта в большей части приводит к резкому увеличению общего сопротивления контура.

     

    Таблица 4.2. Сопротивления постоянному току токоведущего контура масляных выключателей

    Тип выключателя

    Номинальное напряжение, кВ

    Номинальный ток,
    А

    Сопротивление
    контактов фазы
    выключателя, мкОм

    1

    2

    3

    4

    ВМП-10;
    ВМП-10К;
    ВМПЭ-10

    10

    600
    1000
    1500
    5000

    55
    40
    30
    15; 3001)

    ВЭМ-6;
    ВЭМ-10

    6 — 10

    2000
    3200

    45
    45

    М-10

    10

    5000

    10; 3001)

    МГГ-10

    6-10

    2000
    3000

    30
    20

    Остальные типы

    3 -10

    200
    600
    1000
    2000

    350
    150
    100
    75

    МГ-20

    20

    6000

    15; 3001)

    МГГ-20

    20

    2000
    3000

    30; 2501)

    ВМ-35; ВБ-35; ВМД-35

    35

    600

    550

    С-35

    35

    630
    3200

    310; 92)
    55; 142)

    ВМТ-110

    110

    1000

    130

    МКП-110:
    с киритовыми пластинами
    без киритовых пластин

    110
    110

    600
    600

    ~600, 5402)
    1100

    ВМ-125

    110

    600

    500

    ВМТ-220

    220

    1000

    130

    МКП-220

    220

    600

    1200; 2602)

    У-220-10

    220

    600

    1400; 6002)

    МКП-500

    500

    1500

    2350; 3502), 5003)

    ВМГ-10

    6-10

    630

    75

    Примечание: 1) - дугогасительные контакты; 2) - одна камера; 3) - подвижные контакты.

     

    При получении неудовлетворительных данных при измерении рекомендуется произвести 2-х-3-х кратное включение и отключение масляного выключателя, т. к. после нескольких операций включения и отключения происходит самоотчистка контактных поверхностей и снижение общего омического сопротивления выключателя. Такая самоочистка является нормальной и должна быть рекомендована для всех выключателей.
    Критерием надежности контактов некоторых типов выключателей служит величина вытягивающего усилия подвижного контакта собранного полюса до заливки маслом (при недоходе к "мертвому" положению не более чем на 10 мм). Так, для выключателей типа ВМГ-133 эта величина должна быть в пределах 9-13 кг, для ВМП-10-20-22
    Измеренные значения сопротивлений не должны отличаться от заводских данных более, чем на 3%.
    Ниже приводятся особенности измерений сопротивления постоянному току некоторых типов масляных выключателей.

     

    Масляные выключатели типа ВМГ-133 (сняты с производства).
    Контактная система полюса выключателя состоит из гибкой связи подвижного контактного стержня (свечи) и неподвижного розеточного контакта.
    Нормы на измерение переходных сопротивлений предусматривают контроль всей контактной системы полюса и отдельно розеточного контакта. Это сделано для того, чтобы контролировать состояние гибкой связи выключателя, поскольку на воздухе медная фольга окисляется и может иметь значительное переходное сопротивление. Следовательно, первое измерение на выключателе состоит в контроле всей контактной системы полюса, при этом один измерительный щуп должен быть расположен на контактном выводном штыре розетки выключателя. Второе измерение на выключателе состоит в контроле розеточного контакта - при этом один измерительный щуп должен быть расположен на подвижном контакте (свече), а другой измерительный щуп на выводном штыре розетки выключателя.

     

    Масляные выключатели типа ММГ и МГ. Измерение переходных сопротивлений контактов выключателей типа МГ и ММГ, имеющих главные и дугогасительные контакты, производится отдельно для дугогасительных и главных контактов. При этом для измерения переходных сопротивлений дугогасительных контактов под главные контакты до включения выключателя подкладываются изолирующие прокладки из бумаги или электрокартона.
    Ввиду того, что нормально переходные сопротивления контактов в месте подсоединения шин к масляному выключателю имеют малые переходные сопротивления по сравнению с переходными сопротивлениями контактов масляного выключателя, измерительные щупы следует подключать непосредственно к шинам, отходящим от масляного выключателя.
    Для измерения переходных сопротивлений главных контактов картон с них необходимо снять и выключатель включить.

     

    Масляные выключатели типа ВМП-10 и ВМГ-10. Измерение переходных сопротивлений контактов фазы выключателя типы ВМП-10 производится между полюсами выключателя.
    Ввиду того, что нормально переходные сопротивления контактов в месте подсоединения шин к масляному выключателю имеют малые сопротивления по сравнению с переходными сопротивлениями контактов масляного выключателя, измерительные щупы следует подключать непосредственно к шинам, отходящим от масляного выключателя.

     

    Масляные выключатели типа МКП, У-110, 220. Измерение переходных сопротивлений полюса выключателя допускается производить путем подсоединения измерительных щупов прибора так, чтобы в схему измерения входили аппаратные зажимы подсоединяемых к выключателям приборов ("провод-провод"). При этом величина переходного сопротивления полюса не должны превышать нормированную.
    При капитальных ремонтах масляных выключателей с разборкой производится в процессе регулировки измерение переходных сопротивлений каждой камеры и полюса целиком.
    б) шунтирующих резисторов дугогасительных устройств. Измеренное значение сопротивления должно отличаться от заводских данных не более чем на 3 %.
    в) обмоток электромагнитов включения и отключения. Значение сопротивлений обмоток должно соответствовать данным заводов-изготовителей. О порядке измерения сопротивлений обмоток необходимо руководствоваться указаниями соответствующими инструкциями.

     

    Измерение временных характеристик производится для выключателей всех классов напряжений.
    Измерение скорости включения и отключения следует производить для выключателей 35 кВ и выше, а также независимо от класса напряжения в тех случаях, когда это требуется инструкцией заводов-изготовителей. Измеренные характеристики должны соответствовать данным заводов-изготовителей.
    Скоростные характеристики выключателей являются показателями качества регулировки в процессе монтажа и капитальных ремонтов выключателей и их основной механической характеристикой.
    Для каждого типа выключателей заводом-изготовителем установлены определенные значения величины скорости движения контактов на отключение, при соблюдении которых гарантируются величины отключающих мощностей выключателя.
    Скорость движения контактов на включение непосредственно не влияет на разрывную мощность выключателей, но отклонение от нормальных значений скоростей на включение может вызвать неисправную работу выключателей за счет больших ударных механических нагрузок при больших скоростях в момент включения или вибрации и приваривания контактов при недовключениях и недостаточной скорости в момент включения.
    Обычной причиной уменьшения скорости движения контактов выключателей является ослабление отключающих пружин, заедание, перекосы, повышенное трение в механизме выключателя. Кроме того, неисправная работа механизма выключателя может быть следствием нечеткой работы привода, пониженного напряжения на электромагните включения выключателя в момент включения или несоответствия включающей катушки.
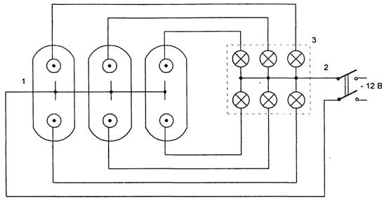
    Прибором для измерения скорости работы механизмов выключателя служит электромагнитный виброграф с приспособлениями.
    Виброграф представляет собой электромагнит с пишущим устройством на конце якоря. Катушка вибрографа подключается к источнику переменного тока с частотой 50 Гц и напряжением 12 В. Применение напряжения выше 12 В категорически запрещается. Якорь и стальная пластина, на котором закреплен карандаш, совершают 100 колебаний в секунду. Отклонение частоты переменного тока от 50 Гц в системе незначительны, поэтому с ним можно не считаться при измерениях.
    Если на движущейся части механизма выключателя укрепить бумажную ленту и подвести к ней карандаш включенного вибрографа, то на ленте описывается синусоида.
    Длина периода синусоиды зависит от скорости движения ленты, но так как лента укрепляется на траверсе выключателя, то синусоида, изображенная на ленте, соответствует скорости движения траверсы. Скорость определяется для каждого участка хода числом периодов описываемой вибрографом синусоиды, приходящихся на длину данного участка. Запись такого изображения называется виброграммой.
    Методика обработки виброграммы одинаковая для всех типов выключателей, а приспособления, при помощи которых укрепляется бумажная лента и держатель вибрографа, могут быть различны.
    Скоростные характеристики выключателя, пригодного к эксплуатации, должны соответствовать данным табл. 4.3.

     

    Таблица 4.3. Скоростные характеристики выключателей

    Тип вы-
    ключателя

    Тип при-
    вода

    Полный
    ход под-
    вижных
    контак-
    тов, мм

    Ход под-
    вижных
    контактов
    после за-
    мыкания
    (вжим),
    мм

    Разновре-
    менность
    замыка-
    ния и
    размыка-
    ния кон-
    тактов,
    мм

    Опе
    ра-
    ция

    Время, с,
    от подачи
    импульса до
    момента
    размыка-
    ния (при
    отключе-
    нии) или
    замыкания
    (при вклю-
    чении)
    контактов

    Скорость движения подвижных
    частей, м/с

    Примеча-
    ние

    макси-
    мальная

    в момент
    смыкания
    (при вклю-
    чении) или
    размыка-
    ния (при
    отключе-
    нии) кон-
    тактов

    в момент
    размыка-
    ния дугога-
    сительных
    контактов
    или про-
    межуточ-
    ного с не-
    подвиж-
    ным кон-
    тактом
    (при от-
    ключении)
    или их за-
    мыкания
    (при вклю-
    чении)

    1

    2

    3

    4

    5

    6

    7

    8

    9

    10

    11

    МГГ-10-
    1000

    ПЭ-21А

    290-300

    90-95

    4

    О
    В

    ≤ 0,1
    ≤ 0,4

    3,4±0,2
    2,8±0,3

     

    2,5±0,2
    2,7±0,3

     

    МГ-110

    ШПС-30

    183-190

    15-2+1

    3

    О
    В

    0,04-0,055
    0,3-0,4

     

     

     

     

    ВМГ-133

    ПС-10
    ПЭ-11
    ППМ-10

    245-255

    40±5

    2

    О
    В

    ≤ 0,1
    ≤ 0,23

    3,0-3,2
    3,2 для ПС-

    1,75-2,0
    2,4-3,0
    для ПС-10

     

     

    ВМГ-10

    ПЭ-11

    205-215

    40-50

    5

    О
    В

    ≤ 0,12
    0,3

    3,3-3,9
    2,0-2,6

    2,1-2,7
    2,0-2,6

     

     

    ВМП-10
    ВМ-10К

    ПЭ-11

    240-245

    55-63

    5

    О
    В

    ≤ 0,1
    ≤ 0,3

    ≤ 5,0
    ≤ 5,0

    3,0-3,8
    4,5±0,5

     

     

    ВМП-10П

    Встроен-
    ный пру-
    жинный
    привод

    240-245

    55-63

    5

    О
    В

    ≤ 0,1
    ≤ 0,2

    ≤ 5,0
    ≤ 6,0

    3,2-3,8
    ≤ 4,5

     

     

    ВММ-10

    "

    -

    32-38

    5

    О
    В

    ≤ 0,1
    ≤ 0,2

     

    ≤ 2,3
    ≤ 3,2

     

     

    ВС-10-63-
    -2,5

    "

    75-81

    10-12

    1 (одного
    полюса)
    2 (трех
    полюсов)

    О
    В

    0,08-0,1

    2,1-2,5
    1,3-1,7

    1,0-1,4
    1,0-1,4

     

    Без масла
    "

    ВС-10-32-
    -0,8

    "

    75-81

    10-12

    1 (одного
    полюса)
    2 (трех
    полюсов)

    О
    В

    0,8-0,1

    2,7-3,3
    1,8-2,2

    1,1-1,5
    1,2-2,0

     

    "
    "

    1

    2

    3

    4

    5

    6

    7

    8

    9

    10

    11

    ВМПЭ-10-
    -630-20
    ВМПЭ 10
    -1000-20
    ВМПЭ-10-
    -1600-20

    Встроен
    электро-
    магнитн

    204±3

    55±4

    5

    О
    В

    <0,09
    <0,3

    4,0+0,5
    4,8+0,4

    3,4Т0,4
    4,8+0,4

     

     

    ВМПЭ-10-
    -630-31,5
    ВМПЭ-10-
    -1000-31,5
    ВМПЭ-10-
    -1600-31,5

    "

    204±3

    55±4

    -

    О
    В

    <0,09
    <0,3

    4,010,05
    5,2~0,5

    3,4+0,4
    5,2+0,5

     

     

    ВМПЭ-10-
    -630-29
    ВМПЭ-10-
    -1000-29
    ВМПЭ-10-
    -1600-29

    "

    207~3

    60

    5

    О
    В

    <0,1
    <0,3

    4,010,5
    5,2~0,5

    3,4+0,,4
    5,2~0,5

     

     

    ВМПЭ-10-
    -3200-29

    "

    290~5

    80+3

    -

    О
    В

    <0,1
    <0,3

    3,7-4,7
    5,5-6,5

    3,2+0,4
    4,3

     

     

    ВМПЭ-10-
    -3200-31,5

    "

    235~5

    80~~3

    7

    О
    В

    <0,09
    <0,3

    4,5
    5,2+0,5

    3,5+0,4
    ~3,4

     

     

     

    Измерение скоростных характеристик масляных выключателей производится при полностью залитом масле, температуре окружающей среды +10°С, номинальном напряжении оперативного тока на зажимах обмоток электромагнитов включения и отключения, а также при напряжении 0,8•Uном на зажимах электромагнитов включения и 0,65•Uном на зажимах электромагнитов отключения.
    На траверсу выключателя устанавливают линейку с бумагой - рекомендуется
    наклеить бумагу на обе стороны линейки). Настраивают виброграф так, чтобы карандаш включенного вибрографа без заеданий и с амплитудой 5-8 мм мог скользить по бумаге. При этом делается первая отметка на линейке вибрографа с пометкой "Начало включения" .
    Между выводами фазы выключателя, на котором производится снятие скоростной характеристики, включают омметр. Назначение последнего - определить момент замыкания контактов выключателя.
    Устанавливают домкрат в привод выключателя и постепенно включают выключатель до тех пор, пока омметр не покажет:

    а) на многообъемных выключателях типа МКП, У-110-220 сумму двух шунтирующих сопротивлений, что соответствует замыканию внешних контактов масляного выключателя, или нуль, что соответствует замыканию внутренних контактов;
    б) на малообъемных выключателях типа ВМГ, МГГ, МГ, ВМП - нуль, что соответствует замыканию контактов выключателя.
    При каждом измерении показания омметра делается риска на линейке вибрографа с соответствующей отметкой.
    Включение выключателя производится до тех пор, пока привод его не встанет на защелку. Делается последняя риска вибрографом с пометкой "Конец включения".
    Расстояние от предпоследней риски линейки вибрографа до полного включения выключателя соответствует вжатию контактов выключателя.
    На выключателях типов ВМГ, МГГ, МГ, ВМП делается 3 риски (начало включения, момент касания подвижного и неподвижного контактов, конец включения).
    На выключателях типов МКП и серии У делается 4 риски (начало включения, момент касания внешних контактов, момент касания внутренних контактов, конец включения).
    Отключение выключателя домкратом и отметка рисок на обратной стороне линейки вибрографа производится в обратном порядке.
    Убирают домкрат из привода выключателя.
    Производят включение масляного выключателя с выполнением правил техники безопасности, а затем, переставив линейку, отключение его. При этом на линейке вибрографа получается две виброграммы-включения и отключения.
    Для обработки виброграмм необходима измерительная линейка с миллиметровыми делениями соответствующей длины, поскольку полный ход траверсы различных выключателей, различен. Например, выключатель МКП-110М имеет полный ход равный 510 (+5; -10) мм, выключатель типа ВМП-10 имеет ход контактов 240-245 мм. При отсутствии измерительной линейки можно пользоваться полоской из миллиметровой бумаги.
    Для определения средней скорости на любом участке движения траверсы необходимо длину этого участка делить на время, за которое этот участок был пройден траверсой (см. рис. 4.5)


    где Lуч – длина участка; 1-время движения на участке, с.

     

     

    Рис. 4.5. Скоростные характеристики масляных выключателей.
    а - обработка виброграммы; б - зависимость скорости движения траверсы выключателя МКП-35 от пройденного пути.

     

    Время, за которое проходит любой участок траверса, определяется подсчетом числа периодов синусоиды (по максимумам или минимумам). Так как частота вибрации вибрографа равна 100 Гц, то время одного периода равно 0,01 с. Следовательно, измерив расстояние между двумя точками и поделив его на число периодов синусоиды, вписанных в него, получаем среднюю скорость на данном участке:


    где n – число синусоид.
    Для определения скорости движения траверсы в какой-либо точке ее хода вычисляется средняя скорость за интервал двух периодов, прилегающих к этой точке

     

    По виброграммам включения и отключения определяются скоростные характеристики выключателей в тех точках, которые для каждого вида выключателя определяются заводом-изготовителем. Последними, как правило, даются значения скорости в моменты замыкания и размыкания контактов и в момент выхода контактов из гасительных камер, а также значения максимальной скорости при включении и отключении выключателя. Эти данные являются отправными для оценки качества работы выключателя.
    На каждой виброграмме необходимо записывать тип выключателя, название присоединения, где он установлен, дату снятия виброграммы, напряжение постоянного тока на электромагните выключателя в момент включения выключателя, наличие или отсутствие масла в баках выключателя.

     

    Измерение хода подвижных частей (траверс) выключателя, вжима контактов при включении, одновременности замыкания и размыкания контактов.

     

    Полученные в результате измерений значения должны соответствовать данным заводов-изготовителей.
    Для измерения хода подвижных частей баковых выключателей измеряется расстояние между подвижными и неподвижными контактами в отключенном положении выключателя, называемое ходом контактной траверсы. Затем вручную выключатель включают до соприкосновения подвижных контактов с неподвижными и на изолирующей штанге делают отметку, соответствующую этому положению. Далее выключатель доводят до включенного положения и на изолирующей штанге делается отметка, соответствующая новому положению траверсы. Расстояние между отметками соответствует ходу подвижных контактов после их замыкания с неподвижными (вжиму). Полный ход контактной системы траверсы представляет сумму измеренных значений.
    Для измерения полного хода тяги (траверсы) с помощью метки отмечают положение тяги (траверсы) при включенном положении выключателя. После отключения выключателя наносят вторую метку и измеряют расстояние между метками, соответствующее полному ходу тяги (траверсы). У выключателей типа ВМП-10 данная проверка производится с помощью контрольного стержня, вворачиваемого при снятой верхней крышке полюса по резьбе в торце подвижного контакта. На контрольном стержне отмечают положение подвижного контакта в обоих положениях выключателя и по ним измеряют полный ход тяги.
    Ход (вжим) подвижных контактов горшковых выключателей после замыкания определяют по схеме рис. 4.6. Выключатель медленно вручную включается и при загорании лампы делается отметка на тяге (для ВМП-10-на контрольном стержне), после чего выключатель доводится до включенного положения и вновь делается отметка. Измеренное расстояние между отметками соответствует вжиму контактов. Измерения производятся для каждой фазы.
    Проверка одновременности замыкания и размыкания контактов выключателя производится также по схеме рис. 4.6. Одновременность замыкания и размыкания контактов определяется при медленном ручном включении и отключении выключателя по меткам, наносимым при загорании и погасании ламп, фиксирующих моменты замыкания и размыкания соответствующих контактов выключателя.

     


    Рис. 4.6. Схема определения разновременности замыкания контактов масляного выключателя.
    1 - подвижный контакт выключателя; 2 - рубильник; 3 - сигнальные лампы.

     

    Измеренное значение хода подвижных частей, вжима контактов, одновременности замыкания и размыкания контактов должны соответствовать заводским данным (см. табл. 4.3).

     

    Проверка регулировочных и установочных характеристик механизмов, приводов и выключателей.

    Проверка производится в объеме и по нормам инструкций заводов-изготовителей и паспортов каждого типа привода и выключателя.

     

    Проверка действия механизма свободного расцепления.

    Производится на участке хода подвижных контактов при включении - от момента замыкания первичной цепи выключателя (с учетом промежутка между его контактами, пробиваемого при сближении последних) до полного включенного положения. При этом должны учитываться специфические требования, обусловленные конструкцией привода и определяющие необходимость проверки действия механизма свободного расцепления при поднятом до упора сердечнике электромагнита включения или при незаведенных пружинах (грузе) и т.д.
    Под свободным расцеплением понимается возможность освобождения выключателя от связи с удерживающим и заводящим механизмами привода при срабатывании отключающего устройства, после чего выключатель отключается под действием своих отключающих пружин. Свободное расцепление должно быть обеспечено, по крайней мере на участке хода включения, от замыкания цепи выключателя с учетом длины промежутка между его контактами, пробиваемого при сближении последних, до полного включенного положения выключателя.
    Проверка (опробование) действия механизма свободного расцепления должна быть выполнена при включенном положении привода, в двух-трех промежуточных положениях и на границе зоны действия свободного расцепления. В последних случаях проверка осуществляется при медленном доведении выключателя рычагом или домкратом до соприкосновения контактов. Импульс на отключение при этих проверках подают через блок-контакты в цепи отключающей катушки.

     

    Проверка напряжения (давления) срабатывания приводов выключателей.

    Производится (без тока в первичной цепи выключателя) с целью определения фактических замыканий напряжения на зажимах электромагнитов приводов или давления сжатого воздуха пневмоприводов, при которых выключатели сохраняют работоспособность, т.е. выполняют операции включения и отключения от начала до конца.
    При этом временные и скоростные характеристики могут не соответствовать нормируемым значениям. Напряжение срабатывания должно быть на 15-20 % меньше нижнего предела рабочего напряжения на зажимах электромагнитов приводов, а давление срабатывания пневмоприводов на 20-30% меньше нижнего предела рабочего давления.
    Работоспособность выключателя с пружинным приводом необходимо проверить при уменьшенном натяге включающих пружин согласно указаниям инструкций заводов-изготовителей.
    Масляные выключатели должны обеспечивать надежную работу при следующих значениях напряжения на зажимах электромагнитов приводов: при отключении 65-120 % номинального; при включении выключателей 80-110 % номинального (с номинальным током включения до 50 кА) и 85-110 % номинального (с номинальным током включения более 50 кА).
    Для выключателей с пневмоприводами диапазон изменения рабочего давления должен быть не менее 90-110 % номинального.
    При указанных значениях нижних пределов рабочего напряжения (давления) приводов выключатели (без тока в первичной цепи) должны обеспечивать нормируемые заводами-изготовителями для соответствующих условий временные и скоростные характеристики.

     

    Испытание выключателя многократными включениями и отключениями.

    Многократные опробования масляных выключателей производятся при напряжении на зажимах электромагнитов: включения 110, 100, 80 (85)% номинального и минимальном напряжении срабатывания; отключения – 120, 100, 65 % номинального и минимальном напряжении срабатывания.
    Количество операций при пониженном и повышенном напряжении должно быть 3-5, а при номинальном напряжении -10.
    Кроме того, выключатели следует подвергнуть 3-5-кратному опробованию в цикле "В-О" (без выдержки по времени), а выключатели, предназначенные для работы в режиме АПВ, также 2-3-кратному опробованию в циклах "О-В" и "О-В-О". Работа выключателя в сложных циклах должна проверяться при номинальном и пониженном до 80 % (85 %) номинального напряжениях на зажимах электромагнитов приводов.
    Если по условиям работы источника питания оперативного тока не представляется возможность увеличить его напряжение и произвести испытание выключателя при напряжении 110-220% номинального, то допускается проведение испытания при то напряжении выше номинального на зажимах катушек привода, которое может быть по лучено.

     

    Испытание трансформаторного масла выключателей.

    У баковых выключателей всех классов напряжений и малообъемных выключателей 110 кВ и выше испытание масла производится до и после заливки масла в выключатели.
    У малообъемных выключателей до 35 кВ масло испытывается до заливки в дугогасительные камеры. Испытание масла производится в соответствии с требованиями..

     

    Проведение периодических проверок, измерений и испытаний масляных выключателей, находящихся в эксплуатации.

     

    Нормы испытаний масляных выключателей, находящихся в эксплуатации.

    Масляные выключатели, находящиеся в эксплуатации, подвергаются периодическим проверкам, измерениям и испытаниям (далее испытаниям) в объеме и в сроки, предусмотренные данным разделом.
    Профилактические испытания проводят при проведении капитального ремонта (К), текущего ремонта (Т) и в межремонтный период (М).
    К, Т, М – проводятся в сроки, устанавливаемые системой ППР, но К - не реже 1 раза в 8 лет.
    Объем профилактических испытаний, предусмотренных ПЭЭП, включает следующие работы.
    1. Измерение сопротивления изоляции:
    а) подвижных и направляющих частей, выполненных из органических материалов;
    б) вторичных цепей, в том числе включающей и отключающей катушек.
    2. Оценка состояния внутрибаковой изоляции баковых масляных выключателей 35 кВ и дугогасительных устройств.
    3. Испытание повышенным напряжением промышленной частоты:
    а) изоляции выключателей;
    б) изоляции вторичных цепей и обмоток включающей и отключающей катушек.
    4. Измерение сопротивления постоянному току:
    а) контактов масляных выключателей;
    б) шунтирующих резисторов дугогасительных устройств;
    в) обмоток включающей и отключающей катушек.
    5. Проверка времени движения подвижных частей выключателя.
    6. Измерение хода подвижной части выключателя, вжима (хода) контактов при включении, контроль одновременности замыкания и размыкания контактов.
    7. Проверка действия механизма свободного расцепления.
    8. Проверка срабатывания привода при пониженном напряжении (давлении).
    9. Испытание выключателя многократными включениями и отключениями,
    10. Испытание трансформаторного масла из баков выключателя.
    11. Испытание встроенных трансформаторов тока.

     

    Измерение сопротивления изоляции.

    а) подвижных и направляющих частей, выполненных из органических материалов.
    Проводится при капитальном ремонте.
    Измерение производится мегаомметром на напряжение 2500 В или от источника напряжения выпрямленного тока. Результаты измерения должны соответствовать данным табл. 4.4.

     

    Таблица 4.4. Наименьшее допустимое сопротивление изоляции подвижных и направляющих частей выключателей, выполненных из органического материала

    Номинальное
    напряжение, кВ

    Сопротивление
    изоляции, МОм

    Номинальное
    напряжение, кВ

    Сопротивление
    изоляции, МОм

    Номинальное
    напряжение, кВ

    Сопротивление
    изоляции, МОм

    3-10

    300

    15-150

    1000

    220

    3000

    Примечание: данные табл. 22 приложение 1.1 ПЭЭП.

     

    О порядке проведения измерения изоляции следует руководствоваться указания
    б) вторичных цепей, в том числе включающей и отключающей катушек.
    Проводится при капитальном и текущем ремонтах.
    Сопротивление изоляции должно быть не менее 1 МОм.
    Производится мегаомметром на напряжение 1000 В.
    О порядке проведения измерения изоляции следует руководствоваться указаниями соответствующими требованиями.

     

    Оценка состояния внутрибаковой изоляции баковых масляных выключателей 35 кВ и дугогасительных устройств

    Проводится при капитальном ремонте.
    Оценка состояния внутрибаковой изоляции производится, если tgδ вводов повышен.
    Изоляция подлежит сушке, если ее исключение (внутрибаковой изоляции, из процесса измерения) снижает tgδ вводов более чем на 5 %.
    О порядке оценки состояния внутрибаковой изоляции следует руководствоваться соответствующими указаниями.

     

    Испытание повышенным напряжением промышленной частоты.

    Проводится при капитальном ремонте.
    Длительность испытания 1 мин.
    а) изоляции выключателей
    О порядке проведения испытания повышенным напряжением изоляции выключателей руководствоваться указаниями по испытаниям
    Величина испытательного напряжения должна соответствовать данным табл. 4.5.
    У малообъемных выключателей 6-10 кВ испытывается также изоляция контактного разрыва.

     

    Таблица 4.5. Одноминутное испытательное напряжение промышленной частоты для аппаратов, измерительных трансформаторов, изоляторов и вводов

    Класс напряжения, кВ

    Испытательное напряжение, кВ

    Аппараты*, трансформаторы тока и напряжения

    Фарфоровая изоляция

    Другие виды изоляции**

    до 0,69
    3
    6
    10
    15
    20
    35

    1
    24
    32
    42
    55
    65
    95

    1
    22
    29
    38
    50
    59
    86

    Примечание: Данные табл. 18 приложение 1.1 ПЭЭП.

    *Аппараты-силовые выключатели, выключатели нагрузки, разъединители, отделители, короткозамыкатели, заземлители, предохранители, вентильные разрядники, комплектные распределительные устройства, комплектные экранированные токопроводы, конденсаторы связи.

    ** Под другими видами изоляции понимается бумажно-масляная изоляция, изоляция из органических твердых материалов, кабельных масс, жидких диэлектриков, а также изоляция, состоящая из фарфора в сочетании с перечисленными диэлектриками.

     

    Испытанию повышенным напряжением должна также подвергаться изоляция тяг и направляющих масляных выключателей после их ремонта, лакировки и сушки. Для этого тяга делится на участки по 100 мм плотно наложенными станиолевыми бандажами шириной 5-10 мм, к которым подается испытательное напряжение 40 кВ (см. рис. 4.7). Длительность испытания каждого участка 5 мин. Тяга считается выдержавшей испытание, если не наблюдалось сплошное перекрытие или перекрытие скользящими разрядами ни на одном из участков, а после испытания отсутствуют местные перегревы и потемнение поверхности.
    б) изоляции вторичных цепей и обмоток включающей и отключающей катушек.
    Производится напряжением 1000 В.
    При проведении испытания мегаомметром на 2500 В можно не выполнять измерений сопротивления изоляции мегаомметром 500-1000 В.
    О порядке проведения испытания следует руководствоваться указаниями в соответствующими документами.

     


    Рис. 4.7. Схема испытания тяг и направляющих масляного выключателя

     

    Измерение сопротивления постоянному току.

    а) контактов масляных выключателей.
    Проводится при капитальном, текущем ремонтах и в межремонтный период.
    Сопротивление токоведущего контура и его частей должно соответствовать заводским нормам. Одновременно сопротивление сравнивается с измеренным на аналогичном оборудовании и других фазах.
    Если сопротивление контактов возросло против нормы в 1.5 раза, контакты должны быть улучшены.

    б) шунтирующих резисторов дугогасительных устройств. Сопротивление шунтирующих резисторов должно отличаться от заводских данных не более чем на 3 %.
    в) обмоток включающей и отключающей катушек.
    Сопротивление обмоток катушек должно соответствовать заводским данным.
    О порядке измерения сопротивления постоянному току элементов масляных выключателей следует руководствоваться указаниями.

     

    Проверка времени движения подвижных частей выключателя.

    Проводится при капитальном и текущем ремонтах.
    Полученные значения времени от подачи команды до момента замыкания (размыкания) контактов масляных выключателей должны отличаться от паспортных данных не более чем на ±10 % (см. табл. 4.3).
    Данная проверка осуществляется с помощью секундомера, миллисекундомера или осциллографа. При определении времени включения цепь питания измерительного прибора подключается параллельно контактам выключателя, а при измерении времени отключения - последовательно (см. рис. 4.8). Одновременно подается питание на электромагнит включения (отключения) выключателя и измерительный прибор. При включении выключателя его контакты шунтируют обмотку измерительного прибора, а при отключении питание с нее снимается.

     


    Рис. 4.8. Схемы измерения времени отключения (а) и включения (б) масляного выключателя.
    1 - масляный выключатель; 2 - электросекундомер; 3 - электромагнит отключения;
    4 - вспомогательный контакт; 5 - электромагнит включения.

     

    Измерение хода подвижной части выключателя, вжима (хода) контактов при включении, контроль одновременности замыкания и размыкания контактов.

    Проводится при капитальном и текущем ремонтах.
    Измеренные значения должны соответствовать данным, приведенным в заводских инструкциях.
    О порядке измерений следует руководствоваться указаниями выше.

     

    Проверка действия механизма свободного расцепления.

    Проводится при капитальном и текущем ремонтах.
    Механизм свободного расцепления должен быть проверен в работе при включенном положении привода, в двух-трех промежуточных его положениях и на границе зоны действия свободного расцепителя.
    О порядке проверки следует руководствоваться указаниями выше.

     

    Проверка срабатывания привода при пониженном напряжении (давлении).

    Проводится при капитальном ремонте.
    Минимальное напряжение срабатывания катушек отключения приводов масляного выключателя должно быть не менее 35 % номинального, а напряжение их надежной работы не более 65 % номинального. Напряжение надежной работы контакторов масляного выключателя должно быть не более 80 % номинального. Фактическое давление срабатывания пневмоприводов должно быть на 20-30 % меньше нижнего предела рабочего давления. Наименьшее напряжение срабатывания электромагнитов управления выключателей с пружинными приводами должно определяться при рабочем натяге (грузе) включающих пружин согласно указаниям заводских инструкций.
    Напряжение срабатывания - наименьшее напряжение действия привода независимо от времени его работы. Напряжение надежной работы-то же, но с заданным временем работы.
    О порядке проверки следует руководствоваться указаниями выше.

     

    Испытание выключателя многократными включениями и отключениями.

    Проводится при капитальном ремонте.
    Включение и отключение выключателя при многократном опробовании должны производиться при напряжениях в момент включения на зажимах катушки привода 110, 100, 90 и 80 % номинального. Число операций для каждого режима опробываний 3-5.
    Если по условиям работы источника питания оперативного тока не представляется возможным провести испытание при напряжении 1,1 13 то допускается проведение его при максимальном напряжении на зажимах катушки привода, которое может быть получено. Выключатели, предназначенные для работы в цикле АПВ, должны быть подвергнуты двух- трехкратному опробованию в цикле О-В-О при номинальном напряжении на зажимах катушки привода.
    О порядке проверки следует руководствоваться также указаниями выше.

     

    Испытание трансформаторного масла из баков выключателя.

    Проводится при капитальном и текущем ремонтах.
    Испытание трансформаторного масла проводится в объеме п.п. 1-6 табл. 2.21
    После отключения короткого замыкания мощностью больше половины паспортного значения разрывной мощности многообъемных масляных выключателей независимо от напряжения и малообъемных масляных выключателей напряжением 110 кВ и выше производится испытание на наличие взвешенного угля. У малообъемных выключателей напряжением до 35 кВ масло не испытывается; оно заменяется свежим при капитальном ремонте, а также после трехкратных отключений короткого замыкания мощностью больше половины паспортного значения разрывной мощности масляного выключателя.
    О порядке испытания трансформаторного масла следует руководствоваться указаниями.

Продолжая пользоваться сайтом, Вы соглашаетесь на обработку файлов cookie в соответствии с пользовательским соглашением и политикой конфиденциальности
Нужен кабель? Оформи заявку бесплатно