ГОСТ Р МЭК 332-3-96 Испытания кабелей на нераспространение горения. Испытание проводов или кабелей, проложенных в пучках

    09.07.2010

    Дата введения 1998-01-01

    Предисловие 

    1. РАЗРАБОТАН И ВНЕСЕН Техническим комитетом ТК 46 "Кабельные изделия" при АО "Всероссийский научно-исследовательский, проектно-конструкторский и технологический институт кабельной промышленности" (АО ВНИИКП) Росскоммаша

    2. ПРИНЯТ И ВВЕДЕН В ДЕЙСТВИЕ Постановлением Госстандарта России от 23 декабря 1996 г. № 682

    3. Настоящий стандарт представляет собой аутентический текст МЭК 332-3-1992 "Испытания кабелей на нераспространение горения. Испытание проводов или кабелей, проложенных в пучках"

    4. ВВЕДЕН ВПЕРВЫЕ

    Содержание: Предисловие
    1. Общие положения
    1.1. Область применения
    1.2. Нормативные ссылки
    2. Общие требования к проведению испытаний
    2.1. Требования к образцу и категории испытаний
    2.2. Требования к испытательной установке
    2.3. Определение числа отрезков
    2.4. Крепление образца
    2.5. Источник воспламенения
    2.6. Расположение источника воспламенения
    2.7. Проведение испытания
    2.8. Оценка результатов и проведение повторного испытания
    2.9. Определение кислородного индекса (КИ)
    2.10. Выбор кабеля для испытаний
    3. Крепление образцов и время воздействия пламени для испытания категории А, кодовые обозначения F/R и F
    3.1. Выбор образцов
    3.2. Крепление отрезков
    3.3. Расположение образцов
    3.4. Время воздействия пламени
    4. Крепление образцов и время воздействия пламени для испытания категории В, кодовое обозначение F
    4.1. Выбор образцов
    4.2. Крепление отрезков
    4.3. Расположение образцов
    4.4. Время воздействия пламени
    5. Крепление образцов и время воздействия пламени для испытания категории С, кодовое обозначение F
    5.1. Выбор образцов
    5.2. Крепление отрезков
    5.3. Расположение образцов
    5.4. Время воздействия пламени Приложение А Метод определения кислородного индекса неметаллических материалов кабелей

     

    1. ОБЩИЕ ПОЛОЖЕНИЯ

    1.1. Область применения

    Настоящий стандарт устанавливает метод испытаний по определению стойкости кабелей или проводов, проложенных в пучках, к распространению горения независимо от их назначения, например, силовые кабели или кабели связи (в т. ч. кабели для передачи информации и оптические кабели) и т д.

    Установлены три категории испытаний, которые отличаются продолжительностью испытания и объемом неметаллического материала в образце (таблица 1), они однозначно не связаны с конкретными уровнями обеспечения безопасности при реальных способах прокладки кабелей. Категория А имеет два кодовых обозначения для способов крепления.

     

    1.2. Нормативные ссылки

    В настоящем стандарте использованы ссылки на следующие стандарты:

    • ГОСТ Р МЭК 332-1-96 Испытания кабелей на нераспространение горения. Испытание одиночного вертикально расположенного изолированного провода или кабеля;
    • ГОСТ Р МЭК 332-2-96 Испытания кабелей на нераспространение горения. Испытание одиночного вертикально расположенного изолированного провода или кабеля небольшого диаметра с медными жилами;
    • ГОСТ 12175-90 Общие методы испытаний материалов для изоляции и оболочек электрических кабелей. Методы определения плотности. Испытания на водопоглощение и усадку

     

    2. ОБЩИЕ ТРЕБОВАНИЯ К ПРОВЕДЕНИЮ ИСПЫТАНИЙ

    2.1. Требования к образцу и категории испытаний

    Образец должен состоять из нескольких отрезков кабеля или провода (в дальнейшем - кабеля) длиной не менее 3,5 м каждый, отобранных от одной строительной длины.

    Общее число отрезков кабеля в образце должно быть таким, чтобы общий номинальный объем неметаллического материала в 1 м образца составлял для категорий:

    • А - 7 л;
    • В - 3,5 л;
    • С- 1,5л.

     

    2.2. Требования к испытательной установке

    2.2.1. Камера и подача воздуха

    Испытательная установка (рисунок 1) представляет собой вертикальную испытательную камеру шириной (1000±100) мм, глубиной (2000±100) мм и высотой (4000±100) мм; пол камеры должен быть приподнят над уровнем земли. Стыки стенок камеры должны быть воздухонепроницаемыми. Воздух должен свободно поступать через отверстие размерами (800±20) х (400± 10) мм, находящееся в полу камеры на расстоянии (150± 10) мм от ее передней стенки.

    Объемный расход воздушного потока должен быть предварительно отрегулирован до значения (5000±500) л/мин при температуре (20±10) °С и измеряться на входе или выходе камеры. Эти характеристики должны постоянно контролироваться во время испытания.

    Выходное отверстие размерами (300±30) х(1000±100) мм должно быть в задней части верха испытательной камеры. Задняя и боковая стенки камеры должны иметь термоизоляцию, обеспечивающую коэффициент теплопередачи около 0,7 Вт/(м2 · К). Например, для стального листа толщиной 1,5-2,0 мм достаточно покрытие слоем асбестовой ваты толщиной 65 мм (рисунок 1а). Расстояние между лестницей и задней стенкой камеры - (150±10) мм, а от нижней перекладины лестницы до пола - (400±5) мм. Расстояние от самой нижней точки образца до пола камеры должно быть около 100 мм (рисунок 3).

    2.2.2. Типы лестниц

    Используют два типа лестниц: стандартную шириной 500 мм и широкую шириной 800 мм. Конкретное описание типов лестниц и способы крепления приведены в разделах 3-5 (см. рисунки 2, 2а, 3, За-г).

    2.2.3. Дымоочистительное устройство

    При необходимости используют устройство для сбора и очистки дыма, выходящего из испытательной камеры. Устройство, обеспечивающее сбор дыма, выходящего из камеры, не должно влиять на скорость потока воздуха, проходящего через испытательную камеру.

     

    2.3. Определение числа отрезков

    Для расчета требуемого числа отрезков кабеля определяют объем неметаллического материала в 1 м одного отрезка.

    Образец кабеля длиной не менее 0,3 м вырезают так, чтобы поверхности среза были перпендикулярны к оси кабеля, что обеспечивает точное измерение его длины.

    Образец разбирают и каждый неметаллический материал взвешивают ( Сi ). Неметаллические материалы, масса которых составляет менее 5 % от общей массы неметаллических материалов, допускается не учитывать.

    Если электропроводящие экраны нельзя снять с изоляционного материала, эти компоненты принимают за одно целое при измерении их массы и определении плотности.

    Плотность каждого неметаллического материала (включая пористые материалы) определяют соответствующим методом, например по разделу 8 ГОСТ 12175, для получения значений с точностью до второго десятичного знака. Для ленточных и волокнистых материалов значение плотности принимают равным 1.

    Объем Vi (л/м длины кабеля) каждого неметаллического материала Сi определяют по формуле

     

    (1)

    где Мi - масса материала Сi, кг; Рi - плотность материала Сi, кг/дм3;
    l - длина образца кабеля, м.

    Общий объем V неметаллических материалов, содержащихся в 1 м кабеля, равен сумме отдельных объемов V1, V2 и т. д.

    Ближайшее целое число (0,5 и выше округляют до 1) отрезков, формирующих образец, получают делением объема на метр кабеля, указанного в 2.1 для конкретной категории испытаний, на общий объем V.

     

    2.4. Крепление образца

    Способы крепления предварительно определенного числа отрезков, формирующих образец, приведены в разделах 3-5

    Для категории испытаний А применяют два способа крепления (с кодовым обозначением F/R и F), для категорий испытаний В и С - только один способ (с кодовым обозначением F).

    Для идентификации можно использовать следующие обозначения:

    • - категория А: кодовое обозначение F/R - 332-ЗА F/R;кодовое обозначение F - 332-ЗА F;
    • - категория В, кодовое обозначение F - 332-3В F;
    • - категория С, кодовое обозначение F - 332-ЗС F;

     

    2.5. Источник воспламенения

    Источником воспламенения являются одна или две пропановые газовые горелки ленточного типа с индивидуальными расходомерами и смесителями Вентури. Рабочая часть горелки в виде плоской металлической пластины длиной (341±5) мм и шириной (30±5) мм имеет 242 отверстия диаметром (1,32±0,03) мм, расположенных на расстоянии 3,2 мм друг от друга ступенчато тремя рядами по 81, 80 и 81 отверстий в каждом, при этом образуется прямоугольник с номинальными размерами (257±5) х (4,5+0,5) мм, как показано на рисунке 4. Поскольку отверстия в пластине могут высверливаться без применения специального инструмента, допускаются небольшие отклонения от указанного межцентрового расстояния. Кроме того, на каждой стороне пластины могут быть высверлены небольшие вспомогательные отверстия, обеспечивающие поддержание зажженного пламени.

    Каждая горелка должна быть снабжена устройством, контролирующим скорости подачи пропана и воздуха. На рисунке 5 показан пример системы контроля Калибровка пропанового ротаметра должна проводиться после монтажа при помощи расходомера для того, чтобы трубопровод и смеситель Вентури не нарушали калибровку.

    При изменении температуры и давления по сравнению с установленными для пропанового ротаметра при необходимости должны вноситься поправки.

    При данном испытании точка росы должна быть не выше 0 °С, объемный расход на входе должен быть (76,7±4,7) л/мин, скорость потока пропана должна быть (13,3±0,5) л/мин при давлении 1 атм. и температуре 20 °С для обеспечения интенсивности тепловыделения (73,7±1,68) · 106 Дж/ч или (20,5±0,5) кВт для каждой горелки. Примечание - По величине интенсивности тепловыделения определена скорость потока пропана.

     

    2.6. Расположение источника воспламенения

    При испытании горелка должна быть установлена на расстоянии (75±5) мм от передней поверхности образца и на высоте (600±5) мм над полом испытательной камеры. Точка приложения пламени должна находиться между двумя перекладинами лестницы на расстоянии (500±5) мм от нижнего конца образца (рисунок 3).

    Допускается проводить регулировку потока воздуха и газа до испытания без установленной горелки.

    Если используют две горелки одновременно для испытания по категории А (с кодовым обозначением F) с применением широкой лестницы (раздел 3), они должны быть расположены так, как показано на рисунке 4а.

     

    2.7. Проведение испытания

    2.7.1. Условия испытания

    Испытание проводят при скорости ветра, измеренной анемометром, установленным на испытательной камере, не более 8 м/с и при температуре внутри камеры не ниже 5 или не выше 40 °С. Измерение проводят на расстоянии около 1,5 м над уровнем пола, 50 мм от боковой стенки и 1 м от двери. Дверь камеры в течение всего испытания должна быть закрыта.

    Кабели или отрезки, образующие образец, должны быть выдержаны перед началом испытания при температуре (23±5) °С не менее 16 ч. Испытательная камера должна быть сухой.

    2.7.2. Время воздействия пламени

    См. разделы 3, 4 и 5.

     

    2.8. Оценка результатов и проведение повторного испытания

    2.8.1. Оценка результатов

    После прекращения горения образец тщательно протирают. Если горение продолжается более 1 ч после удаления источника воспламенения, кабели следует потушить.

    На протертом образце допускается наличие сажи, если его поверхность не повреждена. Допускается размягчение или деформация неметаллического материала образца. Длину поврежденной части измеряют с точностью до первого десятичного знака от нижнего края горелки до конца обугленной части, который определяют следующим образом.

    На поверхность кабеля нажимают острым предметом, например лезвием ножа. Место, где фиксируется изменение упругой поверхности образца на хрупкую (крошащуюся), считают концом обугленной части.

    Длина обугленной части образца, измеренная от нижнего края горелки с обоих сторон лестницы, должна быть не более 2,5 м.

    2.8.2. Проведение повторного испытания

    В случае возникновения разногласий по оценке результатов проводят два дополнительных испытания в соответствии с 2.7. Если оба испытания удовлетворяют требованиям 2.8.1, результаты испытания считают положительными.

     

    2.9. Определение кислородного индекса (КИ)

    Если требуется определить КИ всех неметаллических материалов, используют метод, приведенный в приложении А. Компоненты, составляющие менее 5 % массы неметаллических материалов, не учитывают.

    Значение КИ, определенное для данной конструкции, используют как основу при контроле качества любой последующей продукции, чтобы гарантировать ее соответствие данному испытанию.

    Следует учитывать отсутствие однозначной связи величины КИ материалов с распространением огня по кабелю.

     

    2.10. Выбор кабеля для испытаний

    Выбор сечения токопроводящей жилы для испытаний проводят по согласованию между потребителем и изготовителем с учетом следующих требований.

    Ограниченная емкость лестниц требует выбора такого сечения токопроводящих жил кабелей, которое обеспечивает необходимый объем неметаллического материала при данном методе крепления. Кроме того, нельзя допускать испытание образца, состоящего из одиночного отрезка.

    2.10.1. Категория А, кодовое обозначение F/R Для кабелей с токопроводящими жилами сечением более 35 мм2 выбор кабеля должен обеспечивать на каждой стороне лестницы такое число отрезков, которое необходимо для формирования одного слоя шириной 300 мм на каждой стороне с зазором между кабелями, равным половине диаметра кабеля, но не более 20 мм.

    2.10.2. Категория А, кодовое обозначение F Для кабелей с токопроводящими жилами сечением более 35 мм2 выбор кабеля должен обеспечить на одной стороне лестницы такое число отрезков, которое необходимо для формирования одного слоя шириной 600 мм с зазором между кабелями, равным половине диаметра кабеля, но не более 20 мм.

    2.10.3. Категория В, кодовое обозначение F Для кабелей с токопроводящими жилами сечением более 35 мм2 выбор кабеля должен обеспечить на одной стороне лестницы такое число отрезков, которое необходимо для формирования одного слоя шириной 300 мм с зазором между кабелями, равным половине диаметра кабеля, но не более 20 мм.

    2.10.4. Категория С, кодовое обозначение F Выбор сечения жил кабеля должен обеспечивать размещение образца, состоящего не менее чем из двух закрепленных на лестнице отрезков.

    Для кабелей с токопроводящими жилами сечением более 35 мм2 выбор кабеля должен обеспечить на передней стороне лестницы такое число отрезков, которое необходимо для формирования одного слоя шириной 300 мм с зазором между кабелями, равным половине диаметра кабеля, но не более 20 мм.

    2.10.5. Для категорий А, В и С с кодовым обозначением F при сечении жил кабеля до 35 мм2 включ. какие-либо требования по выбору сечения токопроводящей жилы не устанавливаются. Указанные требования не распространяются также на кабели связи, кабели для передачи информации и оптические кабели. Сводные данные по выбору кабелей приведены в таблице 2.

     

    3. КРЕПЛЕНИЕ ОБРАЗЦОВ И ВРЕМЯ ВОЗДЕЙСТВИЯ ПЛАМЕНИ ДЛЯ ИСПЫТАНИЯ КАТЕГОРИИ А, КОДОВОЕ ОБОЗНАЧЕНИЕ F/R ИЛИ F

    3.1. Выбор образцов

    Число отрезков кабеля в образце должно быть таким, чтобы номинальный общий объем неметаллических материалов в 1 м образца, рассчитанный в соответствии с 2.3., составлял 7 л. Условия испытания приведены в таблице 1. Сечение токопроводящих жил кабеля должно быть выбрано в соответствии с 2.10. и таблицей 2.

     

    3.2. Крепление отрезков

    Для кабелей с токопроводящими жилами сечением более 35 мм2 каждый отрезок кабеля прикрепляют отдельно к каждой перекладине лестницы при помощи проволоки (стальной или медной) диаметром 0,5-1,0мм.

    Для кабелей с токопроводящими жилами сечением до 35 мм2 включ. используют тот же способ, если отрезки располагают одним слоем.

    Если для формирования образца требуется несколько слоев, отрезки скрепляют в отдельные пучки шириной в пять отрезков при помощи проволоки, каждый пучок крепят к соседнему за крайний в пучке отрезок. Рекомендуется соседние пучки скреплять между собой и крепить к каждой перекладине (рисунок Зг).

     

    3.3. Расположение образцов

    3.3.1. Кабели с токопроводящими жилами сечением до 35 мм2

    Для таких кабелей применяют только способ крепления с кодовым обозначением F. Отрезки кабеля закрепляют без зазора на передней стороне стандартной лестницы одним или несколькими слоями при ширине образца не более 300 мм. При этом расстояние от края образца до внутренней стороны стойки лестницы должно быть не менее 50 мм.

    3.3.2. Кабели с проводящими жилами сечением более 35 мм2

    Для таких кабелей применяют два способа крепления (таблица 1)

    3.3.2.1. Кодовое обозначение F/R

    Отрезки кабеля закрепляют на передней стороне стандартной лестницы одним слоем шириной 300 мм с зазором между кабелями, равным половине диаметра кабеля, но не более 20 мм. Оставшиеся отрезки закрепляют на задней стороне лестницы, начиная от центра (рисунок Зв), до максимальной ширины 300 мм. При этом расстояние от края образца до внутренней стороны стойки лестницы должно быть не менее 50 мм.

    3 3.2.2. Кодовое обозначение F

    Отрезки кабеля закрепляют на передней стороне лестницы одним слоем с зазором между кабелями, равным половине диаметра кабеля, но не более 20 мм. Лестница может быть стандартной или широкой для обеспечения зазора (не менее 50 мм между краями образца и внутренней стороной стойки лестницы), т. е. максимальная ширина образца для стандартной лестницы должна быть 300 мм, а для широкой лестницы - 600 мм (рисунки За, б).

     

    3.4. Время воздействия пламени

    Для кодовых обозначений F и F/R при любом сечении токопроводящих жил кабелей время воздействия пламени должно быть 40 мин.

     

    4. КРЕПЛЕНИЕ ОБРАЗЦОВ И ВРЕМЯ ВОЗДЕЙСТВИЯ ПЛАМЕНИ ДЛЯ ИСПЫТАНИЯ КАТЕГОРИИ В, КОДОВОЕ ОБОЗНАЧЕНИЕ F

    4.1. Выбор образцов

    Число отрезков кабеля в образце должно быть таким, чтобы номинальный общий объем неметаллических материалов в 1 м образца, рассчитанный в соответствии с 2.3, составлял 3,5 л. Условия испытания приведены в таблице 1. Сечение то ко проводящих жил кабеля должно быть выбрано в соответствии с 2.10 и таблицей 2.

     

    4.2 Крепление отрезков

    Для кабелей с токопроводящими жилами сечением более 35 мм2 каждый отрезок прикрепляют отдельно к каждой перекладине лестницы при помощи проволоки (стальной или медной) диаметром 0,5-1,0мм.

    Для кабелей с токопроводящими жилами сечением до 35 мм2 включ. используют тот же способ, если отрезки располагаются одним слоем.

    Если для формирования образца требуется несколько слоев, отрезки скрепляют в отдельные пучки шириной в пять отрезков при помощи проволоки; каждый пучок крепят к соседнему за крайние в пучке отрезки. Рекомендуется соседние пучки скреплять между собой и крепить к каждой перекладине (рисунок Зг).

     

    4.3. Расположение образцов

    4.3.1. Кабели с токопроводящими жилами сечением до 35 мм2

    Отрезки кабеля закрепляют без зазора на передней стороне стандартной лестницы одним или несколькими слоями при ширине образца не более 300 мм. При этом расстояние от края образца до внутренней стороны стойки лестницы должно быть не менее 50 мм.

    4.3.2. Кабели с токопроводящими жилами сечением более 35 мм2

    Отрезки кабеля закрепляют одним слоем на передней стороне стандартной лестницы с зазором между кабелями, равным половине диаметра кабеля, но не более 20 мм. Ширина образца должна быть не более 300 мм (рисунок За). При этом расстояние от края образца до внутренней стороны стойки лестницы должно быть не менее 50 мм.

     

    4.4. Время воздействия пламени

    При любом сечении токопроводящих жил кабелей время воздействия пламени должно быть 40 мин.

     

    5. КРЕПЛЕНИЕ ОБРАЗЦОВ И ВРЕМЯ ВОЗДЕЙСТВИЯ ПЛАМЕНИ ДЛЯ ИСПЫТАНИЯ КАТЕГОРИИ С, КОДОВОЕ ОБОЗНАЧЕНИЕ F

    5.1. Выбор образцов

    Число отрезков кабеля в образце должно быть таким, чтобы номинальный объем неметаллических материалов в 1 м образца, рассчитанный в соответствии с 2.3, составлял 1,5 л. Условия испытания приведены в таблице 1. Сечение токопроводящих жил кабеля должно быть выбрано в соответствии с 2.10 и таблицей 2.

     

    5.2. Крепление отрезков

    Для кабелей с токопроводящими жилами сечением более 35 мм2 каждый отрезок прикрепляют отдельно к каждой перекладине лестницы при помощи проволоки (стальной или медной) диаметром 0,5-1,0мм.

    Для кабелей с токопроводящими жилами сечением до 35 мм2 включ. используют тот же способ, если отрезки располагаются одним слоем.

    Если для формирования образца требуется несколько слоев, отрезки скрепляют в отдельные пучки шириной в пять отрезков при помощи проволоки; каждый пучок крепят к соседнему за крайние в пучке отрезки. Рекомендуется соседние пучки скреплять между собой и крепить к каждой перекладине (рисунок Зг).

     

    5.3. Расположение образцов

    5.3.1. Кабели с токопроводящими жилами сечением до 35 мм2

    Отрезки кабеля закрепляют без зазора на передней стороне стандартной лестницы одним или несколькими слоями при ширине образца не более 300 мм. При этом расстояние от края образца до внутренней стороны стойки лестницы должно быть не менее 50 мм.

    5.3.2. Кабели с токопроводящими жилами сечением более 35 мм2

    Отрезки кабеля закрепляют одним слоем на передней стороне стандартной лестницы с зазором между кабелями, равным половине диаметра кабеля, но не более 20 мм. Ширина образца должна быть не более 300 мм (рисунок За). При этом расстояние от края образца до внутренней стороны стойки лестницы должно быть не менее 50 мм.

     

    5.4. Время воздействия пламени

    При любом сечении токопроводящих жил кабелей время воздействия пламени должно быть 20 мин.

     

    Таблица 1 - Сводные данные по условиям испытания

     

    Параметры
    Категория испытания (кодовое обозначение)
    A (F/R)
    А (F)
    В (F)
    С (F)
    Диапазон сечений токопроводящих жил, мм2
    >351)
    352)
    >351)
    352)
    >351)
    352)
    >351)
    Объем неметаллического материала 1 м образца, л
    7
    7
    7
    7
    3,5
    3,5
    1,5
    1,5
    Число слоев: — для стандартной лестницы максимальная ширина образца 300 мм
    2 (передняя и задняя стороны лестницы)
    1
    1
    -
    1
    1
    1
    1
    — для широкой лестницы максимальная ширина образца 600 мм
    -
    -
    -
    1
    -
    -
    -
    -
    Расположение отрезков
    Не соприкасаются
    Сприкасаются
    Не соприкасаются
    Сприкасаются
    Не соприкасаются
    Сприкасаются
    Не соприкасаются
    Время воздействия ламени, мин
    40
    40
    40
     
    40
    20
     
    Число пучков
    1
    1
    1
    2
    1
    1
    1
    1
    1) Не менее одной токопроводящей жилы сечением св. 35 мм2.
    2) Ни одной токопроводящей жилы сечением св. 35 мм2.

     

     

    Таблица 2

    Сводные данные по выбору кабелей для испытаний

     

    Тип кабеля в зависимости от сечения токопроводящей жилы
    Кабели с токопроводящей жилой сечением до 35 мм2 включ. и кабели связи
    Кабели, имеющие не менее одной токопроводящей жилы сечением более 35 мм2
    Категория (кодовое обозначение)
    А (F) В (F) С (F)
    А (F/R)
    A(F)
    В (F)
    C(F)
    Требования по выбору кабеля для обеспечения номинального объема неметаллических материалов
    Не менее двух образцов
    Не более двух слоев (передняя и задняя стороны лестницы). Ширина — 300 мм, включая установленные зазоры
    Только один слой. Ширина — 600 мм, включая установленные зазоры*
    Только один слой. Ширина — 300 мм, включая установленные зазоры. Не менее двух отрезков
    Только один слой. Ширина — 300 мм, включая установленные зазоры. Не менее двух отрезков

    * Примеры для испытания по категории А, кодовое обозначение F:

    Пример 1 Одножильный кабель, сечение токопроводящей жилы 70 мм2, наружный диаметр 17 мм, объем неметаллических материалов в 1 м длины образца кабеля - 0,2 л.

    Максимальная ширина образца - 600 мм. Для получения 7 л/м требуется 35 отрезков общей шириной: 35 х 17 мм + 34 х 8,5 мм = 884 мм.

    Этот кабель не соответствует требованиям по выбору образца. Поэтому для проведения испытаний между изготовителем и потребителем или испытательной лабораторией должны быть согласованы условия размещения образца.

    Пример 2 Трехжильный кабель, сечение токопроводящих жил 3 х 50 мм2, наружный диаметр 29 мм, объем неметаллических материалов в 1 м длины образца кабеля - 0,55 л.

    Максимальная ширина образца - 600 мм. Для получения 7 л/м требуется 12,7 отрезков. 13 отрезков составляют общую ширину:
    13 х 29 мм + 12 х 14,5 = 551 мм.

    Этот кабель соответствует требованиям по выбору образца.

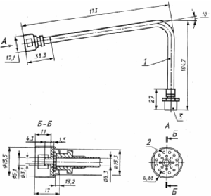
    1 - впускное отверстие для воздуха (800±20)х(400±10);
    2 - выпускное отверстие для дыма (300±30)х(1000±100);
    3 - установка приподнята над поверхностью

    Рисунок 1 - Испытательная установка

     

    1- стальной лист толщиной 1,5-2,0 мм;
    2- термоизоляция из асбестовой ваты толщиной около 65 мм с внешним покрытием, обеспечивающая
    коэффициент теплопередачи около 0,7 Вт/ (м2·К)

    Рисунок 1а - Термоизоляция задней и боковых стенок испытательной камеры

     

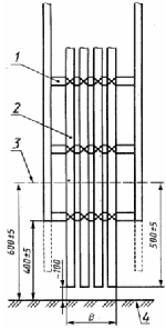
    Рисунок 2 - Стандартная трубчатая лестница для испытания кабеля.
    Число перекладин - 9

     

    Рисунок 2а - Широкая трубчатая лестница для испытания кабеля.
    Число перекладин - 9

     

    1 - круглые стальные перекладины: 2 - крепление металлической проволокой;
    3 - центральная линия горелки; 4 - пол; В - максимальная ширина образца

    Рисунок 3 - Расположение образца на лестнице

     

    Рисунок За - Несоприкасающиеся кабели, закрепленные на передней стороне стандартной лестницы

     

    Рисунок 3б - Несоприкасающиеся кабели, закрепленные на передней стороне широкой лестницы (A (F) > 35 мм2)

     

    Рисунок Зв - Несоприкасающиеся кабели, закрепленные на общих сторонах стандартной лестницы (A (F/R) > 35

    мм2)

     

    Рисунок Зг - Кабели небольшого диаметра, закрепленные на передней стороне стандартной лестницы (сформированные в пучки, кодовое обозначение A (F))

     


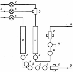
    1 - смеситель Вентури для воздуха и газа; 2 - вход пропана; 3 - вход сжатого воздуха

    Рисунок 4 - Горелка

     

    1 - смеситель Вентури для воздуха и газа; 2 - вход пропана; 3 - вход сжатого воздуха

    Рисунок 4а - Сдвоенная горелка

     

    Примечание - Рабочая часть горелки имеет 242 отверстия диаметром 1,32 мм на расстоянии 3,2 мм друг от друга, расположенные ступенчато в три ряда, по 81, 80 и 81 в каждом. Значения приближенные.

    а - впуск пропана; б - впуск воздуха; в - редукционный Т -образный клапан; г - открывающий/закрывающий клапан; д - регулятор давления; е - фильтр; ж - манометр, з - контрольный клапан, и - расходомер (ротаметр); к - клапан соленоидного типа; л - контрольная линия (допускается не применять).

    Рисунок - 5 Типовая система контроля расхода газа

    Примечание - Наружный диаметр трубок, подсоединяемых к расходомеру и горелке контрольной линии, должен быть 8 мм или 1/4 дюйма. Наружный диаметр трубок для воздуха и пропана, подсоединяемых к горелке, должен быть 15 мм. В комплект входят также источник воспламенения и предохранительный выключатель для клапана соленоидного типа.

     

    ПРИЛОЖЕНИЕ А

    (справочное)

    МЕТОД ОПРЕДЕЛЕНИЯ КИСЛОРОДНОГО ИНДЕКСА НЕМЕТАЛЛИЧЕСКИХ МАТЕРИАЛОВ КАБЕЛЕЙ

    А.1. Область распространения

    Данный метод позволяет проводить сравнительную оценку возгораемости неметаллических материалов, отобранных от кабелей или используемых в них, путем измерения минимальной концентрации кислорода в смеси кислорода и азота, при которой поддерживается горение пламени. Этот метод используется ограниченно, так как некоторые испытуемые образцы физически недостаточно жестки.

     

    А.2. Определение

    Кислородный индекс (КИ) - это минимальная концентрация кислорода, в кислородно-азотной смеси, выраженная в объемных процентах, при которой будет поддерживаться горение материала в условиях, установленных данным методом.

     

    А.3 Принцип метода

    Минимальная концентрация кислорода в смеси кислорода и азота, при которой будет поддерживаться горение, измеряется в условиях равновесия "свечеподобного" горения. При этом устанавливается равновесие между теплом, выделяемым при сгорании образца, и теплом, теряемым в окружающей среде.

     

    А.4. Аппаратура

    А.4.1. Испытательная колонка, которая состоит из жаропрочной стеклянной трубки одного из типов, указанных в таблице А1. Низ колонки или основание, к которому прикрепляется трубка, должен содержать негорючий материал, чтобы смешать и равномерно распределить газовую смесь, поступающую в это основание. Над негорючим материалом помещают проволочную сетку, чтобы задерживать падающие частицы, которые не должны попадать на основание колонки.

    Должно быть установлено устройство для проверки или обеспечения того, чтобы температура газовой смеси, входящей в трубку, была (23 ±2) °С. Если устройство имеет внутренний зонд, его положение и конструкция должны быть такими, чтобы свести к минимуму турбулентность в трубке.

    А.4.2. Секундомер для отсчета времени не менее 10 мин с точностью до 1 с.

    А.4.3. Держатель образца

    Может быть использовано любое небольшое устройство, в котором вертикально закрепляют образец у его основания в центре колонки.

    Таблица А1

    В миллиметрах

     

    Тип колонки
    Минимальный внутренний диаметр
    Высота
    Диаметр входного открытого конца
    минимальная
    максимальная
    минимальный
    максимальный
    А
    75
    450
    75
    Б
    95
    210
    310
    40
    50

    А.4.4. Источники газа

    Газовую смесь, необходимую для испытания, приготовляют с использованием кислорода и/или азота торгового сорта (лучше чистотой нс менее 98 %) и/или очищенного воздуха (с концентрацией кислорода 20,9 % объемных).

    Содержание влаги в газовой смеси, поступающей в испытательную трубку, должно быть менее 0,1 % по массе.

    Примечание - Нет гарантий того, что кислород или азот в баллонах будет всегда содержать воды менее 0,1 % по массе, хотя, как правило, содержание влаги составляет 0,003-0,01 % по массе. Если баллон заряжен при неблагоприятных условиях, газ поступающий из последних 10 % содержимого баллона, может содержать 0,1-0,5 % поды по массе, так как давление газа уменьшается относительно давления водяного пара при температуре окружающей среды Поэтому система подачи газа должна иметь сушильное устройство или должно проводиться измерение содержания влаги.

    А.4.5. Измерение концентрации кислорода

    Концентрацию кислорода измеряют одним из следующих методов. В спорных случаях используют метод а).

    а) Концентрацию кислорода в смешанных газах определяют измерением парамагнетизма кислорода.

    б) Используют приборы измерения и контроля состава газа, которые позволяют измерять и контролировать состав смеси газа в испытательной трубке так, чтобы концентрация кислорода в смеси газа была определена с точностью до ±0,5 % по объему смеси.

    А.4.6. Источник пламени

    Источником зажигания является бутановая горелка (рисунок А.1). Длина пламени от края сопла при измерении на воздухе должна быть около 30 мм.

    А.4.7. Вытяжной вентилятор

    Для удаления дыма, сажи и вредных выделений аппаратуру размещают в зоне, оборудованной эффективными вытяжными устройствами, при этом они не должны влиять на результаты испытании.

     

    А.5. Образец

    А.5.1. Образцы для испытания - это плоские прямоугольные полосы со следующими размерами:

    длина 70-150 мм;

    ширина (6,5±0,5) мм;

    толщина (3,0±0,5) мм

    А.5.2. Образцы получают путем формовки, резки или механической обработки из предназначенных для испытания материалов, отобранных с кабеля.

    Если такой возможности нет, как, например, для кабеля, содержащего вулканизированный материал, используют формованную и вулканизированную пластину, изготовленную из материала, отобранного во время переработки данной производственной партии.

    А. 5.3. Края образцов должны быть гладкими, образцы не должны иметь мелких выступов или заусенцев от механической обработки или краевых подтеков, полученных при формовке.

     

    А.6. Проведение испытания

    А.6.1. Каждый образец маркируют двумя линиями на расстоянии 8 и 58 мм от верха. Для лучшего обзора каждую линию проводят по двум соседним поверхностям. Для белых и цветных образцов можно использовать обычную шариковую ручку. Для черных образцов используют контрастные чернила. Перед испытанием чернила должны высохнуть. Образец зажимают в держателе вертикально приблизительно в центре колонки так, чтобы верх образца был не менее чем на 100 мм ниже верха открытого конца колонки. Если используют колонку с уменьшенным отверстием (А.4.1), то верх образца должен быть не менее чем на 40 мм ниже края отверстия.

    А.6.2. Испытание проводят при температуре (23 ±2) °С, и образцы должны быть предварительно выдержаны при температуре (23±2) °С и относительной влажности (50±5) % в течение 24 ч.

    А.6.3. Устанавливают требуемую начальную концентрацию кислорода, проходящего через колонку. Скорость потока газа в колонке должна быть (40±10) мм/с, которая рассчитывается по общему потоку газа в кубических миллиметрах в секунду, деленных на площадь сечения колонки в квадратных миллиметрах.

    А.6.4. Газ пропускают не менее 30 с, чтобы продуть систему.

    А.6.5. Источник пламени подводят так, чтобы пламя на длине около 6 мм касалось верха образца. При горении образца источник пламени опускают, чтобы касание пламени удерживалось на длине около 6 мм. После загорания образца концентрацию кислорода не изменяют.

    Горение пламени поддерживают до тех пор, пока образец не сгорит до восьмимиллиметровой линии. Затем пламя удаляют и начинают отсчет времени.

    А.6.6. Предварительная оценка результатов

    а) Если образец горит 3 мин или более, или сгорает на длине 50 мм или более, его следует загасить и зафиксировать концентрацию кислорода для этих условий.

    б) Если образец прекращает гореть до истечения 3 мин и на длине менее 50 мм, концентрацию кислорода следует считать низкой. Время, когда пламя погасло, фиксируют.

    А.6.7. Закрепляют новый образец (образец можно использовать вторично, если его охладить и отрезать сгоревший конец, при этом он должен отвечать требованиям А. 5.2 и А. 6.2).

    Регулируют концентрацию кислорода на основе результатов, полученных в А.6.6. Повторяют испытание в соответствии с А.6.4- А.6.6.

    А.6.8. Продолжают испытание согласно А.6.7, проводя только одно испытание при каждой концентрации кислорода до тех пор, пока не будут получены две концентрации, которые будут удовлетворять следующим условиям:

    а) при первой концентрации образец горит не менее 3 мин или сгорает на длине не менее 50 мм;

    б) при второй концентрации образец затухает за период менее 3 мин и сгорает на длине менее 50 мм;

    в) численное различие между концентрациями кислорода по перечислениям а) и б) не превышает 0,25 %.

    Концентрацию кислорода по перечислению а) принимают за приблизительное значение КИ на этой стадии.

    А. 6.9 Затем продолжают испытание, учитывая следующие требования.

    При каждом значении концентрации кислорода наибольший результат испытания трех образцов фиксируют как результат для этой концентрации (с включением результатов из первоначальной серии, полученных в А.6.8).

    Начальное значение концентрации кислорода при испытании должно соответствовать значению КИ, полученному в А.6.8. Затем испытание продолжают с шагом не более ±0,25 % концентрации кислорода либо выше, либо ниже начального значения.

    Когда будут получены наибольшие результаты, которые удовлетворяют перечислениям а), б) и в) А.6.8, испытание прекращают.

    Наибольший результат, соответствующий А.6.8 а, принимают за абсолютное значение КИ испытуемого материала.

     

    А.7. Протокол испытания

    В протокол должно быть включено следующее:

    а) абсолютное значение КИ;

    б) описание любых отклонении, отмеченных при испытании. А. 8 Подтверждение минимального значения КИ Данную методику применяют для определения абсолютного значения КИ. Если требуется проверить, находится ли значение КИ выше минимального установленного значения, следует использовать методику, указанную в Д.6.3-А.6.5, и требование удовлетворяется, если выполняется требование А.6.6б.

    1 - медная трубка диаметром 6,3 мм; 2 - отверстия диаметром 1,6 мм; 3 - место крепления бутановой паяльной лампы

    Рисунок А. 1

     

    Примечания

    1) Испытательная колонка

    Если стеклянная испытательная колонка становится чрезмерно горячей, может быть получено заниженное значение КИ. Поэтому рекомендуется использовать две испытательные колонки.

    2) Калибровка

    Должны быть обеспечены соответствующие методы калибровки и степень точности оборудования.

    3) Расходомеры

    Если используются расходомеры, которые откалиброваны для воздуха, следует делать поправку на плотность газов.

    УДК 621.315.2001.4:006.354 ОКС 29.060.20 Е46 ОКСТУ 3509

    Ключевые слова: испытание, метод, кабель, провод, нераспространение горения

    Версия для печати

Продолжая пользоваться сайтом, Вы соглашаетесь на обработку файлов cookie в соответствии с пользовательским соглашением и политикой конфиденциальности
Нужен кабель? Оформи заявку бесплатно