Каталог кабельной продукции НПП "Спецкабель"

Радиочастотные коаксиальные соединители. Марка кабеля РК50-4-47

Область использования:
Соединители радиочастотные коаксиальные с резьбовым соединением для работы в электрических цепях радиочастотных трактов в диапазоне частот до 18ГГц.

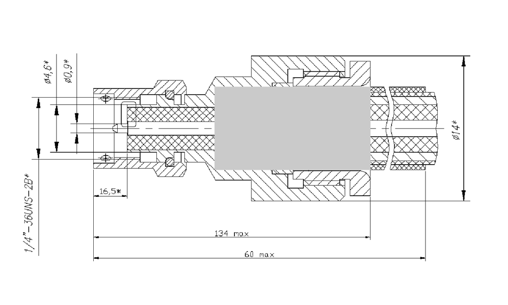
1. Вилка прямая кабельная СР50-11-3-4-47
Присоединительный канал Волновое сопротивление Диапазон частот КСВН (Return Loss)
тип III (7/3,04 Экспертиза) 50 Ом < 15 ГГц < 1,37


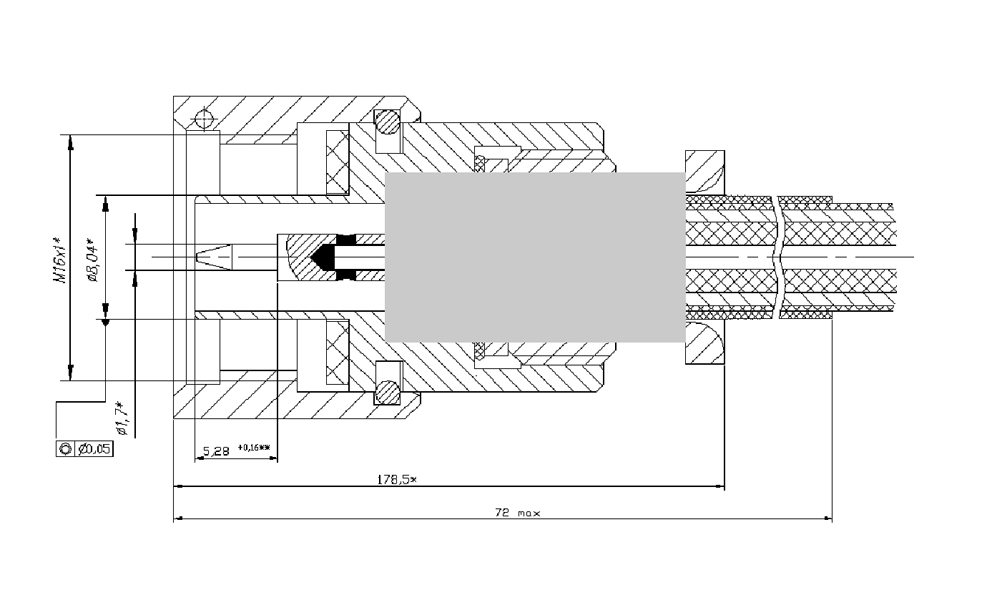
2. Вилка угловая кабельная СР50-31-3-4-47
Присоединительный канал Волновое сопротивление Диапазон частот КСВН (Return Loss)
тип III (7/3,04 Экспертиза) 50 Ом < 15 ГГц < 1,37


3. Розетка приборно-кабельная СР50-61-3-4-47
Присоединительный канал Волновое сопротивление Диапазон частот КСВН (Return Loss)
тип III (7/3,04 Экспертиза) 50 Ом < 15 ГГц < 1,37


4. Вилка прямая кабельная СР50-11-9-4-47
Присоединительный канал Волновое сопротивление Диапазон частот КСВН (Return Loss)
тип III (7/3,04 Экспертиза) 50 Ом < 15 ГГц < 1,37


Продолжая пользоваться сайтом, Вы соглашаетесь на обработку файлов cookie в соответствии с пользовательским соглашением и политикой конфиденциальности
Нужен кабель? Оформи заявку бесплатно