Каталог кабельной продукции НПП "Спецкабель"

Радиочастотные коаксиальные соединители. Марка кабеля РК50-3-28(29)

Область использования:
Соединители радиочастотные коаксиальные с резьбовым соединением для работы в электрических цепях радиочастотных трактов в диапазоне частот до 18ГГц.

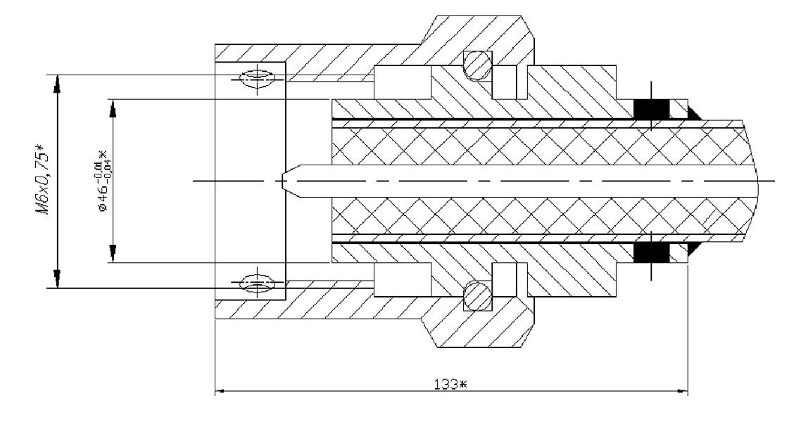
1. Вилка прямая кабельная СР50-11-3-3-28
Присоединительный канал Волновое сопротивление Диапазон частот КСВН (Return Loss)
тип III (7/3,04 Экспертиза) 50 Ом < 18 ГГц < 1,3


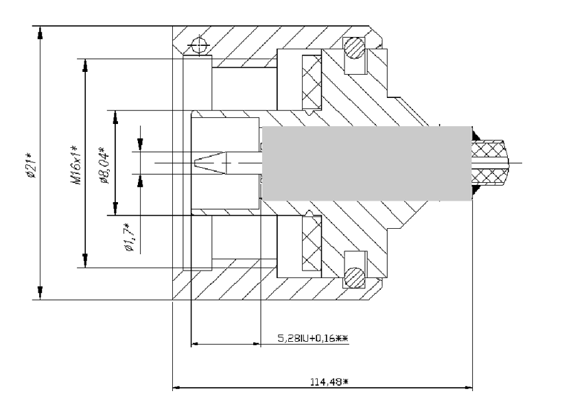
2. Розетка приборно-кабельная СР50-41-3-3-28
Присоединительный канал Волновое сопротивление Диапазон частот КСВН (Return Loss)
тип III (7/3,04 Экспертиза) 50 Ом < 18 ГГц < 1,3


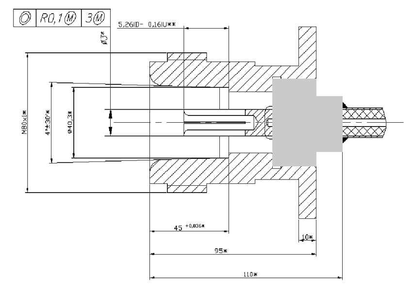
3. Вилка прямая кабельная СР50-11-9-3-28
Присоединительный канал Волновое сопротивление Диапазон частот КСВН (Return Loss)
тип III (7/3,04 Экспертиза) 50 Ом < 18 ГГц < 1,3
Продолжая пользоваться сайтом, Вы соглашаетесь на обработку файлов cookie в соответствии с пользовательским соглашением и политикой конфиденциальности
Нужен кабель? Оформи заявку бесплатно