Новое оборудование для создания эталонных мер длины и затухания оптических волокон

Авторы: А.А.Марьенков, М.Л.Гринштейн, В.И.Бобров,А.Н.Лузгин

Описывается прибор, реализующий активный метод для поверки оптических рефлектометров и работающий на принципе формирования эталонных мер длины и затухания. Устройство представляет собой оптический генератор с внешней синхронизацией и регулируемыми амплитудами и задержками оптических сигналов.

1.Введение

Оптический рефлектометр (OTDR) - один из основных приборов, используемых в технике оптической связи. Поверка OTDR является необходимым условием их долговременного использования. В первую очередь этот процесс включает определение трех важнейших параметров: определение точности измерения затухания; определение точности временной шкалы расстояний; измерение мертвой зоны при заданном коэффициенте отражения на входе.

Обычно для решения этих задач используется набор оптических волокон большой длины с известной длиной и затуханием. Этот метод имеет ряд недостатков, ограничивающих его применение. Основными недостатками являются [1]:

  • невысокая долговременная стабильность параметров оптических волокон;
  • ограниченное количество точек, где поверяется шкала расстояний;
  • сложность создания эталонных значений затухания на определенном временном участке;
  • большие материальные затраты для обеспечения большого диапазона измерений.

Более эффективно эти задачи решаются с помощью разработанного генератора, который в виде законченного прибора реализует метод внешнего источника (external source method), рекомендуемый EC 61746 для поверки оптических рефлектометров[2].

2. Разработка прибора

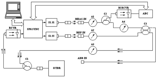
Структурная схема генератора приведена на рис 1.

Структурная схема генератора приведена

Рис.1. Структурная схема оптического генератора

Оптические импульсы рефлектометра преобразуются в электрические с помощью высокоскоростного оптического приемника RCVR. Сигнальный процессор с цепью синхронизации SP&SYNC осуществляет управление прибором и предварительную обработку измерительной информации. В качестве источников излучения используются два лазерных диода S1.31 и S1.55 с длинами волн 1310 нм и 1550 нм. Лазерные диоды имеют температурную стабилизацию при помощи термоэлектрического холодильника и стабилизацию вершины импульса посредством оптической обратной связи. Измерительный оптический приемник M-RCVR с высокой линейностью и аналого-цифровой преобразователь ADC предназначены для измерения затухания сигналов лазерных диодов, поступающих на измерительный вход MEAS.IN. Это затухание устанавливается переменным аттенюатором A1. Другие встроенные переменные аттенюаторы А2-А4 используются для регулировки амплитуды импульсов генератора с целью согласования с нормальным уровнем входного сигнала OTDR.

Управление генератором, обработка результатов, отображение и хранение результатов осуществляется с помощью PC.

3. Принцип работы

Принцип работы генератора основан на формировании оптических импульсов заданной длительности и с заданной задержкой по отношению к импульсу, генерируемому оптическим рефлектометром. При этом амплитуда импульсов генератора может регулироваться с помощью встроенных аттенюаторов, а ее изменение - измеряться с высокой точностью с помощью M-RCVR. Поверка OTDR осуществляется путем сравнения временного положения и амплитуды оптических импульсов на экране рефлектометра со значениями, заданными генератором. Расстояние до измерительных импульсов задается с очень высокой точностью, определяемой кварцевым генератором.

Генератор работает следующим образом. Оптический импульс рефлектометра через ответвитель С1 поступает на вход быстродействующего оптического приемника RCVR. Выход приемника соединен с сигнальным процессором (SP&SYNC), который формирует два независимых электрических канала для запуска лазерных диодов S1.31 и S1.55. В каждом канале задается длительность импульса лазерного диода и задержка по отношению к оптическому импульсу рефлектометра.

Канал, длина волны которого совпадает с длиной волны рефлектометра, является измерительным каналом. Импульсы лазерного диода этого канала через измерительный вход MEAS.IN и ответвители С2 и С3 возвращаются в рефлектометр. В ответ на каждый импульс рефлектометра генератор вырабатывает один или несколько измерительных импульсов. Эти импульсы расположены на всем тестируемом диапазоне расстояний (рис. 2). Таким образом, достаточно одной измерительной процедуры для определения точности шкалы расстояний.

Поверка шкалы расстояний с пятью измерительными импульсами

Рис.2. Поверка шкалы расстояний с пятью измерительными импульсами

Расстояние до импульса на экране OTDR определяется по положению переднего фронта. Для исключения возможной ошибки, вызванной шумами и наклоном переднего фронта, генератор может создавать оптический сигнал малого уровня, имитирующий сигнал обратного рассеяния. Этот "сигнал обратного рассеяния" генерируется вторым лазерным диодом. Сигнал этого лазерного диода передается на вход REF.IN. При этом расстояние до импульса на экране рефлектометра определяется так же, как и при наличии обычной рефлектограммы. Вид экрана рефлектометра ОР-2-1(ИИТ) показан на рисунке 3.

Поверка шкалы расстояний с имитированным обратным рассеянием

Рис.3. Поверка шкалы расстояний с имитированным обратным рассеянием

При проверке шкалы затухания рефлектометра амплитуда измерительного импульса регулируется аттенюатором А1. Второй лазерный диод генерирует опорный импульс, положение и амплитуда которого не меняются. Измерительный импульс может изменяться в соответствии с ростом затухания реального волокна. При проверке рефлектометра измеряется разность между амплитудами опорного и измерительного импульсов (рис. 4) и сравнивается с показаниями генератора.

Поверка шкалы затухания при помощи опорного (справа) и измерительного (слева) импульсов

Рис.4. Поверка шкалы затухания при помощи опорного (справа) и измерительного (слева) импульсов

При измерении мертвой зоны рефлектометр присоединяется к входу REF.IN, а между входом ответвителя С1 и дополнительным входом ADD.IN включается оптическое волокно длиной 3-5 км. С помощью аттенюатора А4 регулируется величина коэффициента отражения, при котором измеряется мертвая зона рефлектометра (рис. 5).

Сигнал обратного рассеяния при измерении мертвой зоны

Рис.5. Сигнал обратного рассеяния при измерении мертвой зоны

4. Технические характеристики

Прибор может работать со всеми типами оптических рефлектометров и имеет следующие технические характеристики.

Длины волн источников излучения - 1310 ± 10 нм и 1550 ±10 нм.
Минимальное значение воспроизводимого расстояния - <60 м.
Максимальное значение воспроизводимого расстояния - > 500 км.
Длительность выходных оптических импульсов - от 6 до 10000 м.
Дискретность установки длительностей и задержек оптических импульсов - 6 м.
Диапазон воспроизведения значений вносимого затухания - не менее 40 дБ.
Диапазон регулировки коэффициента отражения при проверке мертвой зоны - -20...-60 дБ.
Погрешность измерения значений вносимого затухания - не более 0.02xa (дБ), где a - значение вносимого затухания (дБ).
Погрешность измерения расстояния - (0,2 + 1*10-5*L) м.
Габариты - 260*290*65 мм.

5. Выводы

Разработан оптический генератор на основе метода внешнего источника для поверки оптических рефлектометров. Использование данного прибора позволяет определить погрешности шкалы затухания и расстояния всех типов OTDR, а также измерить мертвую зону при заданном коэффициенте отражения.

Определение метрологических параметров OTDR возможно без использования дополнительных приборов. Управление прибором осуществляется РС, что позволяет автоматизировать процесс поверки оптических рефлектометров.

Кроме этого, важными достоинствами его являются:

  • отсутствие погрешностей связанных с оптическим волокном, таких как дисперсионные искажения, естественное старение, длина волны, температура;
  • не требуется контроль поляризации;
  • позволяет оценивать шкалу затуханий на любом участке измерений;
  • отсутствуют ограничения по диапазону расстояний.

Работы по разработке оптического генератора и методик измерения проводились совместно с ВНИИОФИ.

6. Литература

1. Кравцов В.Е., Лукьянов А.М., Подюкова Л.В., Тихомиров С.В. Современные оптические рефлектометры. Вопросы метрологического обеспечения. Метрология и измерительная техника в связи. 1999, N 2, с.38-48.

2. EC 61746 OTDR Calibration, 2001.

 

ЗАО "Институт Информационных Технологий" специально для RusCable.ru

Продолжая пользоваться сайтом, Вы соглашаетесь на обработку файлов cookie в соответствии с пользовательским соглашением и политикой конфиденциальности
Нужен кабель? Оформи заявку бесплатно